电脑桌面
添加小米粒文库到电脑桌面
安装后可以在桌面快捷访问

现场成本的降低方法

现场成本的降低方法_第1页
1/7
现场成本的降低方法_第2页
2/7
现场成本的降低方法_第3页
3/7
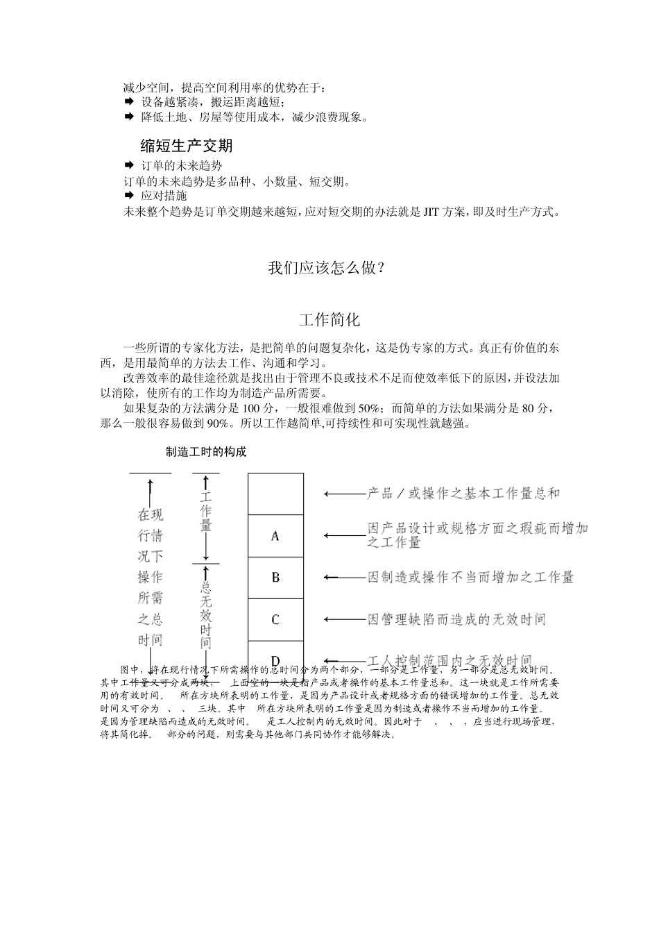
现场的成本降低 1.改进质量 有人认为改进质量需要投入成本,实际上,质量越改进成本会越低。虽然改进质量需要投入一些成本,但是质量改进以后的成本降低将会使企业持续受益。 作为一个生产管理干部,要在改进质量和降低成本之间找到一个合适的点。 2.改进生产力  提高投入产出比 生产力即指投入产出比。提高生产力的两个途径是减少投入和增加产出。 【案例】 珠江三角洲地区的摩托车制造产业竞争非常激烈。该地区有一个中裕摩托车厂,它把每个车间虚拟企业化,即将每个装配摩托车的车间承包给一个事业部的经理,固定每台摩托车的装配费用,这一费用包含了人工和其他支出等等。事业部总经理必须以最少的人工装配出最多的车辆,从而提高投入产出比。  企业的利益政策 改进生产力,除了提高工作效率,企业的利益政策也很关键。 ① 减少投入 减少投入包括以人力的减少、资源的投入来增加产出,这是降低成本的一个方法。 ② 提高速度 增加工作时间、投入更多体力并不是最好的选择,提高生产效率的另一种方法是提高速度。提高速度的最佳途径是改进方法。 提高速度而获得的公司利润应当留出一部分给予员工作为激励。 定额管理 一般企业对于机械工作实行定额管理,但如何确定适当的额度非常重要。定得太低公司无法获得利润,定得太高工人就会丧失积极性。而每一次提高定额都可能导致员工的反对。最好的方式是确定一个阶梯式的机械定额,例如,生产一个部件,要求工作者在还不是十分熟练的前两个月保持100个左右的水平,第 3、第4个月达到110个,第5、第6个月达到120个,第7、第8个月以后就要稳定在130个的水平上。这个阶梯式水平确定后,员工如果开始就能够达到130个,公司会给予一定的奖励。这样,就不会出现员工“磨洋工”的现象了。 提高生产力,达到增加产出的目的,需要用适当的政策激励员工。 3.降低库存 库存是为了防止由突发情况导致生产断线的现象发生而准备的。企业的生产现场管理越顺利,问题越少,设备的停、坏情况也就越少,断线的可能性也就越小,而所需库存就会减少。降低库存,必须以生产稳定为前提,并制定与此相适应的销售计划。 4.缩短生产线 缩短生产线,例如将原来 5 0 米的流程缩短为 3 0 米甚至是 2 0 米的流程,这样就减少了生产线上的人员、缩短了生产的周期,降低了工序错误的发生率。所以生产管理干部要思考怎样缩短和核定生产线的问题。 5.减少机器停机时间 减少机器设备的停机时间...

1、当您付费下载文档后,您只拥有了使用权限,并不意味着购买了版权,文档只能用于自身使用,不得用于其他商业用途(如 [转卖]进行直接盈利或[编辑后售卖]进行间接盈利)。
2、本站所有内容均由合作方或网友上传,本站不对文档的完整性、权威性及其观点立场正确性做任何保证或承诺!文档内容仅供研究参考,付费前请自行鉴别。
3、如文档内容存在违规,或者侵犯商业秘密、侵犯著作权等,请点击“违规举报”。

碎片内容

现场成本的降低方法

确认删除?
VIP
微信客服
  • 扫码咨询
会员Q群
  • 会员专属群点击这里加入QQ群
客服邮箱
回到顶部