电脑桌面
添加小米粒文库到电脑桌面
安装后可以在桌面快捷访问

中建一局华北公司《栏杆参考价》

中建一局华北公司《栏杆参考价》_第1页
1/21
中建一局华北公司《栏杆参考价》_第2页
2/21
中建一局华北公司《栏杆参考价》_第3页
3/21
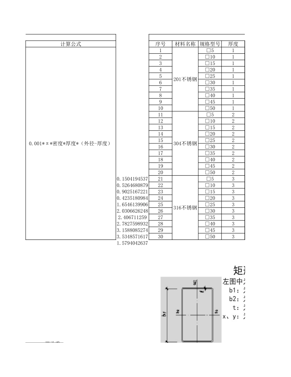
不锈钢材料理论重量表序号材料名称 规格型号厚度1φ517.930.12φ1017.930.2243φ1517.930.3494φ2017.930.4735φ2517.930.5986φ3017.930.7227φ3517.930.8478φ4017.930.9729φ4517.931.09610φ5017.931.22111φ527.930.14912φ1027.930.39913φ1527.930.64814φ2027.930.89715φ2527.931.14616φ3027.931.39517φ3527.931.64418φ4027.931.89319φ4527.932.14320φ5027.932.39221φ537.980.150 22φ1037.980.526 23φ1537.980.90324φ2037.981.27925φ2537.981.65526φ3037.982.03127φ3537.982.40728φ4037.982.78329φ4537.983.15930φ5037.983.535密度g/cm3理论重量kg/m201不锈钢304不锈钢316不锈钢不锈钢材料理论重量表不锈钢管材料理论重量表计算公式序号材料名称 规格型号厚度1□512□1013□1514□2015□2516□3017□3518□4019□45110□50111□5212□10213□15214□20215□25216□30217□35218□40219□45220□5020.150419453721□530.526468087922□1030.902516722123□1530.423518098424□2031.654613990625□2532.030662624826□3032.40671125927□3532.782759893228□4033.158808527429□4533.534857161730□5031.57940426370.001*π*密度*厚度*(外径-厚度)201不锈钢304不锈钢316不锈钢不锈钢管材料理论重量表计算公式7.930.1277.930.2857.930.4447.930.6037.930.7617.930.920 7.931.0787.931.2377.931.3967.931.5547.930.190 7.930.5087.930.8257.931.1427.931.4597.931.7767.932.0947.932.4117.932.7287.933.0457.980.192 0.191527.980.670 0.670327.981.1491.149127.981.6281.627927.982.1072.106727.982.5862.585527.983.0643.064327.983.5433.543127.984.0224.021927.984.5014.500724.50072密度g/cm3理论重量kg/m0.001*密度*(2*边a*壁厚d+2*边b*壁厚d-4*壁厚d*壁厚d)单位:序号项目名称品牌、规格型号单位用量一人工费70.00 1 人工费m 1.00 70.00 70.00 二材料费256.80 1 不锈钢扶手50*3kg3.5419.55 69.11 2 不锈钢立柱50*3kg5.30 19.55 103.66 3 不锈钢立杆20*1kg2.97 19.55 58.02 4 不锈钢法兰盘50个2.00 2.00 4.00 5 不锈钢法兰盘20个7.00 1.00 7.00 6 辅材m1.00 15.00 15.00 三机械费1.00 6.00 1 机械费元1.00 6.00 6.00 四元 332.80 五管理费、利润元8.00%26.62 六元359.42 七税金元9.00%32.35 八元391.77 金属靠墙扶手综合单价分析表 单位:序号项目名称品牌、规...

1、当您付费下载文档后,您只拥有了使用权限,并不意味着购买了版权,文档只能用于自身使用,不得用于其他商业用途(如 [转卖]进行直接盈利或[编辑后售卖]进行间接盈利)。
2、本站所有内容均由合作方或网友上传,本站不对文档的完整性、权威性及其观点立场正确性做任何保证或承诺!文档内容仅供研究参考,付费前请自行鉴别。
3、如文档内容存在违规,或者侵犯商业秘密、侵犯著作权等,请点击“违规举报”。

碎片内容

中建一局华北公司《栏杆参考价》

您可能关注的文档

确认删除?
VIP
微信客服
  • 扫码咨询
会员Q群
  • 会员专属群点击这里加入QQ群
客服邮箱
回到顶部