电脑桌面
添加小米粒文库到电脑桌面
安装后可以在桌面快捷访问

瓦斯监控系统验收标准

瓦斯监控系统验收标准_第1页
1/20
瓦斯监控系统验收标准_第2页
2/20
瓦斯监控系统验收标准_第3页
3/20
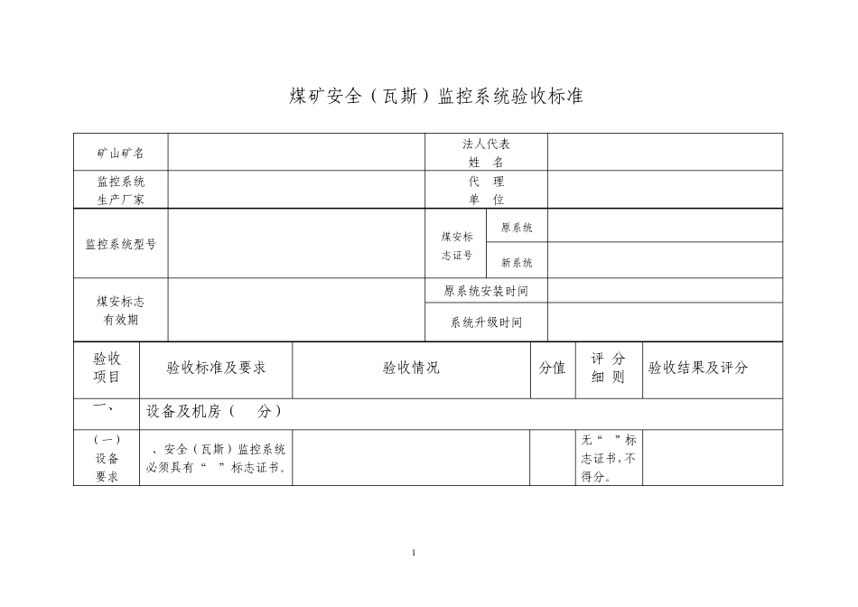
1 煤矿安全(瓦斯)监控系统验收标准 矿山矿名 法人代表 姓 名 监控系统 生产厂家 代 理 单 位 监控系统型号 煤安标 志证号 原系统 新系统 煤安标志 有效期 原系统安装时间 系统升级时间 验收 项目 验收标准及要求 验收情况 分值 评 分 细 则 验收结果及评分 一、 设备及机房(20分) (一) 设备 要求 1、安全(瓦斯)监控系统必须具有“MA”标志证书。 2 无“MA”标志证书,不得分。 2 2、安全(瓦斯)监控系统设备必须按要求取得《安全仪器仪表合格证》、《防爆合格证》、《产品鉴定证书》。 2 无合格证不得分。 (二) 设备 种类 和 数量 1、系统设备的种类、数量和位置,信号电缆和电源电缆的敷设、控制区域等应明确规定,并绘制布置图。 2 位置不当1处,扣1分。无布置图,扣1分。扣完为止。 2、系统设备(含分站和传感器)备用量不少于应配备数量的20﹪,即分站备用量为:现场用量的×20﹪,传感器备用量为:现场用量的2倍×20﹪。 3 分站及 传感器配备不齐,少一个 扣0.5分。扣完为止。 (三) 主机 联网 及 机房 要求 1、系统主机必须双机热备份,备机能在 5分钟内启动。主机或显示终端必须设在调度室内。 3 无备用主机 ,不得分。 2、设备主机必须与县、市、省煤矿瓦斯信息网联网运 2 未 实 现局域联网,不 3 行。 得分。 3、必须有专用机房,机房设计符合《煤矿安全规程》的要求,中心站必须有防静电地板、消防器材、通讯及办公设施。 2 无 专 用 机房的,不得分;设施少一样,扣 1分。扣完为止。 4、地面中心站应双回路供电并配备不小于 2小时的在线式不间断电源,对实现联网的主机装备硬软件防火墙等网络安全设备,必须有声光报警装置和 18端口可配置交换机。 2 无 双 回 路的 , 扣 2分;配备不齐 , 扣 1分。扣完为止。 5、地面中心站必须有防雷保护措施,机房的防雷接地设施必须齐全可靠。 2 无 防 雷 保护 措 施 或无 防 雷 接地措施,扣2分。 二、 安装及使用(40分) 4 (一) 传 感 器 的 安 装 1、按照《煤矿安全规程》的要求绘制安全监控系统设备布置图。 1 无 设 备 布置图,不得分。 2、煤矿必须按矿用产品安全标志证书规定的型号选择传感器,断电控制器等关联设备,严禁对不同系统间的设备进行置换。 1 对 不 同 系统 的设 备进 行 置 换的, 不 得分。 3、井下分站宜设置在便...

1、当您付费下载文档后,您只拥有了使用权限,并不意味着购买了版权,文档只能用于自身使用,不得用于其他商业用途(如 [转卖]进行直接盈利或[编辑后售卖]进行间接盈利)。
2、本站所有内容均由合作方或网友上传,本站不对文档的完整性、权威性及其观点立场正确性做任何保证或承诺!文档内容仅供研究参考,付费前请自行鉴别。
3、如文档内容存在违规,或者侵犯商业秘密、侵犯著作权等,请点击“违规举报”。

碎片内容

瓦斯监控系统验收标准

确认删除?
VIP
微信客服
  • 扫码咨询
会员Q群
  • 会员专属群点击这里加入QQ群
客服邮箱
回到顶部