电脑桌面
添加小米粒文库到电脑桌面
安装后可以在桌面快捷访问

甘肃省渡口码头建设技术标准

甘肃省渡口码头建设技术标准_第1页
1/7
甘肃省渡口码头建设技术标准_第2页
2/7
甘肃省渡口码头建设技术标准_第3页
3/7
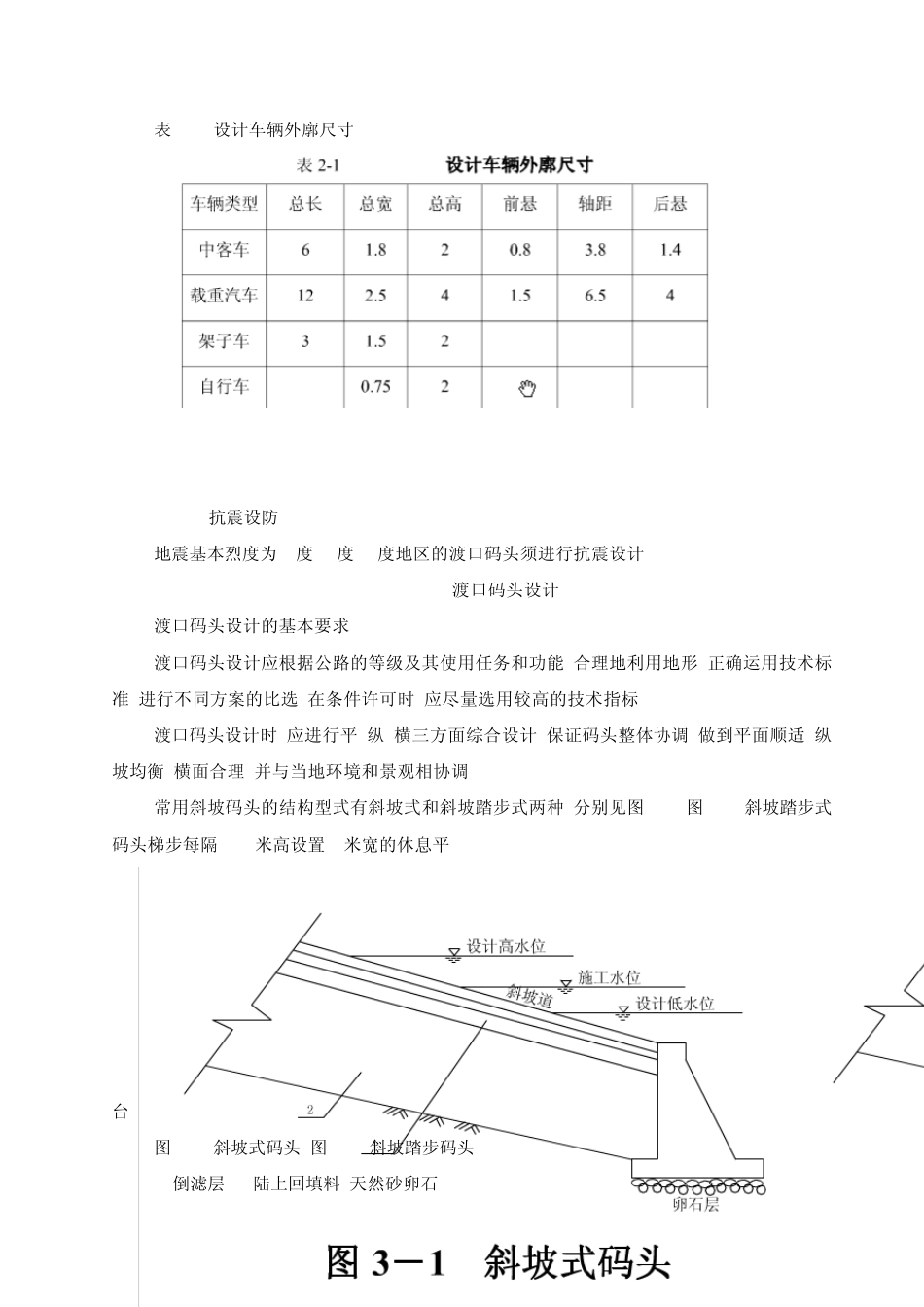
甘肃省渡口码头建设技术标准 为了配合全省农村公路渡口建设,以及渡口渡船专项整治和低质量船舶专项治理工作,使全省渡口码头在专项整治中按统一标准进行改造建设,达到标准化,规范化的要求.现参照《斜坡码头及浮码头设计与施工规范》(JTJ294—98),《重力式码头设计与施工规范》(JTJ209—98),《码头附属设施技术规范》(JTJ297—2001),《公路工程技术标准》(JTG B01-2003),《甘肃省农村公路工程技术标准》(甘交规划[2002]227号)等,结合我省实际,制定本标准. 1 总 则 1.0.1 适用范围 本标准适用于全省各地新建和改建等级公路渡口,农村公路渡口和非机动车,行人渡口. 渡口码头分级 根据使用任务,功能分为特大型渡口,大型渡口,中型渡口和小型(非机动,行人)渡口共四个等级. 特大型渡口连接双车道四级公路,能适应各种车辆折合成小客车的年平均日交通量为2000辆以下. 大型渡口连接单车道四级公路,能适应各种车辆折合成小客车的年平均日交通量为400辆以下. 中型渡口连接一级,二级农村公路,能适应各种车辆折合成中型载重汽车的年平均日交通量为100~50辆以下. 小型(非机动车,行人)渡口年平均日交通量为非机动车 100辆,行人 200人以下. 渡口码头等级的选用 已建公路渡口按现有公路等级标准建设,规划新建,改建公路渡口按规划公路等级标准建设,已建和规划非机动车,行人渡口按非机动车,行人渡口标准建设. 环境保护 渡口码头分布面广,和工农业生产,人民生活密切相关,因此,渡口码头建设必须重视环境保护,与小康建设,小城镇建设及资源综合利用相结合,做出环境影响及保护说明,坚持可持续发展战略. 2 一 般 规 定 设计车辆 各种设计车辆外廓尺寸如表 2-1. 表2-1 设计车辆外廓尺寸 2.0.2 抗震设防 地震基本烈度为7度,8度,9度地区的渡口码头须进行抗震设计. 3 渡口码头设计 渡口码头设计的基本要求 渡口码头设计应根据公路的等级及其使用任务和功能,合理地利用地形,正确运用技术标准,进行不同方案的比选,在条件许可时,应尽量选用较高的技术指标. 渡口码头设计时,应进行平,纵,横三方面综合设计,保证码头整体协调,做到平面顺适,纵坡均衡,横面合理,并与当地环境和景观相协调. 常用斜坡码头的结构型式有斜坡式和斜坡踏步式两种,分别见图 3-1,图 3-2.斜坡踏步式码头梯步每隔 2.4米高设置 2米宽的休息平台. 图 3-1 斜坡式码头 图 3-2 斜坡踏步码头 1-倒滤层;2-陆上回填料(天然砂卵石) 4 渡口码头基础 基础设计的基本要求 ...

1、当您付费下载文档后,您只拥有了使用权限,并不意味着购买了版权,文档只能用于自身使用,不得用于其他商业用途(如 [转卖]进行直接盈利或[编辑后售卖]进行间接盈利)。
2、本站所有内容均由合作方或网友上传,本站不对文档的完整性、权威性及其观点立场正确性做任何保证或承诺!文档内容仅供研究参考,付费前请自行鉴别。
3、如文档内容存在违规,或者侵犯商业秘密、侵犯著作权等,请点击“违规举报”。

碎片内容

甘肃省渡口码头建设技术标准

确认删除?
VIP
微信客服
  • 扫码咨询
会员Q群
  • 会员专属群点击这里加入QQ群
客服邮箱
回到顶部