电脑桌面
添加小米粒文库到电脑桌面
安装后可以在桌面快捷访问

加固施工方案

加固施工方案_第1页
1/9
加固施工方案_第2页
2/9
加固施工方案_第3页
3/9
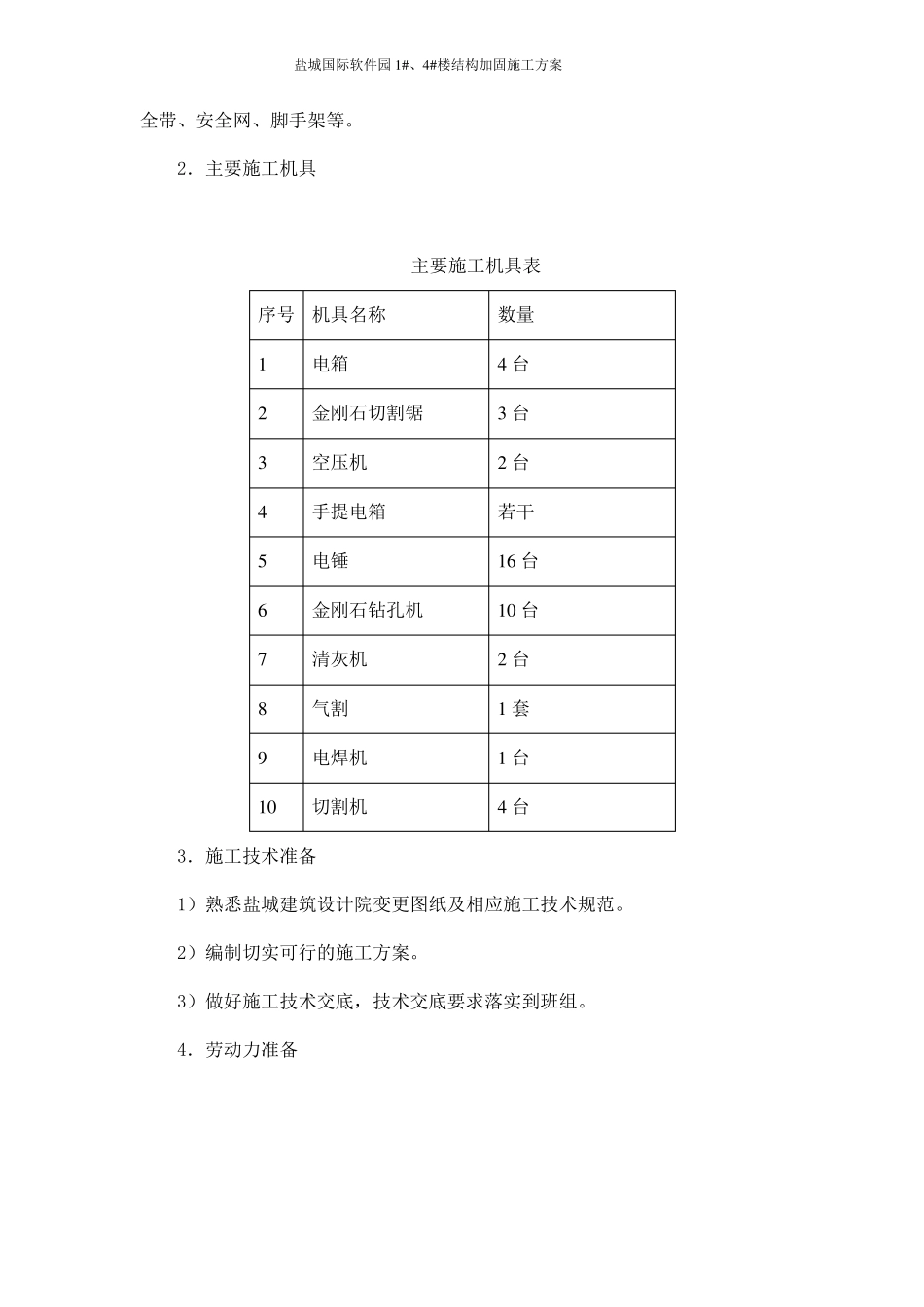
盐城国际软件园 1#、4#楼结构加固施工方案目录一、施工依据二、工程概况三、施工准备四、拆除五、植筋或植栓加固六、基层处理七、钢筋绑扎八、立模、浇砼九、质量控制措施十、安全控制措施十一、组织体系盐城国际软件园 1#、4#楼结构加固施工方案一、施工依据1、盐城市建筑设计院变更图纸。2、盐城市建筑设计院结构加固图。3、《混凝土结构加固技术规范》(CECS25-90)及其它相应规范之规定验收。二、工程概况盐城国际软件园 1#、4#楼工程,位于江苏省盐城经济开发区江西村境内,希望大道东侧,松江路南侧,路北为盐城高教公寓。1#楼建筑面积 28884 平方米,4#楼建筑面积 31285 平方米,建筑面积为 60169 平方米,框剪十五层,地下一层,地上主体十五层,局部四层建筑,建筑总高度 64.5 米。目前我司已施工至主体十一层,根据业主对 1#楼、4#楼裙楼功能的改变及盐城市建筑设计院的变更设计图纸,1#楼:二至三层改为餐厅、四楼为会议室及部分办公房,封闭自动扶梯,取消二至四层○5 轴附近的卫生间等,1#楼在需开洞的○5 轴(烟井、五层氟里昂井),自动扶梯 KL5(1)-1.40 处拆除,局部梁侧绑梁增大断面,部分板上叠加板,4 --○5 轴处自动扶梯变动较大,凡是搁自动扶梯部分梁上加钢筋、;4#楼 C 轴交○的梁均要加 270mm 绑梁,且 C 轴处一、二层挑耳长度相应调整,局部需拆除需对裙楼局部结构进行加固处理。三、施工准备土建工程主要内容包括:拆除工程、结构加固。水电安装部分包括:管线拆除工程、给排水工程、通风工程、电气工程等。1.施工材料准备电锤头、电铲头、水钻头、锤子、钎子、铁锨、撬棍、、植栓胶、安全帽、安盐城国际软件园 1#、4#楼结构加固施工方案全带、安全网、脚手架等。2.主要施工机具主要施工机具表序号机具名称12345678910电箱金刚石切割锯空压机手提电箱电锤金刚石钻孔机清灰机气割电焊机切割机数量4 台3 台2 台若干16 台10 台2 台1 套1 台4 台3.施工技术准备1)熟悉盐城建筑设计院变更图纸及相应施工技术规范。2)编制切实可行的施工方案。3)做好施工技术交底,技术交底要求落实到班组。4.劳动力准备盐城国际软件园 1#、4#楼结构加固施工方案劳动力计划表工种技 术 员质 检 员安 全 员人数111工种植筋技工钢筋工瓦工人数41510工种木工电工人数201四、拆除1#楼在需开洞的○5 轴(烟井、五层氟里昂井),自动扶梯 KL5(1)-1.40 处拆除、需封闭自动扶梯的○7 --○9 轴等位置搭...

1、当您付费下载文档后,您只拥有了使用权限,并不意味着购买了版权,文档只能用于自身使用,不得用于其他商业用途(如 [转卖]进行直接盈利或[编辑后售卖]进行间接盈利)。
2、本站所有内容均由合作方或网友上传,本站不对文档的完整性、权威性及其观点立场正确性做任何保证或承诺!文档内容仅供研究参考,付费前请自行鉴别。
3、如文档内容存在违规,或者侵犯商业秘密、侵犯著作权等,请点击“违规举报”。

碎片内容

加固施工方案

您可能关注的文档

确认删除?
VIP
微信客服
  • 扫码咨询
会员Q群
  • 会员专属群点击这里加入QQ群
客服邮箱
回到顶部