电脑桌面
添加小米粒文库到电脑桌面
安装后可以在桌面快捷访问

压铸模具制造标准

压铸模具制造标准_第1页
1/11
压铸模具制造标准_第2页
2/11
压铸模具制造标准_第3页
3/11
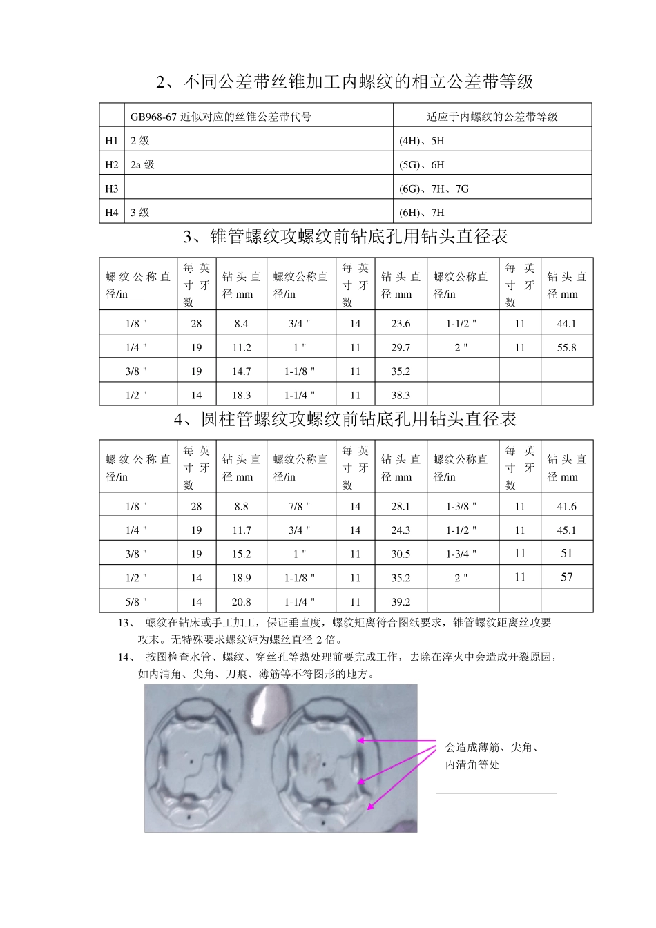
压铸模具制造标准为规范模具制造,保证模具质量,特制定此标准一、总体要求:1、 所有零件按二维图纸尺寸、技术要求制作,检验依据二维图纸2、 CNC 加工采用按 3D 编程,相关公差按二维图要求制作3、 组立组要按总装图要求组合模具及配模4、 发现二维图纸少尺寸、3D 与 2D 不符、制作中出错、安装干涉等情况,及时上报质量组和设计组,由设计组及时做出解决方案,并下发新资料。质量组确认后,有新资料时电脑上错误资料第一时删除。5、 所有零件热处理按图纸要求操作、6、 所有零件表面处理按图纸要求操作7、 所有零件上机加工分中、打表规定,打表要求打长面复查短面,分中要求在毎面中心分中(中心误差超 10mm),同时用量具复查尺寸。二、模芯、滑块1、 材材为 H13 或 DIEVR2、 模芯应图纸硬度要求,要淬火处理。淬火会造成变形及材料内部硬度达到要求,制作工艺路线为粗加工、淬火、精加工、去应力回火(高温腐蚀会造成应力),才能达图纸3、 开粗前外形保证六面垂直度 0.1mm、平行度 0.02mm 以内,4、 外形淬火前放精加工余量,外形按最长面来计算,规定如下:长度宽度300mm 以内长宽均放 1mm,厚放 1.2MM。300~500mm 长宽均放 1~1.5mm,厚放 1.5MM。 500~800mm 长宽均放 1.5~2mm,厚放 2MM。800mm 以上长宽均放 2~2.5mm,厚放 2.5MM。5、 CNC 编程按图编制合理精粗程序,保证质量同时缩短加工时间,减少不必要空刀(采用分段加工)。CNC 操机员按程序参数全部开到 100%,不得改度参数,有问题向编程员反映。6、 CNC 开粗留单边留 1~1.5mm,厚 1.5~2MM 的淬火后精加工余量,注意不能产生内清角(最小不得小于 R2),与外形贯通的槽深不足 30mm,宽不足 60 的不做保护措施,超过时要求两侧底角最小为 R15 或口部连筋,具体分析后确认。反面倒角 C7,4 个 R 角、分流锥(留有效高度 30mm)、料筒等反面台阶处辟空淬火前加工到位。反面倒角 C74 个 R 角辟空料筒台阶处辟空7、 便于精磨、精加工要考虑正面增加凸台,8、 CNC 开粗时留一个有效部位 R 角为切割材料备份而用,国产材料淬火前切割备份,进口材料淬火后切割备份,规格 8x8x20 以上,备份材料刻上模号、材料名称交质量保管。9、 CNC 开粗正反要有工艺螺纹孔,正面图纸上有两个螺纹孔,反面采用模芯固定螺纹孔,最少要四个。10、 淬火前所有销子孔、顶杆孔、回杆孔加工穿线孔(ø5 以下穿孔机加工),单边最少...

1、当您付费下载文档后,您只拥有了使用权限,并不意味着购买了版权,文档只能用于自身使用,不得用于其他商业用途(如 [转卖]进行直接盈利或[编辑后售卖]进行间接盈利)。
2、本站所有内容均由合作方或网友上传,本站不对文档的完整性、权威性及其观点立场正确性做任何保证或承诺!文档内容仅供研究参考,付费前请自行鉴别。
3、如文档内容存在违规,或者侵犯商业秘密、侵犯著作权等,请点击“违规举报”。

碎片内容

压铸模具制造标准

您可能关注的文档

确认删除?
VIP
微信客服
  • 扫码咨询
会员Q群
  • 会员专属群点击这里加入QQ群
客服邮箱
回到顶部