电脑桌面
添加小米粒文库到电脑桌面
安装后可以在桌面快捷访问

发电企业应急能力建设静态评估表VIP免费

发电企业应急能力建设静态评估表_第1页
1/30
发电企业应急能力建设静态评估表_第2页
2/30
发电企业应急能力建设静态评估表_第3页
3/30
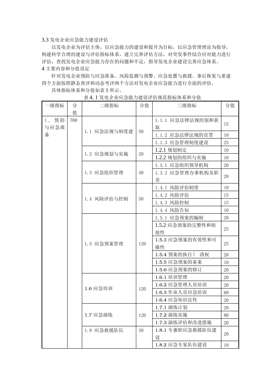
发电企业应急能力建设评估规范1范围本规范规定了发电企业应急能力建设评估的主要内容、分值设置、评估方法、评估得分、评估报告等。本规范主要适用于100MW及以上火力发电企业、50MW及以上水力发电企业应急能力评估工作,风力发电企业和光伏发电企业参照执行。2规范性引用文件下列文件对于本文件的应用是必不可少的。凡是注日期的引用文件,仅注日期的版本适用于本文件。凡是不注日期的引用文件,其最新版本(包括所有的修改单)适用于本文件。GB/T29639生产经营单位生产安全事故应急预案编制导则AQ/T9006企业安全生产标准化基本规范AQ/T9007生产安全事故应急演练指南AQ/T9009生产安全事故应急演练评估指南中华人民共和国主席令2014年第13号中华人民共和国安全生产法中华人民共和国主席令2007年第69号中华人民共和国突发事件应对法国务院令第493号生产安全事故报告和调查处理条例国务院令第599号电力安全事故应急处置和调查处理条例国发〔2005)11号国家突发公共事件总体应急预案国办函(2015)134号国务院办公厅关于印发国家大面积停电事件应急预案的通知国办发(2009)59号国务院办公厅关于加强基层应急队伍建设的意见国办发〔2007)52号国务院办公厅关于加强基层应急管理工作的意见国发〔2006)24号国务院关于加强应急管理工作的意见国家发改委2015第21号令电力安全生产监督管理办法国家安监总局令第74号企业安全生产应急管理九条规定国家安监总局令第88号生产安全事故应急预案管理办法安监总厅应急〔2014)95号生产安全事故应急处置评估暂行办法国能安全〔2014)508号电力企业应急预案管理办法国能安全(2014)953号电力企业应急预案评审与备案细则电监安全〔2009)60号关于加强电力应急体系建设的指导意见电监安全〔2009)22号国家电力监管委员会关于印发《电力突发事件应急演练导则(试行)》等文件的通知电监安全〔2008)43号关于加强重要电力用户供电电源及自备应急电源配置监督管理的意见3术语和定义3.1应急能力应急能力是政府、企事业及社会各类组织应急管理体系中所有要素和应急行为主体有机组合的总体能力。3.2应急体系电力行业各单位充分整合和利用现有资源,在建立和完善本单位“一案三制”的基础上,全面加强应急重要环节的建设,包括:监测预警、应急指挥、应急队伍、物资保障、培训演练、科技支撑、恢复重建等。“一案三制”指应急预案和应急体制、应急机制、应急法制。3.3发电企业应急能力建设评估以发电企业为评估主体,以应急能力的建设和提升为目标,以应急管理理论为指导,构建科学合理的建设与评估指标体系,建立完善评估方法,对突发事件综合应对能力进行评估,查找发电企业应急能力存在的问题和不足,指导发电企业建设完善应急体系。4主要内容和分值设定针对发电企业预防与应急准备、风险监测与预警、应急处置与救援、事后恢复与重建四个方面按照静态查评和动态考评两个方法对发电企业应急能力进行全面的评估。具体指标体系和分值如表1所示。表4.1发电企业应急能力建设评估规范指标体系和分值一级指标分值二级指标分值三级指标分值l.预防与应急准备7001.1应急法规与制度建501.1.1应急法律法规的别和获取151.1.2应急法律法规的宣贯101.1.3应急管理制度建设251.2应急规划与实施201.2.1规划制定101.2.2规划的组织与实施101.3应急组织管理401.3.1应急组织领导机构201.3.2应急管理办事机构及职责201.4风险评估与控制501.4.1风险评估制度101.4.2风险评估151.4.3风险控制151.4.4风险告知101.5应急预案管理1201.5.1应急预案的编制201.5.2应急预案的完整性和衔接性251.5.3应急预案的有效性和可操性251.5.4预案的执行}清祝201.5.5应急预案的备案101.5.6应急预案的修订201.6应急培训1201.6.1培训管理201.6.2应急管理人员培训201.6.3作业人员应急培训601.6.4应急知识宜传201.7应急演练1201.7.1演练计划201.7.2演练实施801.7.3演练评估和改进措施201.8应急救援队伍301.8.1专兼职应急救援队伍建设201.8.2应急专家队伍建设101.9应急物资和装各701.9.1应急物资和装备的配置201.9.2应急物资和装备的维护201.9.3应急物资和装备的日常管理301.10应急经费保障201.10.1计划101.10.2提取101...

1、当您付费下载文档后,您只拥有了使用权限,并不意味着购买了版权,文档只能用于自身使用,不得用于其他商业用途(如 [转卖]进行直接盈利或[编辑后售卖]进行间接盈利)。
2、本站所有内容均由合作方或网友上传,本站不对文档的完整性、权威性及其观点立场正确性做任何保证或承诺!文档内容仅供研究参考,付费前请自行鉴别。
3、如文档内容存在违规,或者侵犯商业秘密、侵犯著作权等,请点击“违规举报”。

碎片内容

发电企业应急能力建设静态评估表

文章天下+ 关注
实名认证
内容提供者

各种文档应有尽有

确认删除?
VIP
微信客服
  • 扫码咨询
会员Q群
  • 会员专属群点击这里加入QQ群
客服邮箱
回到顶部