电脑桌面
添加小米粒文库到电脑桌面
安装后可以在桌面快捷访问

司法鉴定机构仪器设备配置标准

司法鉴定机构仪器设备配置标准_第1页
1/15
司法鉴定机构仪器设备配置标准_第2页
2/15
司法鉴定机构仪器设备配置标准_第3页
3/15
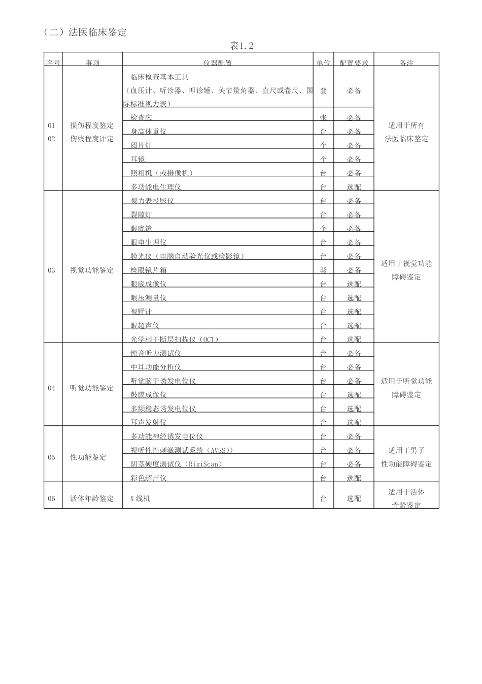
司法鉴定机构仪器设备配置标准司法通【2011】323号一、 法医类(一)法医病理鉴定表1.1序号事项场所尸体解剖台解剖、测量器械照明及消毒系统尸体解剖室进排水系统照相设备抽送风系统录像设备取材台(含取材器械)进排水系统、照明及消毒系统01死亡原因鉴定02死亡方式鉴定03死亡时间鉴定04损伤时间鉴定05致伤物推断鉴定病理切片制片室组织器官取材、储存室组织器官固定存放桶器官标本存放装置抽送风系统录像设备切片设备脱水设备包埋设备染色设备仪器配置单位配置类型台台套套台套台台套套个套台台台台台必备必备必备必备必备选配必备必备必配必备必备选配选配必备必备必备必备必备选配选配选配选配必备必备选配死因鉴定项目应有必备可使用的满足本配置标准要求的毒物分析实验室间选配须配置切片、蜡块存放室(柜)须配置病理切片诊断室应有可使用的病理切片制片室须配置组织器官储存室应有可使用的尸体解剖室备注生物显微镜(放大倍数:40×~400×) 台多人共览显微镜病理切片诊断室图像采集/拍摄系统图像处理系统病理切片全息图像扫描仪切片、蜡块切片存放柜台台台台个个台存放室(柜)蜡块存放柜运尸工具运尸车(包括担架、尸体存放舱等)具备挥发性毒物(含乙醇)、气体类毒物(含 CO)、毒品(阿片类、苯丙胺类、毒物分析实验室大麻类)、有毒药物、有毒植物、动物、 间06法医病理鉴定技术支持影像学检查室杀虫剂、杀鼠药、除草剂、金属毒物和无机毒物检测仪器设备X 线机、螺旋 CT具备血痕、毛发、肌肉、精斑、甲醛固DNA 同一认定实验室 定后组织、组织蜡块、组织切片的DNA同一性比对设备间选配(二)法医临床鉴定表1.2序号事项临床检查基本工具(血压计、听诊器、叩诊锤、关节量角器、直尺或卷尺、国套际标准视力表)检查床 01损伤程度鉴定 02伤残程度评定身高体重仪阅片灯耳镜照相机(或摄像机)多功能电生理仪视力表投影仪裂隙灯眼底镜眼电生理仪验光仪(电脑自动验光仪或检影镜) 03视觉功能鉴定检眼镜片箱眼底成像仪眼压测量仪视野计眼超声仪光学相干断层扫描仪(OCT)纯音听力测试仪中耳功能分析仪 04听觉功能鉴定听觉脑干诱发电位仪鼓膜成像仪多频稳态诱发电位仪耳声发射仪多功能神经诱发电位仪 05性功能鉴定视听性性刺激测试系统(AVSS))阴茎硬度测试仪(RigiScan)彩色超声仪 06活体年龄鉴定 X 线机张台个个台台台台个台台套台台台台台台台台台台台台台台台台必备必备必备必备必备选配必备必备必备必备必备必备选...

1、当您付费下载文档后,您只拥有了使用权限,并不意味着购买了版权,文档只能用于自身使用,不得用于其他商业用途(如 [转卖]进行直接盈利或[编辑后售卖]进行间接盈利)。
2、本站所有内容均由合作方或网友上传,本站不对文档的完整性、权威性及其观点立场正确性做任何保证或承诺!文档内容仅供研究参考,付费前请自行鉴别。
3、如文档内容存在违规,或者侵犯商业秘密、侵犯著作权等,请点击“违规举报”。

碎片内容

司法鉴定机构仪器设备配置标准

确认删除?
VIP
微信客服
  • 扫码咨询
会员Q群
  • 会员专属群点击这里加入QQ群
客服邮箱
回到顶部