电脑桌面
添加小米粒文库到电脑桌面
安装后可以在桌面快捷访问

各类脚手架验收记录表

各类脚手架验收记录表_第1页
1/8
各类脚手架验收记录表_第2页
2/8
各类脚手架验收记录表_第3页
3/8
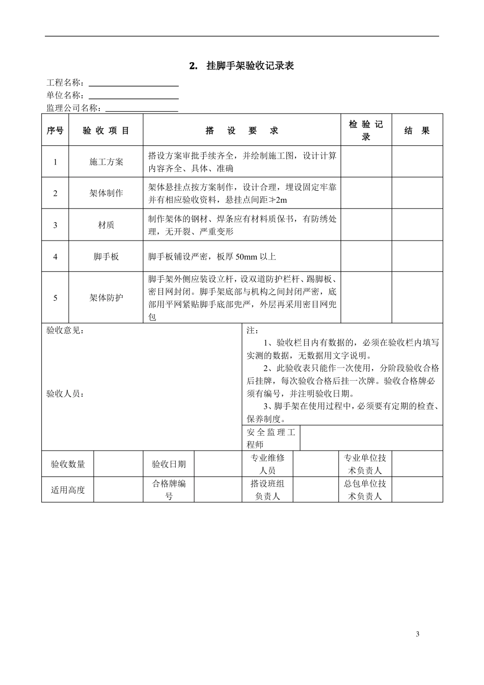
各类脚手架验收记录表目录1.落地式脚手架搭设验收记录表 ....................................................................................................................... 22.挂脚手架验收记录表 ....................................................................................................................................... 33.悬挑式脚手架验收记录表 ............................................................................................................................... 44.吊篮脚手架验收记录表(手动与电动) ....................................................................................................... 55.门型脚手架验收记录表 ................................................................................................................................... 66.安全防护措施搭设验收记录表 ....................................................................................................................... 77.横板支撑系统验收记录表 ............................................................................................................................... 8技术标准:JGJ130 建筑施工扣件式钢管脚手架安全技术规范11.落地式脚手架搭设验收记录表工程名称:单位名称:监理公司名称:序号12345验 收 项 目立杆基础架体与建筑物拉结防护栏杆及网施工层底笆满铺剪刀撑设置搭设要求坚实平整、有排水措施,立杆下铺5cm 厚木板、搭设高>24m,应有基础设计方案拉结点间距、水平、垂直、距离符合要求,拉结材料符合要求,高度>24m 不准采用柔性连接自第二步起设栏杆扶手,按规定设置围档封闭,密目网符合要求,操作层及以下二步设踢脚板踢脚板底笆与大横杆绑扎点不少于 4 点不大于 9m 设一道剪刀撑,夹角为 45°~60°,自下而上连接设置,高度超过 24m 时,在脚手拐角及中间沿纵向每隔 6 跨横向平面内搭设斜杆钢管脚手管外径不得小于 48cm,壁厚不得小于3.5mm,无严重绣蚀、裂纹、变形、扣件紧固力矩 45~50N.m按设计宽度()m 搭设立杆垂直偏差不大于全长的 1/100H,立杆间纵距按设计()m设置,偏差±50mm横平坚直、大横杆的固定间距不大于 6m,挠度不大于杆长 1/150每隔四步设一道隔离措施,第一道隔...

1、当您付费下载文档后,您只拥有了使用权限,并不意味着购买了版权,文档只能用于自身使用,不得用于其他商业用途(如 [转卖]进行直接盈利或[编辑后售卖]进行间接盈利)。
2、本站所有内容均由合作方或网友上传,本站不对文档的完整性、权威性及其观点立场正确性做任何保证或承诺!文档内容仅供研究参考,付费前请自行鉴别。
3、如文档内容存在违规,或者侵犯商业秘密、侵犯著作权等,请点击“违规举报”。

碎片内容

各类脚手架验收记录表

确认删除?
VIP
微信客服
  • 扫码咨询
会员Q群
  • 会员专属群点击这里加入QQ群
客服邮箱
回到顶部