电脑桌面
添加小米粒文库到电脑桌面
安装后可以在桌面快捷访问

品质手册修改

品质手册修改_第1页
1/30
品质手册修改_第2页
2/30
品质手册修改_第3页
3/30
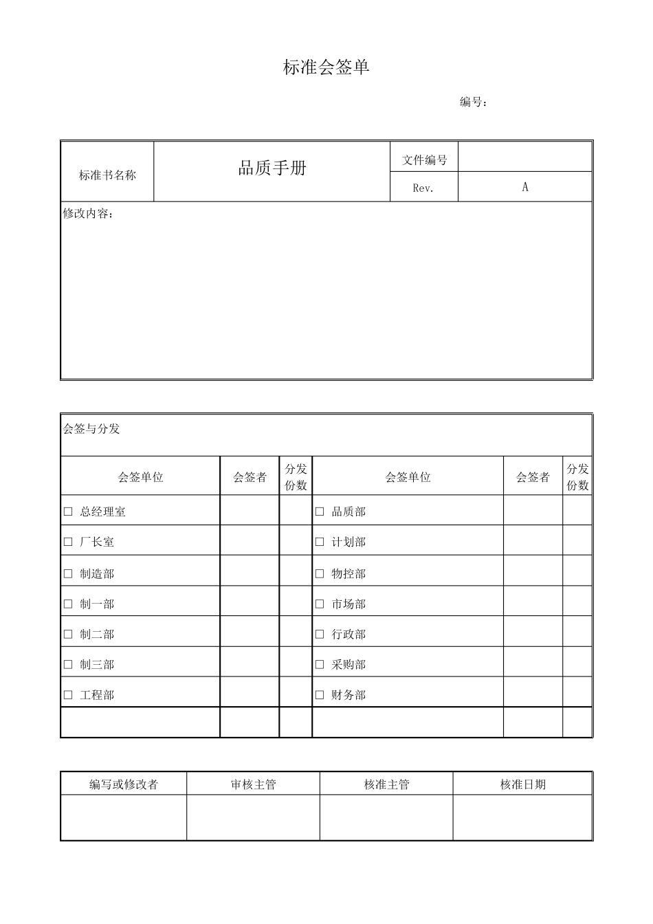
标准会签单编号:文件编号Rev.修改内容:标准书名称品质手册A会签与分发会签单位□ 总经理室□ 厂长室□ 制造部□ 制一部□ 制二部□ 制三部□ 工程部编写或修改者审核主管核准主管核准日期会签者分发份数□ 品质部□ 计划部□ 物控部□ 市场部□ 行政部□ 采购部□ 财务部会签单位会签者分发份数1.目的:规范品质手册之修订、变更、核准及发行等作业。2.范围:适用于所制订符合 ISO9001 2000 版标准要求之品质手册,以作为本手册管理之依据。3.权责:品质手册各章节依权责矩阵图,由各权责主管拟稿,品质部主管汇编后经管理代表审核通过,最后由总经理核准发行。4.定义:无5.内容:5.1 本品质管理系统依据 ISO 9001:2000 版标准之要求而建立。本手册设立之主要目的,为公司全体员工作业之指导纲领。5.2 品质手册依实际需要及运作每年需审核一次,以维持其实用性。5.3 品质手册发行至各单位及评鉴单位或客户等,须保存良好之发行记录,以便追踪修正。5.4 因顾客或评鉴单位之要求,所发行之品保手册,当以复印本发行;并且盖上“仅供参考”章。而该复印件不受修订及换发程序之管制,仅供参考之用。5.5 品质手册之修订、变更、核准及发行等作业方式,依照《文件管制作业程序》执行。5.6 品质手册写作格式分为5.6.1 目的5.6.2 范围5.6.3 内容5.6.4 参考文件。品 质 手 册 目 录项次第 一 章第 二 章第 三 章项目品质管理系统 -----------------------------------管理责任 -----------------------------------资源管理 -----------------------------------页 次第 四 章第 五 章概论1.公司简介产品实现 -----------------------------------量测、分析和改进 -----------------------------------附件一:公司组织图 ---------------------------附件二:品质部组织图 -----------------------附件三:管理系统权责矩阵图 ---------------------附件四:品质保证体系图 -------------------------附件五:品质系统文件架构表 ---------------------附件六:品质目标--------------------------------本公司是一家新兴高科技港资企业,拥有一支经验丰富、敢于创新的PCB 设计、制造、管理团队。着眼于高精密互联的印制电路板市场,通过持续不断地技术创新和一流设备的引进、不断巩固和扩大市场份额。我们坚持以人为本,贯彻公平、团结、创新、细节的企业文化理念;奉行品质一流 客户至上...

1、当您付费下载文档后,您只拥有了使用权限,并不意味着购买了版权,文档只能用于自身使用,不得用于其他商业用途(如 [转卖]进行直接盈利或[编辑后售卖]进行间接盈利)。
2、本站所有内容均由合作方或网友上传,本站不对文档的完整性、权威性及其观点立场正确性做任何保证或承诺!文档内容仅供研究参考,付费前请自行鉴别。
3、如文档内容存在违规,或者侵犯商业秘密、侵犯著作权等,请点击“违规举报”。

碎片内容

品质手册修改

确认删除?
VIP
微信客服
  • 扫码咨询
会员Q群
  • 会员专属群点击这里加入QQ群
客服邮箱
回到顶部