电脑桌面
添加小米粒文库到电脑桌面
安装后可以在桌面快捷访问

变压器油实验报告VIP免费

变压器油实验报告_第1页
1/8
变压器油实验报告_第2页
2/8
变压器油实验报告_第3页
3/8
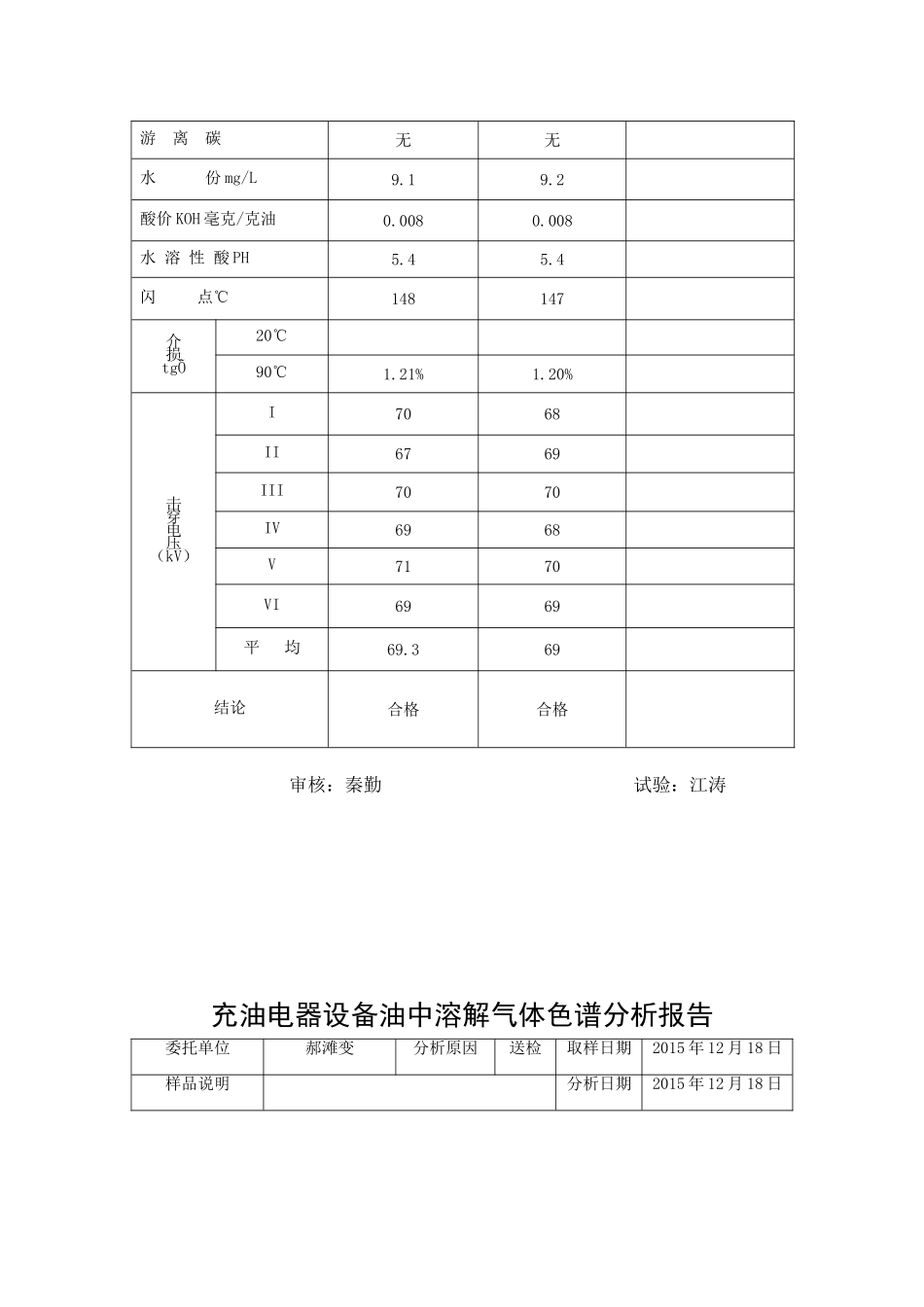
绝缘油质试验报告试验单位郝滩变试验原因送检委托日期2015年10月30日名称项目330kV主变(#3主变)杂质无游离碳无水份mg/L9.2酸价KOH毫克/克油0.008水溶性酸PH5.4闪点℃148介损tgÕ20℃90℃1.22%击穿电压(kV)I69II68III70IV69V68VI69平均68.8结论合格审核:秦勤试验:江涛充油电器设备油中溶解气体色谱分析报告委托单位郝滩变分析原因送检取样日期2015年10月30日样品说明分析日期2015年10月30日项目分析结果ul/l设备名称330kV主变(#3主变)氢H20氧O2/一氧化碳CO2二氧化碳CO2141甲烷CH40.56乙烷C2H60乙烯C2H40丙烷C3H8/乙炔C2H20丙烯C3H6/总烃(C1+C2)0.56结论正常备注审核:秦勤试验:江涛绝缘油质试验报告试验单位郝滩变试验原因送检委托日期2015年12月19日名称项目330kV主变(#2主变试验后)330kV主变(#3主变试验后)杂质无无游离碳无无水份mg/L9.19.2酸价KOH毫克/克油0.0080.008水溶性酸PH5.45.4闪点℃148147介损tgÕ20℃90℃1.21%1.20%击穿电压(kV)I7068II6769III7070IV6968V7170VI6969平均69.369结论合格合格审核:秦勤试验:江涛充油电器设备油中溶解气体色谱分析报告委托单位郝滩变分析原因送检取样日期2015年12月18日样品说明分析日期2015年12月18日项目分析结果ul/l设备名称330kV主变(#2主变试验后)330kV主变(#3主变试验后)氢H200氧O2//一氧化碳CO22二氧化碳CO2139142甲烷CH40.540.56乙烷C2H600乙烯C2H400丙烷C3H8//乙炔C2H200丙烯C3H6//总烃(C1+C2)0.540.56结论正常正常备注审核:秦勤试验:江涛绝缘油质试验报告试验单位郝滩变试验原因送检委托日期2015年10月30日名称项目330kV主变(#3主变有载调压注油后)ABC杂质无无无游离碳无无无水份mg/L9.89.29.5酸价KOH毫克/克油0.0060.0080.008水溶性酸PH5.45.45.4闪点℃144144144介损tgÕ20℃90℃1.01%1.11%1.02%击穿电压(kV)I686667II636769III666866IV696469V626662VI666362平均65.665.665.7结论合格合格合格审核:秦勤试验:江涛绝缘油质试验报告试验单位郝滩变试验原因送检委托日期2015年11月6日名称项目330kV主变(#2主变有载调压注油后)A相B相C相杂质无无无游离碳无无无水份mg/L9.39.59.3酸价KOH毫克/克油0.0080.0080.008水溶性酸PH5.45.45.4闪点℃142144144介损tgÕ20℃90℃1.15%1.05%1.08%击穿电压(kV)I706568II646669III656364IV627062V626465VI666269平均64.865.066.1结论合格合格合格审核:秦勤试验:江涛绝缘油质试验报告试验单位郝滩变试验原因送检委托日期2015年12月18日名称项目330kV主变(#2主变有载调压试验后)ABC杂质无无无游离碳无无无水份mg/L9.89.89.8酸价KOH毫克/克油0.0060.0060.006水溶性酸PH5.45.45.4闪点℃144144144介损tgÕ20℃90℃1.02%1.02%1.02%击穿电压(kV)I676561II657068III696463IV666970V636565VI676063平均66.165.565.0结论合格合格合格审核:秦勤试验:江涛绝缘油质试验报告试验单位郝滩变试验原因送检委托日期2015年12月18日名称项目330kV主变(#3主变有载调压试验后)ABC杂质无无无游离碳无无无水份mg/L9.59.39.5酸价KOH毫克/克油0.0040.0060.006水溶性酸PH5.45.45.4闪点℃144142144介损tgÕ20℃90℃1.05%1.05%1.05%击穿电压(kV)I706268II646964III656971IV687064V636168VI696564平均66.566.066.5结论合格合格合格审核:秦勤试验:江涛

1、当您付费下载文档后,您只拥有了使用权限,并不意味着购买了版权,文档只能用于自身使用,不得用于其他商业用途(如 [转卖]进行直接盈利或[编辑后售卖]进行间接盈利)。
2、本站所有内容均由合作方或网友上传,本站不对文档的完整性、权威性及其观点立场正确性做任何保证或承诺!文档内容仅供研究参考,付费前请自行鉴别。
3、如文档内容存在违规,或者侵犯商业秘密、侵犯著作权等,请点击“违规举报”。

碎片内容

变压器油实验报告

您可能关注的文档

确认删除?
VIP
微信客服
  • 扫码咨询
会员Q群
  • 会员专属群点击这里加入QQ群
客服邮箱
回到顶部