电脑桌面
添加小米粒文库到电脑桌面
安装后可以在桌面快捷访问

第二届全国数控技能大赛数控铣理论竞赛试题

第二届全国数控技能大赛数控铣理论竞赛试题_第1页
1/9
第二届全国数控技能大赛数控铣理论竞赛试题_第2页
2/9
第二届全国数控技能大赛数控铣理论竞赛试题_第3页
3/9
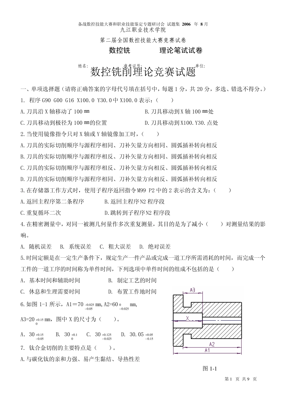
备战数控技能大赛和职业技能鉴定专题研讨会 试题集 2 0 0 6年 8 月 九江职业技术学院 第二届全国数控技能大赛竞赛试卷 数控铣 理论笔试试卷 姓名: 准考证号: 单位: 数控铣削理论竞赛试题 一、单项选择题(请将正确答案的字母代号填在括号中,每题1 分,共 20 分,多选、错选不得分。) 1. 程序 G90 G00 G16 X100.0 Y30.0 中 X100.0 表示:( ) A.刀具沿 X 轴移动了 100 ㎜ B.刀具移动到X 轴 100 ㎜处 C.刀具移动到极径为 100 ㎜的位置 D.刀具移动到 X100.Y30.点处 2.当使用镜像指令只对 X 轴或 Y 轴镜像加工时,( ) A.刀具的实际切削顺序与源程序相同、刀补矢量方向相同、圆弧插补转向相反 B.刀具的实际切削顺序与源程序相反、刀补矢量方向相同、圆弧插补转向相反 C.刀具的实际切削顺序与源程序相反、刀补矢量方向相反、圆弧插补转向相反 D.刀具的实际切削顺序与源程序相同、刀补矢量方向相反、圆弧插补转向相反 3.在存储器工作方式时,使用子程序返回指令 M99 P2 中的 2 表示的含义为:( ) A.返回主程序第二条程序 B.返回主程序N2 程序段 C.重复循环二次 D.跳转到子程序N2 程序段 4.在精密测量中,对同一被测几何量作多次重复测量,其目的是为了减小( )对测量结果的影响。 A. 随机误差 B. 系统误差 C. 粗大误差 D. 绝对误差 5.时间定额是在一定生产条件下 ,规 定生产一件产品 或完 成 一道 工序所 需 消 耗 的时间,而 完 成 一个工件的一道 工序的时间称 为单件时间,下 列 选项中单件时间的组 成 不包 括的是( ) A. 基 本 时间和辅 助 时间 B. 制 定工艺 的时间 图 1 -1 C. 休 息 和生理需 要 时间 D. 布 置工作地 时间 6.如 图 1-1 所 示,A1= 70mm,A2=60mm, 0 2 5.00 5.0−−00 2 5.0−A3=20mm,图 中 X 的尺 寸 为( )。 1 5.00+A. 30 B. 30 C. 30 D. 30.05 1 5.00 5.0+−1.00+1 2 5.00 2 5.0+−0 5.01 5.0+−7. 钛 合 金 切削的主要 特 点是( )。 A.与碳 化 钛 的亲 和力 强 、易 产生黏 结、导 热 性 差 第 1 页 共 9 页 备 战 数 控 技 能 大 赛 和 职 业 技 能 鉴 定 专 题 研 讨 会 试 题 集 2 0 0 6年 8 月 九江职业技术学院 第二届全国数控技能大赛竞赛试卷 数控铣 理论笔试试卷 ...

1、当您付费下载文档后,您只拥有了使用权限,并不意味着购买了版权,文档只能用于自身使用,不得用于其他商业用途(如 [转卖]进行直接盈利或[编辑后售卖]进行间接盈利)。
2、本站所有内容均由合作方或网友上传,本站不对文档的完整性、权威性及其观点立场正确性做任何保证或承诺!文档内容仅供研究参考,付费前请自行鉴别。
3、如文档内容存在违规,或者侵犯商业秘密、侵犯著作权等,请点击“违规举报”。

碎片内容

第二届全国数控技能大赛数控铣理论竞赛试题

确认删除?
VIP
微信客服
  • 扫码咨询
会员Q群
  • 会员专属群点击这里加入QQ群
客服邮箱
回到顶部