电脑桌面
添加小米粒文库到电脑桌面
安装后可以在桌面快捷访问

35kV配电柜安装分部工程质量验收评定表

35kV配电柜安装分部工程质量验收评定表_第1页
1/69
35kV配电柜安装分部工程质量验收评定表_第2页
2/69
35kV配电柜安装分部工程质量验收评定表_第3页
3/69
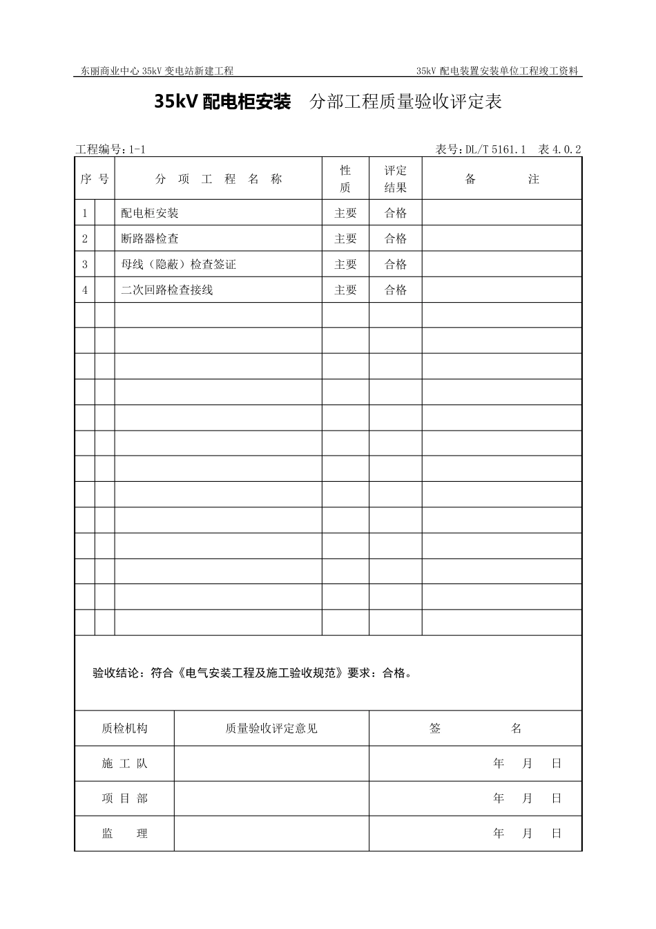
东丽商业中心 35kV 变电站新建工程 35kV 配电装置安装单位工程竣工资料 35kV 配 电 装 置 安 装 单位工程质量验收评定表 工程编号: 表号:DL/T 5161.1 表 4.0.3 序 号 分 部 工 程 名 称 评定 结果 备 注 1 35kV 配电柜安装 2 变压器安装 3 控制室二次设备安装 4 接地装置安装 5 电缆敷设 6 应 有 资 料 份 实 有 资 料 份 资料核查结论 有未因施工的原因造成设备严重损坏 有未发生过因接地及短路事故造成设备严重损坏 验收结论: 质检机构 质量验收评定意见 签 名 施 工 队 年 月 日 项 目 部 年 月 日 监 理 年 月 日 东丽商业中心 35kV 变电站新建工程 35kV 配电装置安装单位工程竣工资料 35kV 配 电 柜 安装 分部工程质量验收评定表 工程编号:1-1 表号:DL/T 5161.1 表 4.0.2 序 号 分 项 工 程 名 称 性 质 评定 结果 备 注 1 配电柜安装 主要 合格 2 断路器检查 主要 合格 3 母线(隐蔽)检查签证 主要 合格 4 二次回路检查接线 主要 合格 验收结论:符合《电气安装工程及施工验收规范》要求:合格。 质检机构 质量验收评定意见 签 名 施 工 队 年 月 日 项 目 部 年 月 日 监 理 年 月 日 东 丽 商 业 中 心 35kV 变 电 站 新 建 工 程 35kV 配 电 装 置 安 装 单 位 工 程 竣 工 资 料 1UG 配 电 柜 安装 分 项 工 程 质 量 检 验 评 定 表 工 程 编 号 : 1-1-1 表 号 : DL/T 5161.8 表 2.0.1 工 序 检 验 项 目 性 质 单 位 质 量 标 准 质 量 检 验 结 果 单 项 评 定 柜 体 就 位 找 正 间 隔 布 置 主 要 按 设 计 规 定 符 合 设 计 规 定 合 格 垂 直 度 ( 每 米 ) 主 要 mm < 1.5 1 合 格 水平 误差 相 邻 两 柜 顶 部 mm < 2 1 合 格 成 列 柜 顶 部 mm < 5 2 合 格 盘面 误差 相 邻 两 柜 边 mm < 1 0.5 合 格 成 列 柜 面 mm < 5 2 合 格 柜 体 固 定 柜 间 接 缝 mm < 2 0.5 合 格 螺 栓 固 定 牢 固 牢 固 合 格 紧 固 件 检 查 完 好 、 齐 全 完 好 、 齐 全 合 格 紧 固 件 表 面 处 理 镀 锌 镀 锌 合 格 震 动...

1、当您付费下载文档后,您只拥有了使用权限,并不意味着购买了版权,文档只能用于自身使用,不得用于其他商业用途(如 [转卖]进行直接盈利或[编辑后售卖]进行间接盈利)。
2、本站所有内容均由合作方或网友上传,本站不对文档的完整性、权威性及其观点立场正确性做任何保证或承诺!文档内容仅供研究参考,付费前请自行鉴别。
3、如文档内容存在违规,或者侵犯商业秘密、侵犯著作权等,请点击“违规举报”。

碎片内容

35kV配电柜安装分部工程质量验收评定表

您可能关注的文档

小辰+ 关注
实名认证
内容提供者

出售各种文档和资料

确认删除?
VIP
微信客服
  • 扫码咨询
会员Q群
  • 会员专属群点击这里加入QQ群
客服邮箱
回到顶部