电脑桌面
添加小米粒文库到电脑桌面
安装后可以在桌面快捷访问

3粗铣后钢板弹簧吊耳内侧端面

3粗铣后钢板弹簧吊耳内侧端面_第1页
1/12
3粗铣后钢板弹簧吊耳内侧端面_第2页
2/12
3粗铣后钢板弹簧吊耳内侧端面_第3页
3/12
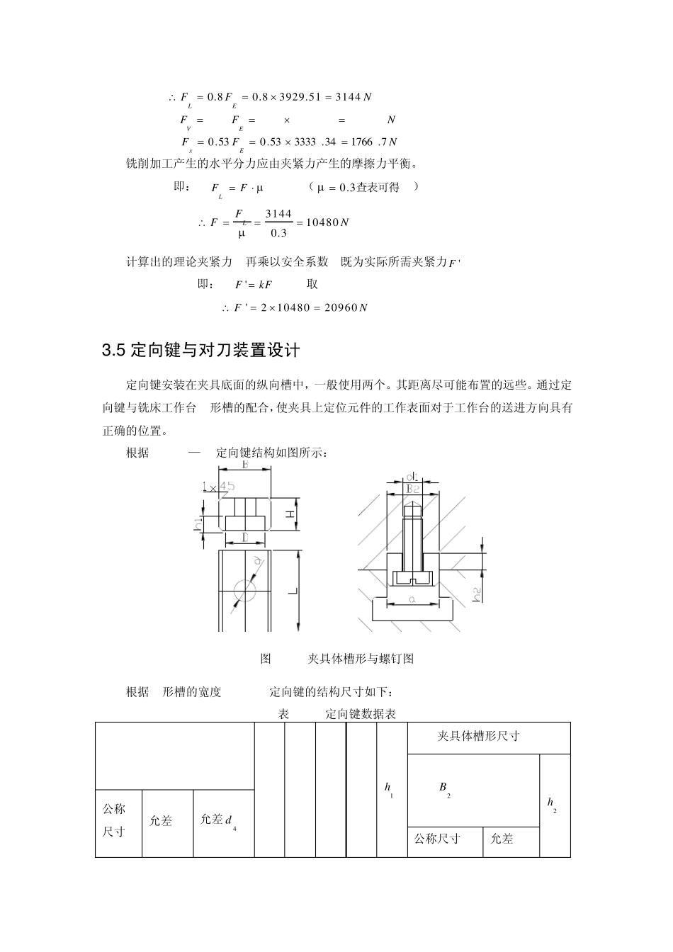
3 粗铣后钢板弹簧吊耳内侧端面夹具设计 3 .1 粗铣后钢板弹簧吊耳内侧端面夹具设计 本夹具主要用来粗铣后钢板弹簧吊耳内侧端面。由加工本道工序的工序简图可知。粗铣后钢板弹簧吊耳内侧端面时,均有表面粗糙度要求1 2 .5m。本道工序仅是对内侧端面进行粗加工。工件以3 7 mm孔及端面和叉杆面为定位基准,在带台肩长销和浮动支承半板上实现完全定位。夹紧时,首先由螺母和开口垫圈夹紧 3 7 mm孔两端面,再用DQG型汽缸通过铰链杠杆机构带动浮动压块在工件叉杆处夹紧。在本道工序加工时,还应考虑提高劳动生产率,降低劳动强度。同时应保证加工尺寸精度和表面质量。 3 .2 定位方案的分析和定位基准的选择 在进行后钢板弹簧吊耳内侧端面粗铣加工工序时, 6 0 mm外圆端面已经精铣, 3 7 mm工艺孔已经加工出。很容易想到一面一孔组合基准定位,以在带台肩长销为第一定位基准限制工件的四个自由度,端面应一点接触,限制一个自由度,工件以 3 7 mm孔及端面和叉杆面为定位基准,在带台肩长销和浮动支撑板上实现完全定位。夹紧时,首先由螺母和开口垫圈夹紧3 7 mm孔两端面,再用汽缸通过铰链杠杆机构带动浮动压块在工件叉杆处夹紧。 图 3.1 定位机构图 3 .3 定位误差分析 本工序选用的工件以圆孔在定位销上定位,定位销为水平放置,由于定位副间存在径向间隙,因此必将引起径向基准位移误差。在重力作用下定位副只存在单边间隙,即工件始终以孔壁与心轴上母线接触,故此时的径向基准位移误差仅存在Z 轴方向,且向下,见下图。 0.0120.0230.0320.0672DYzTTd  式中  ——定位副间的最小配合间隙(m m ); DT ——工件圆孔直径公差(m m ); Td ——定位销外圆直径公差(m m )。 图3.2 定位销水平放置时定位分析图 3 .4 铣削力与夹紧力计算 根据《机械加工工艺手册》可查得: 铣削力计算公式为 圆周分力 1.00.750.880.8709.8196.7pfeFzFzaaaZdk 式(3-1) 查表可得:050dmm 6Z  92eamm 0.08/fam mz 1.5pam m 06.1Fzk 代入公式(3-1)得 0.750.879.8196.71.50.08926501.06zF =3929.51N 查表可得铣削水平分力、垂直分力、轴向分力与圆周分力的比值为:8.0/ELFF /0.75VEFF /0.4xEFF 0 .80 .83 9 2 9 .5 13 1 4 4LEFFN VEFFN NFFEx7.1 7 6 63 4.3 3 3 35 3.05...

1、当您付费下载文档后,您只拥有了使用权限,并不意味着购买了版权,文档只能用于自身使用,不得用于其他商业用途(如 [转卖]进行直接盈利或[编辑后售卖]进行间接盈利)。
2、本站所有内容均由合作方或网友上传,本站不对文档的完整性、权威性及其观点立场正确性做任何保证或承诺!文档内容仅供研究参考,付费前请自行鉴别。
3、如文档内容存在违规,或者侵犯商业秘密、侵犯著作权等,请点击“违规举报”。

碎片内容

3粗铣后钢板弹簧吊耳内侧端面

您可能关注的文档

确认删除?
VIP
微信客服
  • 扫码咨询
会员Q群
  • 会员专属群点击这里加入QQ群
客服邮箱
回到顶部