电脑桌面
添加小米粒文库到电脑桌面
安装后可以在桌面快捷访问

400V开关柜专用技术规范

400V开关柜专用技术规范_第1页
1/15
400V开关柜专用技术规范_第2页
2/15
400V开关柜专用技术规范_第3页
3/15
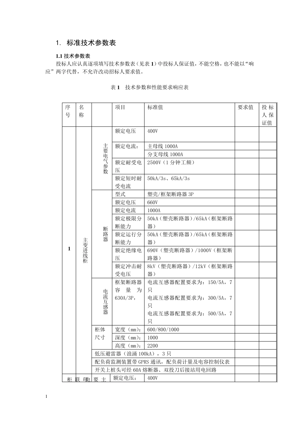
(2011 年版) 400V 开关柜 专用技术规范 (编号:) 目录 1. 标准技术参数表 ..................................................................................................................................... 1 1.1 技术参数表 ....................................................................................................................... 1 1.2 试验标准及要求 ............................................................................................................... 5 1.3 型式试验 ........................................................................................................................... 5 1.4 出厂试验 .......................................................................................................................... 6 1.5 现场试验 .......................................................................................................................... 6 1.6 包装及运输 ...................................................................................................................... 6 2. 项目需求部分 ......................................................................................................................................... 6 2.1 图纸资料提交单位 ........................................................................................................ 7 2.2 工程概况 .......................................................................................................................... 7 2.3 使用条件 ........................................................................................................................ 7 2.4 可选技术参数表 .............................................................................................................. 8 2.5 项目单位技术差异表 ...................................................................................................... 8 2.6 报警和跳闸触点参数表 ..................................................................

1、当您付费下载文档后,您只拥有了使用权限,并不意味着购买了版权,文档只能用于自身使用,不得用于其他商业用途(如 [转卖]进行直接盈利或[编辑后售卖]进行间接盈利)。
2、本站所有内容均由合作方或网友上传,本站不对文档的完整性、权威性及其观点立场正确性做任何保证或承诺!文档内容仅供研究参考,付费前请自行鉴别。
3、如文档内容存在违规,或者侵犯商业秘密、侵犯著作权等,请点击“违规举报”。

碎片内容

400V开关柜专用技术规范

您可能关注的文档

小辰4+ 关注
实名认证
内容提供者

出售各种资料和文档

确认删除?
VIP
微信客服
  • 扫码咨询
会员Q群
  • 会员专属群点击这里加入QQ群
客服邮箱
回到顶部