电脑桌面
添加小米粒文库到电脑桌面
安装后可以在桌面快捷访问

5V稳压IC方案HT7050规格书

5V稳压IC方案HT7050规格书_第1页
1/15
5V稳压IC方案HT7050规格书_第2页
2/15
5V稳压IC方案HT7050规格书_第3页
3/15
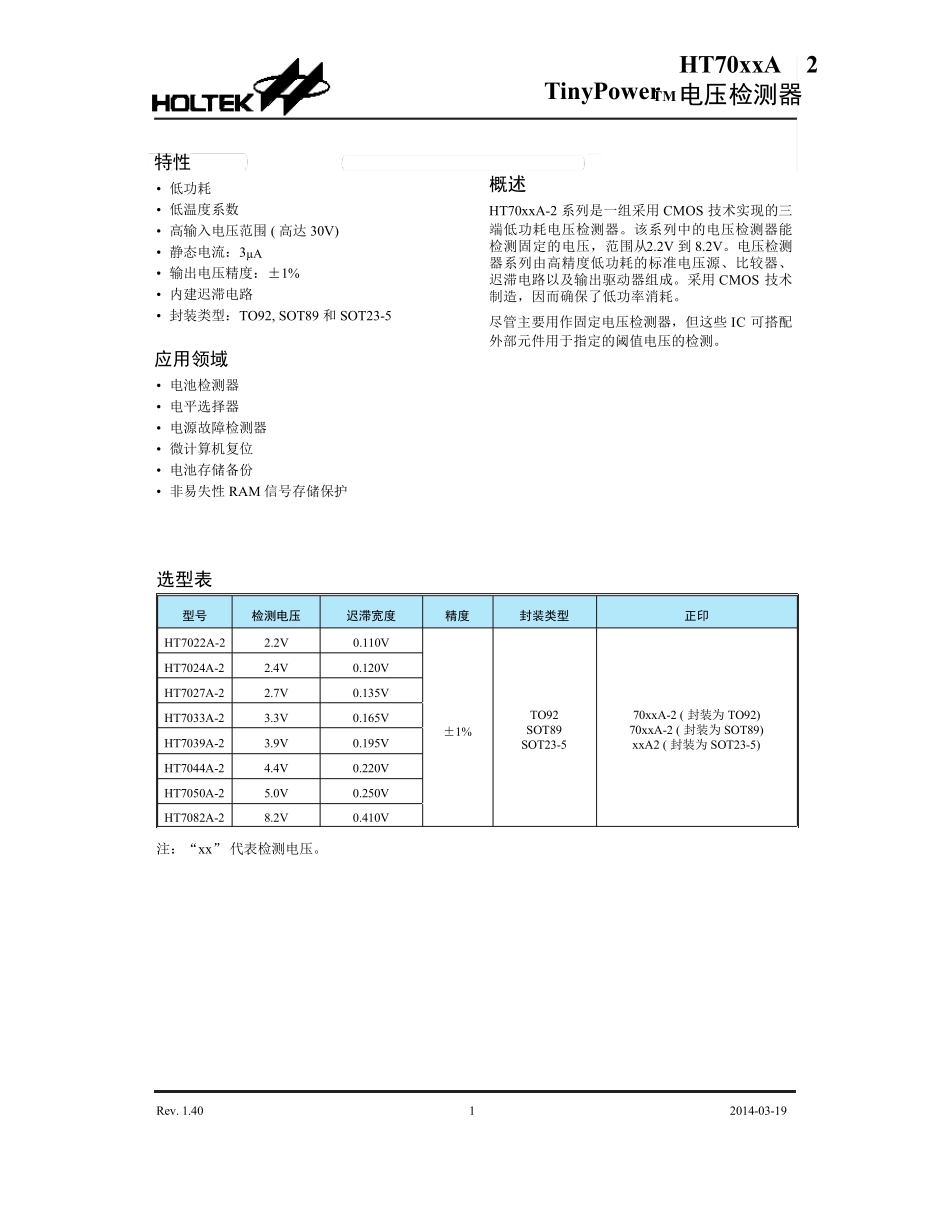
Rev. 1.4012014-03-19HT70xxA-2TinyPowerTM电压检测器特性• 低功耗• 低温度系数• 高输入电压范围 ( 高达 30V)• 静态电流:3µA• 输出电压精度:±1%• 内建迟滞电路• 封装类型:TO92, SOT89 和 SOT23-5应用领域• 电池检测器• 电平选择器• 电源故障检测器• 微计算机复位• 电池存储备份• 非易失性RAM 信号存储保护概述HT70xxA-2 系列是一组采用CMOS 技术实现的三端低功耗电压检测器。该系列中的电压检测器能检测固定的电压,范围从 2.2V 到 8.2V。电压检测器系列由高精度低功耗的标准电压源、比较器、迟滞电路以及输出驱动器组成。采用 CMOS 技术制造,因而确保了低功率消耗。尽管主要用作固定电压检测器,但这些 IC 可搭配外部元件用于指定的阈值电压的检测。选型表型号 检测电压 迟滞宽度精度封装类型正印HT7022A-22.2V0.110V±1%TO92 SOT89 SOT23-570xxA-2 ( 封装为 TO92) 70xxA-2 ( 封装为 SOT89) xxA2 ( 封装为 SOT23-5)HT7024A-22.4V0.120VHT7027A-22.7V0.135VHT7033A-23.3V0.165VHT7039A-23.9V0.195VHT7044A-24.4V0.220VHT7050A-25.0V0.250VHT7082A-28.2V0.410V注:“xx” 代表检测电压。Rev. 1.4022014-03-19HT70xxA-2de方框图N 沟道开漏输出(常开,低有效)输出表格和曲线图VDDVDD>VDET(+)VDD≤VDET(−)VOUTHi-ZVSS . . .d . . .引 脚 图Rev. 1.4032014-03-19HT70xxA-2极限参数电源供应电压 .............................................................................................................................VSS-0.3V ~ VSS+33V输出电压 ................................................................................................................................... VSS-0.3V ~ VDD+0.3V输出电流 .............................................................................................................................................................50mA功耗 ..................................................................................................................................................................200mW储存温度范围 ....................................................................................................................................................

1、当您付费下载文档后,您只拥有了使用权限,并不意味着购买了版权,文档只能用于自身使用,不得用于其他商业用途(如 [转卖]进行直接盈利或[编辑后售卖]进行间接盈利)。
2、本站所有内容均由合作方或网友上传,本站不对文档的完整性、权威性及其观点立场正确性做任何保证或承诺!文档内容仅供研究参考,付费前请自行鉴别。
3、如文档内容存在违规,或者侵犯商业秘密、侵犯著作权等,请点击“违规举报”。

碎片内容

5V稳压IC方案HT7050规格书

确认删除?
VIP
微信客服
  • 扫码咨询
会员Q群
  • 会员专属群点击这里加入QQ群
客服邮箱
回到顶部