电脑桌面
添加小米粒文库到电脑桌面
安装后可以在桌面快捷访问

安全管理方案

安全管理方案_第1页
1/10
安全管理方案_第2页
2/10
安全管理方案_第3页
3/10
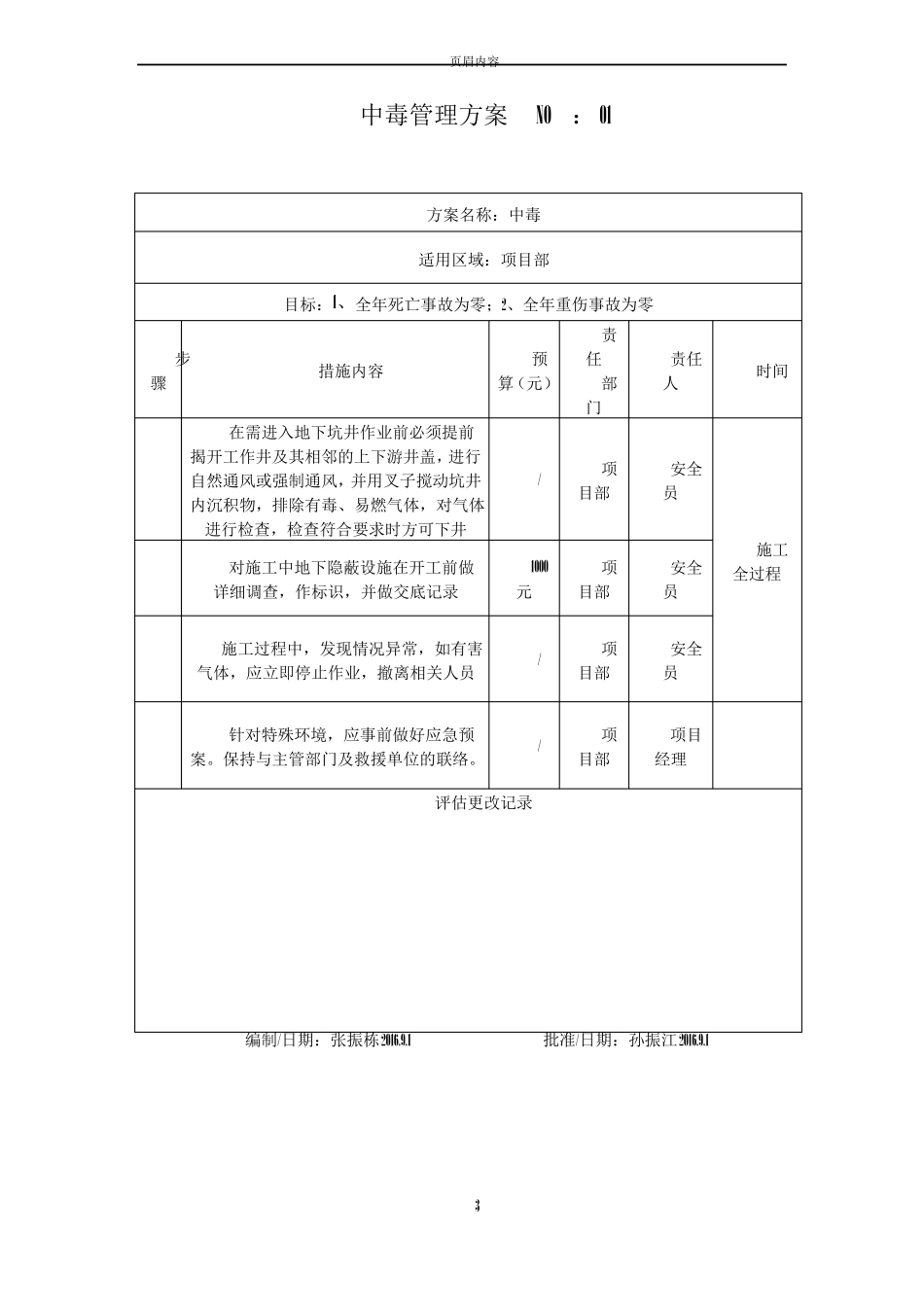
页眉内容安全管理方案2016编制:工程部汇编09 月批准:孙振江1日年1页眉内容目 录1、中毒管理方案2、机械伤害、物体打击、起重伤害管理方案3、触电管理方案4、高处坠落、倒塌、坍塌管理方案5、火灾、爆炸管理方案2页眉内容中毒管理方案 NO: 01方案名称:中毒适用区域:项目部目标:1、全年死亡事故为零;2、全年重伤事故为零步骤预算(元)责任部门责任人措施内容时间在需进入地下坑井作业前必须提前揭开工作井及其相邻的上下游井盖,进行自然通风或强制通风,并用叉子搅动坑井内沉积物,排除有毒、易燃气体,对气体进行检查,检查符合要求时方可下井对施工中地下隐蔽设施在开工前做详细调查,作标识,并做交底记录施工过程中,发现情况异常,如有害气体,应立即停止作业,撤离相关人员/项目部安全员施工全过程1000元项目部项目部安全员安全员/针对特殊环境,应事前做好应急预案。保持与主管部门及救援单位的联络。/项目部项目经理评估更改记录编制/日期:张振栋 2016.9.1批准/日期:孙振江 2016.9.13页眉内容机械伤害、物体打击、起重伤害管理方案 NO :02方案名称:机械伤害、物体打击、起重伤害适用区域:工程部目标:1、全年死亡事故为零;2、全年重伤事故为零步骤预算(元)责任部门工程部责任人措施内容时间推土机在沟边作业时,须有专人指挥,其垂直边坡高度不得超过2m,在填沟作业驶近边坡时,刀片不得越过边缘,后退时应先换挡,方可提升刀片进行倒车机械操作手必须持证上岗,作业完后将机械停放在平坦、安全的地方,将内燃机熄灭,拉上手制动器后,方可离开驾驶室.打桩机、钻机在作业中,严禁闲杂人员上机或接近机械,发现机械运转不正常、有异常响声时应立即停机检修.作业中,当发生故障设备不能继续工作时,应立即切断电源,排除故障后方可使用,严禁在运转中进行维修.盘踞上方必须安装保险挡板和滴水装置,在锯片后面,离齿10~15mm处,必须安装弧形刀片,锯片的安装应保持与轴同心挖土机工作半径内严禁有人进行找平或清底各种防护设施、安全装置应齐全完好,外露的转动部分必须设置可靠的防护罩或防护栏杆起重机械使用前编制安全技术措施方案同时与作业人员进行方案交底,加强现场监督检查材料堆放严格按规范堆放,禁止超高堆放,管理人员加强巡查/安全员/操作手操作手操作手操作手设备管理员安全员安全员安全员安全员/工程部工程部工程部工程部工程部工程部工程部工程部//施工全过程100元/500//4页眉内容评估更改记录...

1、当您付费下载文档后,您只拥有了使用权限,并不意味着购买了版权,文档只能用于自身使用,不得用于其他商业用途(如 [转卖]进行直接盈利或[编辑后售卖]进行间接盈利)。
2、本站所有内容均由合作方或网友上传,本站不对文档的完整性、权威性及其观点立场正确性做任何保证或承诺!文档内容仅供研究参考,付费前请自行鉴别。
3、如文档内容存在违规,或者侵犯商业秘密、侵犯著作权等,请点击“违规举报”。

碎片内容

安全管理方案

您可能关注的文档

确认删除?
VIP
微信客服
  • 扫码咨询
会员Q群
  • 会员专属群点击这里加入QQ群
客服邮箱
回到顶部