电脑桌面
添加小米粒文库到电脑桌面
安装后可以在桌面快捷访问

AXI总线中文详解

AXI总线中文详解_第1页
1/26
AXI总线中文详解_第2页
2/26
AXI总线中文详解_第3页
3/26
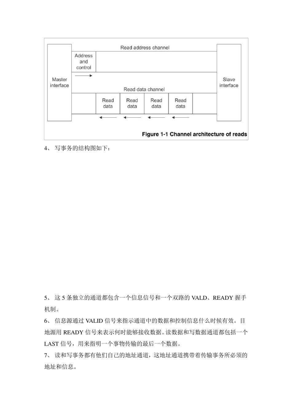
AXI 总线协议资料整理 第一部分: 1 、AXI 简介:AXI(Advanced eXtensible Interface)是一种总线协议,该协议是ARM 公司提出的 AMBA(Advanced Microcontroller Bus Architecture)3.0 协议中最重要的部分,是一种面向高性能、高带宽、低延迟的片内总线。它的地址/控制和数据相位是分离的,支持不对齐的数据传输,同时在突发传输中,只需要首地址,同时分离的读写数据通道、并支持显著传输访问和乱序访问,并更加容易就行时序收敛。AXI 是 AMBA 中一个新的高性能协议。AXI 技术丰富了现有的 AMBA 标准内容,满足超高性能和复杂的片上系统( SoC)设计的需求。 2、 AXI 特点: 单向通道体系结构。信息流只以单方向传输,简化时钟域间的桥接,减少门数量。当信号经过复杂的片上系统时,减少延时。 支持多项数据交换。通过并行执行猝发操作,极大地提高了数据吞吐能力,可在更短的时间内完成任务,在满足高性能要求的同时,又减少了功耗。 独立的地址和数据通道。地址和数据通道分开 ,能对每 一个通道进 行单独优化,可以根 据需要控制时序通道,将 时钟频 率 提到 最高,并将 延时降 到 最低。 第二 部分: 本 部分对 AXI1.0 协议的各 章 进 行整理。 第一章 本 章 主 要介绍 AXI 协议和 AXI 协议定 义 的基 础 事 务。 1、 AXI 总线共 有 5 个通道分别 是 read address channel 、 w rite address channel 、 read data channel 、 w rite data channel、 w rite response channel。每 一个 AXI 传输通道都 是单方向的。 2、 每 一个事 务都 有地址和控制信息在地址通道(address channel)中,用 来 描述 被 传输数据的性质 。 3、 读事 务的结构图 如 下 : 4、 写事务的结构图如下: 5、 这 5 条独立的通道都包含一个信息信号和一个双路的 VALD、READY 握手机制。 6、 信息源通过 VALID 信号来指示通道中的数据和控制信息什么时候有效。目地源用 READY 信号来表示何时能够接收数据。读数据和写数据通道都包括一个LAST 信号,用来指明一个事物传输的最后一个数据。 7、 读和写事务都有他们自己的地址通道,这地址通道携带着传输事务所必须的地址和信息。 8、 读数据通道传送着从设备到主机的读数据和读响应信息。读响应信息指明读事务的完成状态。 9、 写数据通路传送着主机向设备的写数据。每八个数据都...

1、当您付费下载文档后,您只拥有了使用权限,并不意味着购买了版权,文档只能用于自身使用,不得用于其他商业用途(如 [转卖]进行直接盈利或[编辑后售卖]进行间接盈利)。
2、本站所有内容均由合作方或网友上传,本站不对文档的完整性、权威性及其观点立场正确性做任何保证或承诺!文档内容仅供研究参考,付费前请自行鉴别。
3、如文档内容存在违规,或者侵犯商业秘密、侵犯著作权等,请点击“违规举报”。

碎片内容

AXI总线中文详解

您可能关注的文档

确认删除?
VIP
微信客服
  • 扫码咨询
会员Q群
  • 会员专属群点击这里加入QQ群
客服邮箱
回到顶部