电脑桌面
添加小米粒文库到电脑桌面
安装后可以在桌面快捷访问

A具体系统运维方案和措施投标文件

A具体系统运维方案和措施投标文件_第1页
1/39
A具体系统运维方案和措施投标文件_第2页
2/39
A具体系统运维方案和措施投标文件_第3页
3/39
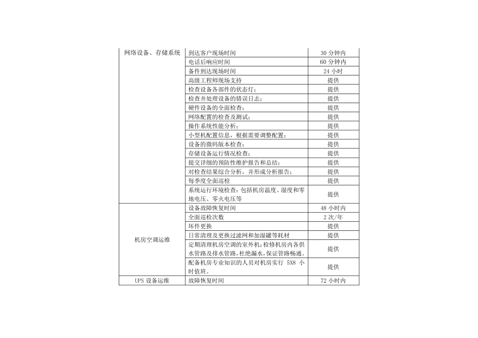
七 、 运 维 方 案 7.1 运 维 服 务 目 标 及 服 务 范 围 通 过 购 买 专 业 运 维 服 务 , 进 一 步 加 强 本 数 据 中 心 运 行 维 护 , 对 数 据 中 心 运 行 维 护 流 程 提 供 先 进 的 管 理 理 念 与 流 程 ,并 通 过 专 业 的 技 术支 持 为 数 据 中 心 运 行 维 护 工 作 提 供 专 业 的 技 术 平 台 , 满 足 本 大 数 据 量 安 全 存 储 的 要 求 , 可 以 满 足 多 种 应 用 运 行 环 境 稳 定 的 要 求 , 可 以 满足 系 统 及 数 据 高 效 、 可 靠 和 安 全 运 行 的 要 求 , 可 以 满 足 运 行 设 备 统 一 管 理 、 及 时 的 故 障 恢 复 的 要 求 , 可 以 保 证 在 数 据 中 心 构 建 的 应 用 系统 和 数 据 集 中 运 行 的 设 备 平 台 正 常 运 行 , 满 足 省 本 级 数 据 库 和 应 用 系 统 的 建 设 需 要 , 达 到 高 效 、 稳 定 、 安 全 和 高 扩 展 性 的 要 求 , 为 实 现省 本 级 信 息 化 建 设 的 可 持 续 发 展 奠 定 集 中 统 一 的 设 施 基 础 。 设 备 及 软 件 清 单 : 7.2 服 务 内 容 依 据 客 户 提 供 的 设 备 及 软 件 清 单 , 我 公 司 对 本 本 提 供 如下服 务 内 容 : 业 务 系 统 服 务 项 保 证 措施 办法 小型机、 pc 服 务 器 现 场驻点服 务 5×8 小时 网络设备、存储系统 到达客户现场时间 30 分钟内 电话后响应时间 60 分钟内 备件到达现场时间 24 小时 高级工程师现场支持 提供 检查设备各部件的状态灯; 提供 检查并处理设备的错误日志; 提供 硬件设备的全面检查; 提供 网络配置的检查及测试; 提供 操作系统性能分析; 提供 小型机配置信息,根据需要调整配置; 提供 设备的微码版本检查; 提供 存储设备运行情况检查; 提供 提交详细的预防性维护报告和总结; 提供 对检查结果综合分析,并形成分析报告; 提供 每季度全面巡检 提供 系统运行环境检查:包括机房温度、湿度和零地电压、零火电压等 提供 机房空调运维 设备故障恢复时间 48 小时内 全面巡检次数 2 次...

1、当您付费下载文档后,您只拥有了使用权限,并不意味着购买了版权,文档只能用于自身使用,不得用于其他商业用途(如 [转卖]进行直接盈利或[编辑后售卖]进行间接盈利)。
2、本站所有内容均由合作方或网友上传,本站不对文档的完整性、权威性及其观点立场正确性做任何保证或承诺!文档内容仅供研究参考,付费前请自行鉴别。
3、如文档内容存在违规,或者侵犯商业秘密、侵犯著作权等,请点击“违规举报”。

碎片内容

A具体系统运维方案和措施投标文件

您可能关注的文档

确认删除?
VIP
微信客服
  • 扫码咨询
会员Q群
  • 会员专属群点击这里加入QQ群
客服邮箱
回到顶部