电脑桌面
添加小米粒文库到电脑桌面
安装后可以在桌面快捷访问

DDR布局布线规则与实例

DDR布局布线规则与实例_第1页
1/23
DDR布局布线规则与实例_第2页
2/23
DDR布局布线规则与实例_第3页
3/23
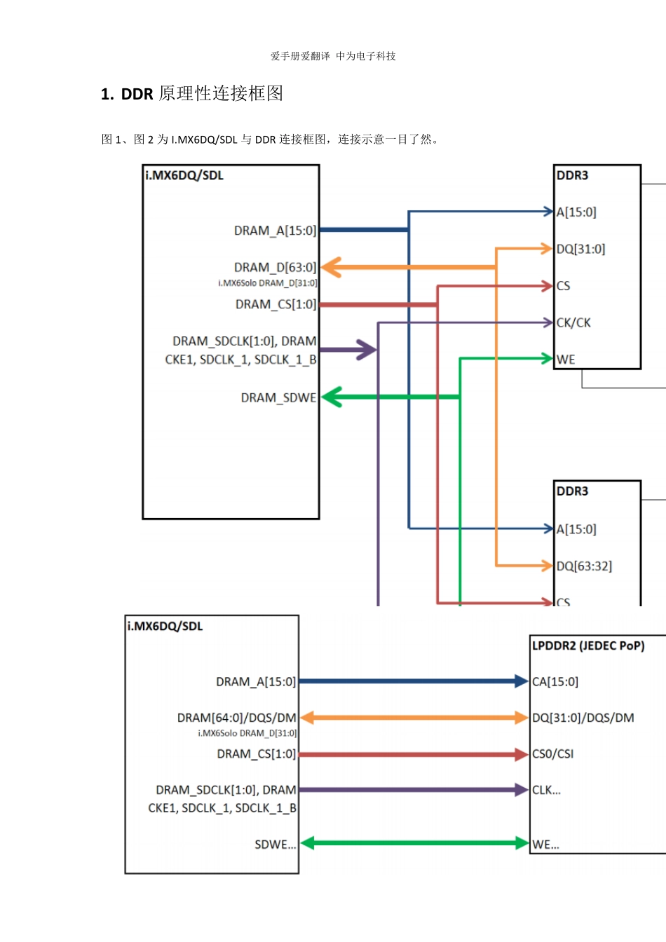
爱手册爱翻译 中为电子科技 1 / 23 DDR3 布局布线 译自 飞思卡尔官方文档 Hardware Development Guide for i.MX 6Quad, 6Dual, 6DualLite, 6Solo Families of Applications Processors IMX6 Serial Layout Recommendations Document revision history Date Revision Changes 2015‐02‐04 1.0 第一次撰稿 isMain elec tech studio All rights reserved Date:2015‐02‐04 Revision:1.0 Author:eco E‐mai:zhongweidianzikeji@163.com QQ:2970904654爱手册爱翻译 中为电子科技 2 / 23 目录 1. DDR 原理性连接框图 ....................................................................................................... 3 2. DDR 布局布线规则 ............................................................................................................... 4 3. DDR 布线细节 ....................................................................................................................... 5 3.1 数据线的交换 ................................................................................................................ 6 3.2 DDR3(64bits)T 型拓扑介绍 ....................................................................................... 6 3.3 DDR3(64bits)Fly‐by 型拓扑介绍 ............................................................................... 6 3.4 2GB DDR 布局布线建议 ................................................................................................. 6 3.5 4GB DDR 布局布线建议 ................................................................................................. 7 4. DDR 布局布线实例 ............................................................................................................... 8 4.1 4 片 DDR T 型拓扑实例 .................................................................................................. 8 4.2 8 片 DDR Fly‐by 型拓扑实例 ........................................................................................ 12 5. 高速信号布线...

1、当您付费下载文档后,您只拥有了使用权限,并不意味着购买了版权,文档只能用于自身使用,不得用于其他商业用途(如 [转卖]进行直接盈利或[编辑后售卖]进行间接盈利)。
2、本站所有内容均由合作方或网友上传,本站不对文档的完整性、权威性及其观点立场正确性做任何保证或承诺!文档内容仅供研究参考,付费前请自行鉴别。
3、如文档内容存在违规,或者侵犯商业秘密、侵犯著作权等,请点击“违规举报”。

碎片内容

DDR布局布线规则与实例

小辰6+ 关注
实名认证
内容提供者

出售各种资料和文档

确认删除?
VIP
微信客服
  • 扫码咨询
会员Q群
  • 会员专属群点击这里加入QQ群
客服邮箱
回到顶部