电脑桌面
添加小米粒文库到电脑桌面
安装后可以在桌面快捷访问

GCS低压开关柜说明书.

GCS低压开关柜说明书._第1页
1/20
GCS低压开关柜说明书._第2页
2/20
GCS低压开关柜说明书._第3页
3/20
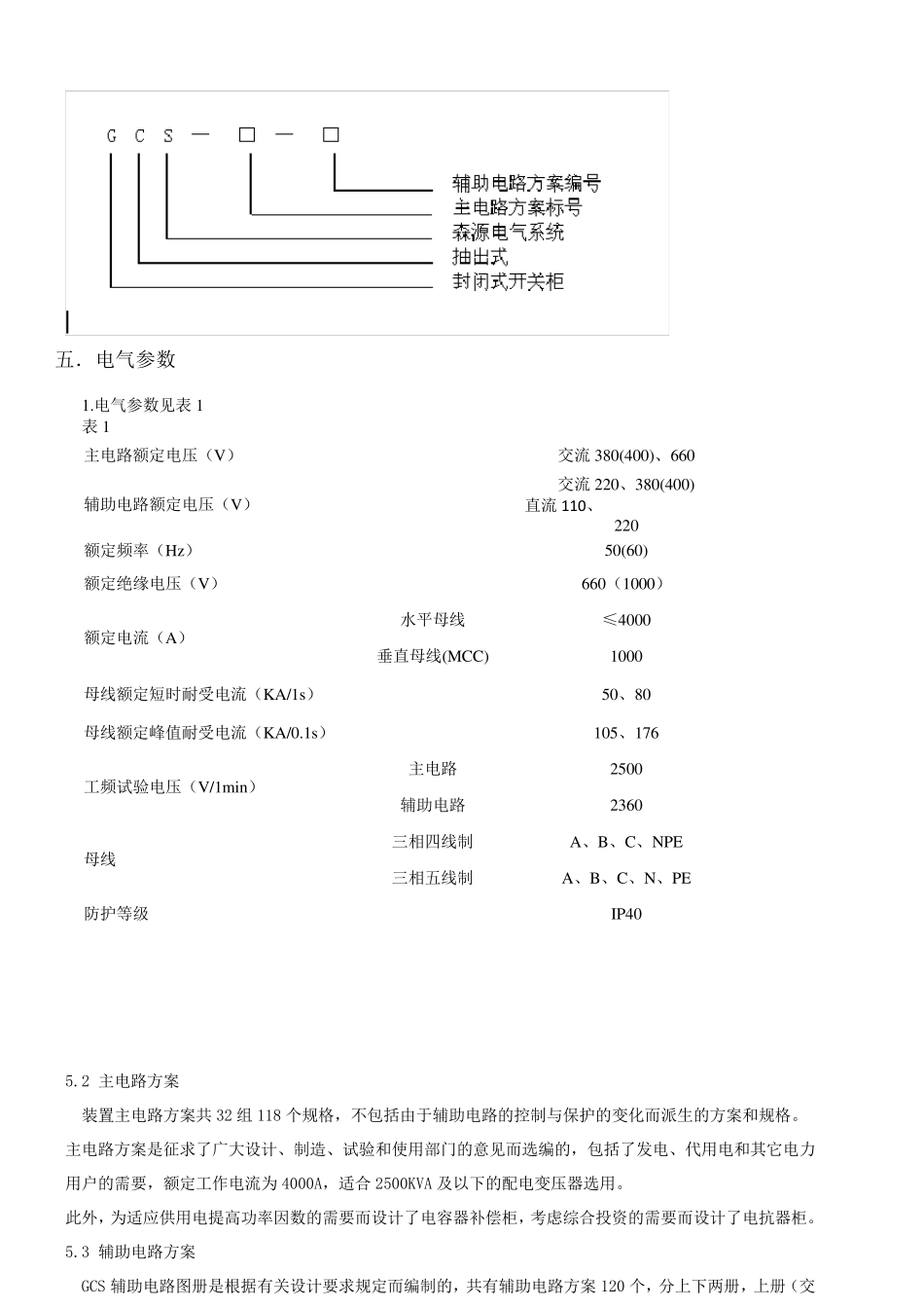
GCS 型交 流 低 压 配 电 柜 安装使用说明书 GCS 型交流低压配电柜 一 . 概 述 GCS 型 低 压 抽 出 式 开 关 柜 (以 下 称 装 置 )是 原 电 力 部 、 机 械 部 联 合 设 计 , 具 有 符 合 国 情 、 技 术 性 能 指 标 较高 等 特 点 , 能 够 适 应 电 力 市 场 发 展 需 要 并 可 与 引 进 产 品 竞 争 的 低 压 抽出 式 开 关 柜 。 该 装 置 于 一 九 九 六 年 七 月 在 上 海 通 过 了 两 部 联 合 主 持 的鉴 定 。 受 到 生 产 制 造 单 位 和 电 力 使 用 部 门 的 好 评 。 电 力 工 业 部 、 机 械 工 业 部 联 合 以 安 生 用 [1997]01 号 、 机 重 [1997]01 号文 下 发 了 《 关 于 GCS 型 低 压 抽 出 式 开 关 柜 推 广 应 用 有 关 问 题 的 通 知 》。目 前 , GCS 型 低 压 抽 出 式 开 关 柜 已 被 电 力 用 户 广 泛 选 用 。 二 . 使 用 范 围 和 用 途 装 置 适 用 于 发 电 厂 、 变 电 所 、 石 油 化 工 部 门 、 厂 矿企业 、 高 层建筑等 低 压 配电 系统的 动力 、 配电 和 电 动机 控制 中心、 电 容补偿等 的 电 能转换、 分配与 控制 用 。 在 大单 机 容量的 发 电 厂 , 大规定 石 化 等 行业 的 低 压 动力 控制 中心和 电 动机 控制 中心等 电 力 使 用 场 合 时能 满足与 计 算机 接口的 特 殊需 要 。 装 置 是 根据电 力 部 主 管上 级, 广 大电 力 用 户 及设 计 部 门 的 要 求, 为满足不断发 展 的 电 力 市 场 对增容、 计算机 接口、 动力 集中控制 、 方便安 装 维修、 缩短事故处理时间等 需 要 , 本着安 全、 经济、 合 理、 可 靠的 原则设 计 的 新型 低 压 抽 出 式 开 关 柜 , 产 品 具 有 分析、 接通 能 力 高 、 动热稳定 性 好 、 电 气灵活、 组合 方便、 系列性 实用 性 强、 结构新颖、 防护等 级高 等 特 点 , 可 以 做为低 压 抽 出 式 开 关 柜 的 换代产 品 使 用 。 装 置 符 合 IEC439-1《 低 压 成套开 关 设 备和 控制...

1、当您付费下载文档后,您只拥有了使用权限,并不意味着购买了版权,文档只能用于自身使用,不得用于其他商业用途(如 [转卖]进行直接盈利或[编辑后售卖]进行间接盈利)。
2、本站所有内容均由合作方或网友上传,本站不对文档的完整性、权威性及其观点立场正确性做任何保证或承诺!文档内容仅供研究参考,付费前请自行鉴别。
3、如文档内容存在违规,或者侵犯商业秘密、侵犯著作权等,请点击“违规举报”。

碎片内容

GCS低压开关柜说明书.

确认删除?
VIP
微信客服
  • 扫码咨询
会员Q群
  • 会员专属群点击这里加入QQ群
客服邮箱
回到顶部