电脑桌面
添加小米粒文库到电脑桌面
安装后可以在桌面快捷访问

GPS控制网等级分类

GPS控制网等级分类_第1页
1/8
GPS控制网等级分类_第2页
2/8
GPS控制网等级分类_第3页
3/8
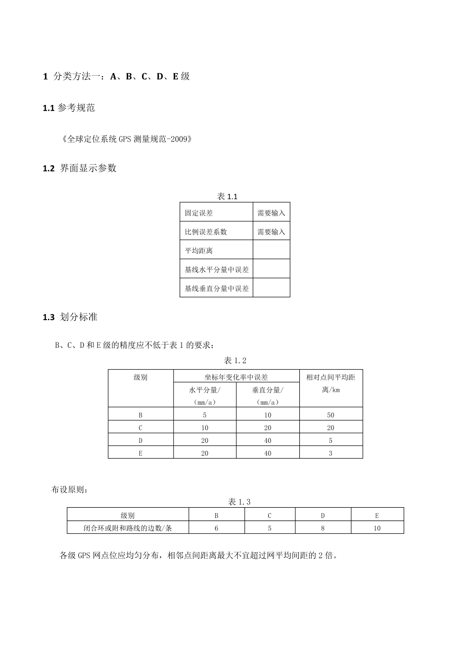
1 分类方法一:A、B、C、D、E级 1.1 参考规范 《全球定位系统 GPS 测量规范-2009》 1.2 界面显示参数 表 1 .1 固定误差 需要输入 比例误差系数 需要输入 平均距离 基线水平分量中误差 基线垂直分量中误差 1.3 划分标准 B、C、D 和 E 级的精度应不低于表 1 的要求: 表 1.2 级别 坐标年变化率中误差 相对点间平均距离/km 水平分量/ (mm/a) 垂直分量/ (mm/a) B 5 10 50 C 10 20 20 D 20 40 5 E 20 40 3 布设原则: 表 1.3 级别 B C D E 闭合环或附和路线的边数/条 6 5 8 10 各级 GPS 网点位应均匀分布,相邻点间距离最大不宜超过网平均间距的 2 倍。 接收机的选用: 表1.4 级别 B C D、E 单频/双频 双频/全波长 双频/全波长 双频/单频 观测量至少有 L1、L2 载波相位 L1、L2 载波相位 L1 载波相位 同步观测机数 ≥4 ≥3 ≥2 观测: 表1.5 级别 级别 B C D E 卫星截止高度角/度 10 15 15 15 同时观测有效卫星数 ≥4 ≥4 ≥4 ≥4 有效观测卫星总数 ≥20 ≥6 ≥4 ≥4 观测时段数 ≥3 ≥2 ≥1.6 ≥1.6 时段长度 ≥23h ≥4h ≥60min ≥40min 采样间隔 30 10-30 5-15 5-15 注1:计算有效观测卫星总数时,应该各时段的有效观测卫星扣除期间的重复卫星数 注2:观测时段长度,应为开始纪律数据到结束记录的时间段 注3:观测时段≥1.6,指采用网观测模式时,每站至少观测一时段,其中二次设站点数应不少于GPS 网总点数的60% 注4:采用基于卫星定位连续运行基准站点观测模式时,可连续观测,但观测时间应不低于表中规定的各时段观测时间的和 数据处理 (1)外业数据检核 1)B 级GPS 网基线外业预处理和C、D、E 级GPS 网基线处理,复测基线的长度较差ds 应满足公式1.1的规定: ds≦2√2σ (1.1) σ---为基线测量中误差,单位为毫米 2)B、C、D、E 级GPS 网基线测量中误差σ采用外业测量时使用的GPS 接收机的标称精度,计算时变长按实际平均边长计算。 3)B、C、D、E 级GPS 网同步环闭合差,不宜超过以下规定: 三边同步环中只有两个同步边成果可以视为独立的成果,第三边成果应为其余两边的代数和。由于模型误差和处理软件的内在缺陷,第三边处理结果与前两边的代数和常不为零,其差值应符 合公式1.2 wx≦√35 σ wy≦√35 σ wz≦√35 σ (1.2) 式中: σ----基线测量中误差,单位为毫米,...

1、当您付费下载文档后,您只拥有了使用权限,并不意味着购买了版权,文档只能用于自身使用,不得用于其他商业用途(如 [转卖]进行直接盈利或[编辑后售卖]进行间接盈利)。
2、本站所有内容均由合作方或网友上传,本站不对文档的完整性、权威性及其观点立场正确性做任何保证或承诺!文档内容仅供研究参考,付费前请自行鉴别。
3、如文档内容存在违规,或者侵犯商业秘密、侵犯著作权等,请点击“违规举报”。

碎片内容

GPS控制网等级分类

确认删除?
VIP
微信客服
  • 扫码咨询
会员Q群
  • 会员专属群点击这里加入QQ群
客服邮箱
回到顶部