电脑桌面
添加小米粒文库到电脑桌面
安装后可以在桌面快捷访问

换填验收申请

换填验收申请_第1页
1/6
换填验收申请_第2页
2/6
换填验收申请_第3页
3/6
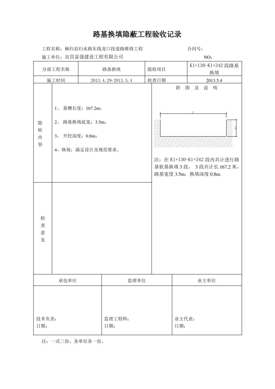
路基换填报验申请表工程名称:秭归县归水路东线龙口段道路维修工程致:宜昌天宇工程咨询有限公司(监理单位)我单位已完成了 K1+130-K1+342 段路基换填 工程,按设计文件及有关规范、验评标准进行了自检,质量合格,请予以审查和验收。承包单位(章):宜昌富强建设工程有限公司项目经理:日期: 2013.5.4审查意见:项目监理机构:宜昌天宇工程咨询有限公司总/监理工程师:日期:本表由承包单位填写,一式三份,送监理机构审核后,建设、监理及承包单位各一份。路基换填隐蔽工程验收记录工程名称:秭归县归水路东线龙口段道路维修工程合同号:施工单位:宜昌富强建设工程有限公司NO:分部工程名称施工时间路基换填2013.4.29-2013.5.4隐检项目检查日期1、 基槽长度:167.2m;隐检内容4、纵坡:满足设计及规范要求。3、 开挖深度:0.8m;2、 路基换填底宽:3.5m;K1+130-K1+342 段路基换填2013.5.4附图及说明注:在 K1+130-K1+342 段内共计进行路基软基换填 3 段, 3 段共计长 167.2 米,路基宽度 3.5m,换填深度 0.8m.检查意见承包单位技术负责:日期:监理单位业主单位监理工程师:日期:业主代表:日期:注:一式三份,各单位各一份。路基换填报验申请表工程名称:秭归县归水路东线龙口段道路维修工程致:宜昌天宇工程咨询有限公司(监理单位)我单位已完成了 K1+412-K1+452.5 段路基换填 工程,按设计文件及有关规范、验评标准进行了自检,质量合格,请予以审查和验收。承包单位(章):宜昌富强建设工程有限公司项目经理:日期: 2013.5.2审查意见:项目监理机构:宜昌天宇工程咨询有限公司总/监理工程师:日期:本表由承包单位填写,一式三份,送监理机构审核后,建设、监理及承包单位各一份。路基换填隐蔽工程验收记录工程名称:秭归县归水路东线龙口段道路维修工程合同号:施工单位:宜昌富强建设工程有限公司NO:分部工程名称施工时间路基换填2013.4.29-2013.5.2隐检项目检查日期4、 基槽长度:40.5m;隐检内容4、纵坡:满足设计及规范要求。6、 开挖深度:0.8m;5、 路基换填底宽:3.5m;K1+412-K1+452.5 段路基换填2013.5.2附图及说明注: K1+412-K1+452.5 段长 40.5 米,路基宽度 3.5m,换填深度 0.8m。检查意见承包单位技术负责:日期:监理单位业主单位监理工程师:日期:业主代表:日期:注:一式三份,各单位各一份。路基换填报验申请表工程名称:秭归县归水路东线龙口段道路维修工程致:宜昌天宇工...

1、当您付费下载文档后,您只拥有了使用权限,并不意味着购买了版权,文档只能用于自身使用,不得用于其他商业用途(如 [转卖]进行直接盈利或[编辑后售卖]进行间接盈利)。
2、本站所有内容均由合作方或网友上传,本站不对文档的完整性、权威性及其观点立场正确性做任何保证或承诺!文档内容仅供研究参考,付费前请自行鉴别。
3、如文档内容存在违规,或者侵犯商业秘密、侵犯著作权等,请点击“违规举报”。

碎片内容

换填验收申请

您可能关注的文档

确认删除?
VIP
微信客服
  • 扫码咨询
会员Q群
  • 会员专属群点击这里加入QQ群
客服邮箱
回到顶部