电脑桌面
添加小米粒文库到电脑桌面
安装后可以在桌面快捷访问

换撑与拆撑方案

换撑与拆撑方案_第1页
1/28
换撑与拆撑方案_第2页
2/28
换撑与拆撑方案_第3页
3/28
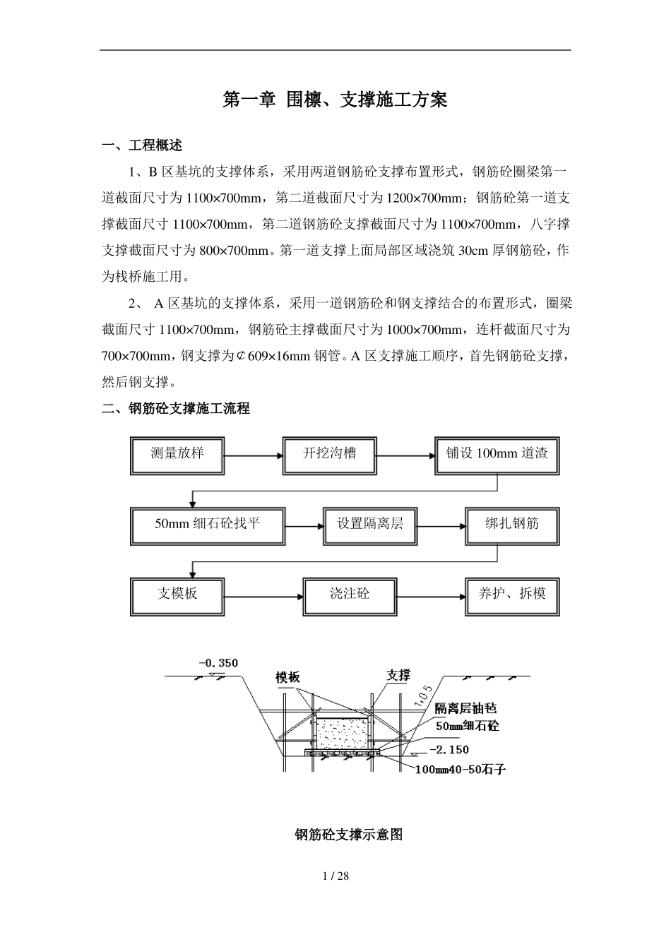
国信兴江海景园工程钢筋混凝土围檩、支撑(换撑及拆撑施工方案)XXXX 有限公司2008 年 11 月 28 日目录第一章 围檩、支撑施工方案 1一、工程概述 1二、钢筋砼支撑施工流程 1三、施工工艺和方法 51、钢筋砼支撑施工方法 52、钢筋砼支撑要求 63、钢支撑施工方法 7第二章拆撑及换撑施工方案 12一、支撑系统简况 12二、拆撑及换撑的原则 12三、拆撑及换撑的顺序 121、A 区支撑拆撑及换撑的顺作施工 122、B 区支撑拆撑及换撑的顺作施工 13四、换撑方案 131、A 区换撑简况 132、A 区换撑方法和要求 133、B 区换撑简况 144、B 区换撑方法和要求 14五、支撑拆除方案 141、支撑体系概述 152、支撑拆除的方法和要求 153、破碎清理 164、支撑拆除的安全技术要求 16第三章附图 171、(附图 1) A 区换撑平面图 182、(附图 2) A 区底板换撑节点图 193、(附图 3) A 区底板换撑板带配筋图 204、(附图 4) A 区斜向型钢换撑节点示意图 215、(附图 5) A 区型钢换撑穿外墙钢止水片示意图 226、(附图 6) A 区基础底板后浇带换撑图 237、 (附图 0) B 区换撑平面图 248、 (附图 7) B 区基础底板后浇带换撑图 259、 (附图 8) B 区地下一层施工后浇带位置梁内预设型钢节点图 2510、(附图 9)B 区换撑板带配筋图 2611、(附图 10) B 区连接节点及预埋件详图 26第一章 围檩、支撑施工方案一、工程概述1、B 区基坑的支撑体系,采用两道钢筋砼支撑布置形式,钢筋砼圈梁第一道截面尺寸为 1100×700mm,第二道截面尺寸为 1200×700mm;钢筋砼第一道支撑截面尺寸 1100×700mm,第二道钢筋砼支撑截面尺寸为 1100×700mm,八字撑支撑截面尺寸为 800×700mm。第一道支撑上面局部区域浇筑 30cm 厚钢筋砼,作为栈桥施工用。2、 A 区基坑的支撑体系,采用一道钢筋砼和钢支撑结合的布置形式,圈梁截面尺寸 1100×700mm,钢筋砼主撑截面尺寸为 1000×700mm,连杆截面尺寸为700×700mm,钢支撑为¢609×16mm 钢管。A 区支撑施工顺序,首先钢筋砼支撑,然后钢支撑。二、钢筋砼支撑施工流程支模板浇注砼养护、拆模50mm 细石砼找平设置隔离层绑扎钢筋测量放样开挖沟槽铺设 100mm 道渣钢筋砼支撑示意图1 / 28A 区支撑平面布置图2 / 28B 区第一道支撑平面布置图3 / 28B 区第二道支撑平面布置图4 / 28A 区围檩及支撑断面配筋图三、施工工艺和方法1、钢筋砼...

1、当您付费下载文档后,您只拥有了使用权限,并不意味着购买了版权,文档只能用于自身使用,不得用于其他商业用途(如 [转卖]进行直接盈利或[编辑后售卖]进行间接盈利)。
2、本站所有内容均由合作方或网友上传,本站不对文档的完整性、权威性及其观点立场正确性做任何保证或承诺!文档内容仅供研究参考,付费前请自行鉴别。
3、如文档内容存在违规,或者侵犯商业秘密、侵犯著作权等,请点击“违规举报”。

碎片内容

换撑与拆撑方案

文库当当响+ 关注
实名认证
内容提供者

该用户很懒,什么也没介绍

确认删除?
VIP
微信客服
  • 扫码咨询
会员Q群
  • 会员专属群点击这里加入QQ群
客服邮箱
回到顶部