电脑桌面
添加小米粒文库到电脑桌面
安装后可以在桌面快捷访问

2024二级建造师《公路工程管理与实务》考前检测D卷-附解析

2024二级建造师《公路工程管理与实务》考前检测D卷-附解析_第1页
1/29
2024二级建造师《公路工程管理与实务》考前检测D卷-附解析_第2页
2/29
2024二级建造师《公路工程管理与实务》考前检测D卷-附解析_第3页
3/29
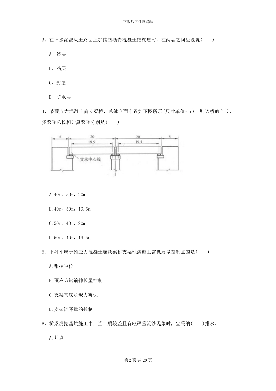
第 1 页 共 29 页下载后可任意编辑标题标题标题标题标题标题标题标题标题标题考试须知:1、考试时间:180 分钟,满分为 120 分。 2、请首先按要求在试卷的指定位置填写您的姓名、准考证号和所在单位的名称。 3、请认真阅读各种题目的回答要求,在规定的位置填写您的答案。 4、不要在试卷上乱写乱画,不要在标封区填写无关的内容。 姓名:_________ 考号:_________ 一、单选题(共 70 题,每题 1 分。选项中,只有 1 个符合题意)1、填实路基采纳强力夯实施工时,填补夯实的填料应选用( )A.碎石土B.砂性土C.软质石料D.与路基同类型石质填料2、土基达到最大干密度时所对应的含水量称为( )A.最大含水量B.最小含水量C.最佳含水量D.天然含水量第 2 页 共 29 页下载后可任意编辑3、在旧水泥混凝土路面上加铺垫沥青混凝土结构层时,在两者之间应设置( )A、透层B、粘层C、封层D、防水层4、某预应力混凝土简支梁桥,总体立面布置如下图所示(尺寸单位:m),则该桥的全长、多跨径总长和计算跨径分别是( )A.40m,50m,20mB.40m,50m,19.5mC.50m,40m,20mD.50m,40m,19.5m5、下列不属于预应力混凝土连续梁桥支架现浇施工常见质量控制点的是( )A.张拉吨位B.预应力钢筋伸长量控制C.支架基底承载力确认D.支架沉降量的控制6、桥梁浅挖基坑施工中,当土质较差且有较严重流沙现象时,宜采纳( )排水。A.井点第 3 页 共 29 页下载后可任意编辑B.集水坑C.板桩法D.帷幕法7、路面透水性排水基层施工中,在连续长纵坡破段或凹形竖曲线路段,排水层内渗流的自由水有可能被堵封或渗流路径超过 45-60m 时,为拦截水流及缩短渗流长度有应增设( )A.纵向排水管B.横向排水管C.纵向集水管D.横向铁水井8、除圆管涵和箱涵外,单孔跨径小于( )的泄水或通行的小型构造物是涵洞。A.5mB.6mC.7mD.8m9、进度计划调整过程中,压缩关键工作持续时间可采纳的管理措施是( )A.优化工作控制流程B.改进施工方法C.提供加快进度所需资金D.采纳信息技术进行计划调整10、路基施工放样测量中,以平面曲线起点(或终点)至盐线任一点的弦线与切线之间的弦切角和弦长来确定待放点位置的方法称为( )A.切线支距法B.坐标法第 4 页 共 29 页下载后可任意编辑C.直角坐标法D.偏角法11、岩石隧道的爆破应采纳光面爆破技术或( ),以有效控制隧道开挖***A.深孔爆破技术B.钻孔爆破技术C.***X 爆破技术D.预裂爆破技术12、沥青路面混合料摊铺时,下、中面层采纳( )施...

1、当您付费下载文档后,您只拥有了使用权限,并不意味着购买了版权,文档只能用于自身使用,不得用于其他商业用途(如 [转卖]进行直接盈利或[编辑后售卖]进行间接盈利)。
2、本站所有内容均由合作方或网友上传,本站不对文档的完整性、权威性及其观点立场正确性做任何保证或承诺!文档内容仅供研究参考,付费前请自行鉴别。
3、如文档内容存在违规,或者侵犯商业秘密、侵犯著作权等,请点击“违规举报”。

碎片内容

2024二级建造师《公路工程管理与实务》考前检测D卷-附解析

津创媒+ 关注
实名认证
内容提供者

欢迎交流文创,小店资料希望满足您的需要。

确认删除?
VIP
微信客服
  • 扫码咨询
会员Q群
  • 会员专属群点击这里加入QQ群
客服邮箱
回到顶部