电脑桌面
添加小米粒文库到电脑桌面
安装后可以在桌面快捷访问

断桥铝门窗汇总

断桥铝门窗汇总_第1页
1/7
断桥铝门窗汇总_第2页
2/7
断桥铝门窗汇总_第3页
3/7
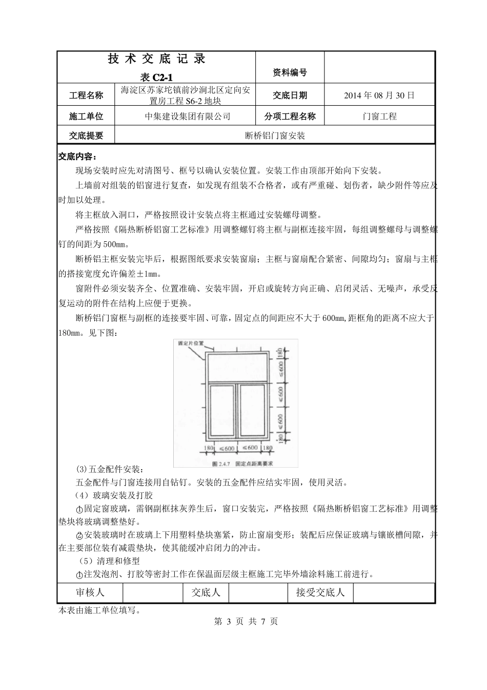
技 术 交 底 记 录表 C2-1工程名称施工单位交底提要海淀区苏家坨镇前沙涧北区定向安置房工程 S6-2 地块中集建设集团有限公司资料编号交底日期分项工程名称断桥铝门窗安装2014 年 08 月 30 日门窗工程交底内容:一、材料产品要求1.铝合金门窗的规格、型号应符合设计要求,五金配件齐全,具有产品出厂合格证、材质检验报告书并加盖厂家印章。2.铝合金门窗应进行抗风压性能、空气渗透性能和雨水渗透性能的检验,其各项性能应符合设计要求和有关标准的规定。3.有保温要求的门窗,其保温性能应符合设计要求和有关标准的规定。4.防腐材料、填缝材料、密封材料、防锈漆、水泥、砂、连接板等应符合设计要求和有关标准的规定。二、主要机具常用工具为铝合金切割机、手电钻、冲击钻、小型电焊机、射钉枪、打胶筒、玻璃吸盘、线锯、手锤、黎子、扳手、螺丝刀、木楔、托线板、线坠、水平尺、钢卷尺、墨斗等。三、作业条件1.门窗副框加工及安装前,现场专业技术人员必须进行水平标高控制线,窗中线做好书面记录;在施工过程中,必须做到水平一线,窗中一线,以免出现上下级左右偏差。2.主体结构经有关质量部门验收合格。门窗和主体结构之间办好交接手续。3.按图纸要求尺寸弹好门窗中线,并弹好室内+500mm 水平线。外窗安装前应沿建筑物全高弹窗口边线。4.检查门窗洞口尺寸及标高是否符合设计要求。有预埋件的门窗口还应检查预埋件的数量、位置及埋设方法是否符合设计要求。检查断桥铝门窗,如有劈棱、窜角和翘曲不平、偏差超标、表面损伤、变形、松动及外观色差较大者,应与有关人员协商解决,经处理,验收合格后才能安装。5.断桥铝门窗表面应粘贴保护膜,安装前检查保护膜,如有破损,应补粘后再行安装。四、操作工艺1.工艺流程:弹线安装门窗洞口处理安装副框铝合金门窗拆包、检查铝合金窗披水安装清理铝合金门窗框固定铝合金门窗框就位和时间固定门窗扇及门窗玻璃安装门窗框与副框间隙的处理五金配件安装2.弹线定位:沿建筑物全高用大线坠(高层建筑宜采用经纬仪找垂直线)引测门窗边线,在每层门窗口处划线标记。并逐层抄测门窗洞口距门窗边线实际距离,需要进行处理的应做记录和标识。门窗的水平位置应以楼层室内+500mm 的水平线为准向上反量出窗下皮标高,弹线找直。每一层必须保持审核人本表由施工单位填写。交底人接受交底人第 1 页 共 7 页技 术 交 底 记 录表 C2-1工程名称施工单位交底提要海淀区苏家坨镇前沙涧北区定向安...

1、当您付费下载文档后,您只拥有了使用权限,并不意味着购买了版权,文档只能用于自身使用,不得用于其他商业用途(如 [转卖]进行直接盈利或[编辑后售卖]进行间接盈利)。
2、本站所有内容均由合作方或网友上传,本站不对文档的完整性、权威性及其观点立场正确性做任何保证或承诺!文档内容仅供研究参考,付费前请自行鉴别。
3、如文档内容存在违规,或者侵犯商业秘密、侵犯著作权等,请点击“违规举报”。

碎片内容

断桥铝门窗汇总

确认删除?
VIP
微信客服
  • 扫码咨询
会员Q群
  • 会员专属群点击这里加入QQ群
客服邮箱
回到顶部