电脑桌面
添加小米粒文库到电脑桌面
安装后可以在桌面快捷访问

施工现场消防安全管理检查记录表日巡

施工现场消防安全管理检查记录表日巡_第1页
1/25
施工现场消防安全管理检查记录表日巡_第2页
2/25
施工现场消防安全管理检查记录表日巡_第3页
3/25
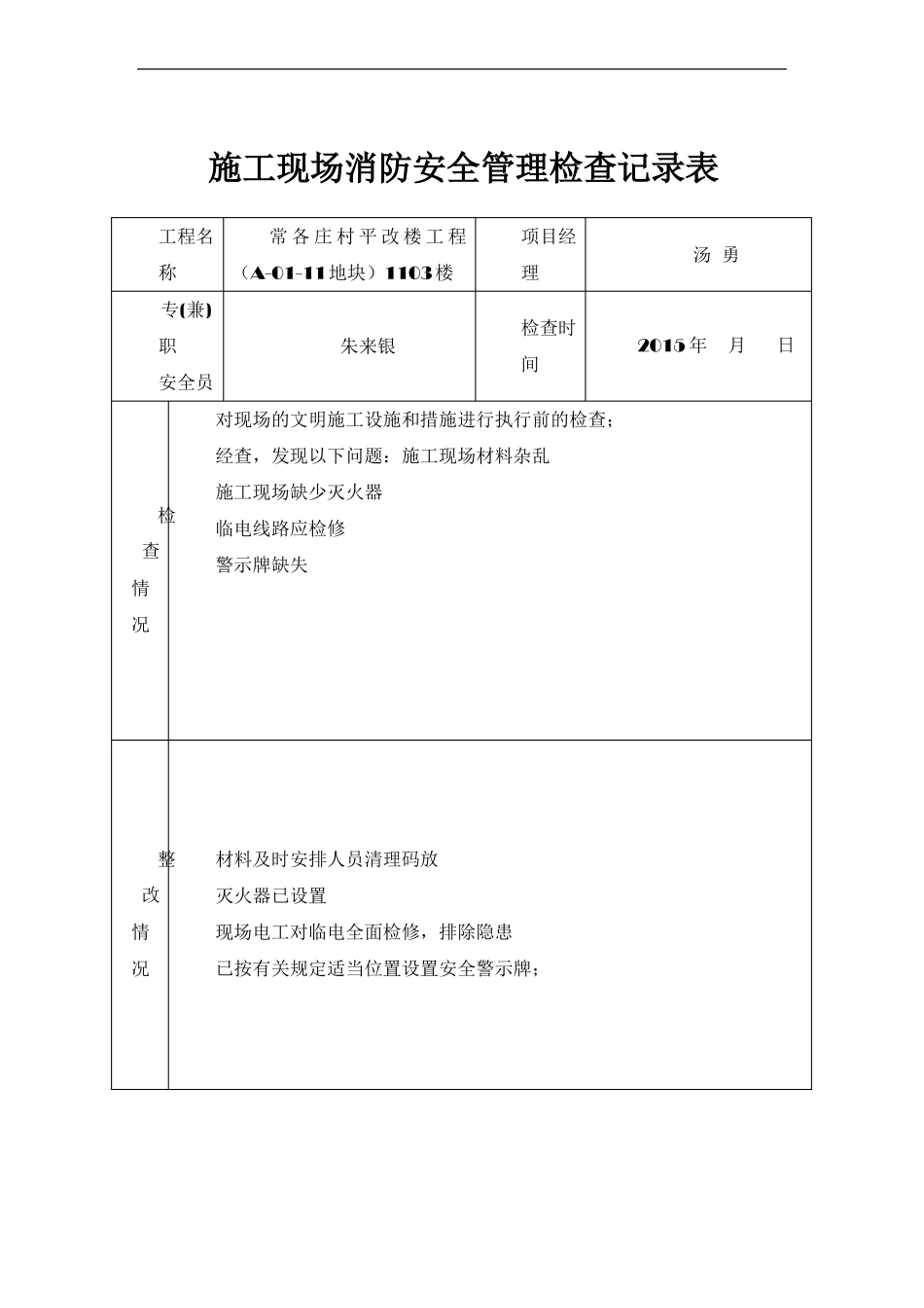
常各庄村平改楼工程(A-01-11 地块)1103 楼施工现场消防安全检查记录金坛建工集团有限公司施工现场消防安全管理检查记录表工程名称专(兼)职安全员朱来银常 各 庄 村 平 改 楼 工 程(A-01-11地块)1103楼项目经理检查时间汤 勇2015 年月日对现场的文明施工设施和措施进行执行前的检查;经查,发现以下问题:施工现场材料杂乱施工现场缺少灭火器检查情况临电线路应检修警示牌缺失整改情况材料及时安排人员清理码放灭火器已设置现场电工对临电全面检修,排除隐患已按有关规定适当位置设置安全警示牌;复由消防组长负责安排有关人员进行整改,落实情况良好;查结果日安全员签名:年月施工现场消防安全管理检查记录表工程名称专(兼)职安全员朱来银常 各 庄 村 平 改 楼 工 程(A-01-11地块)1103楼项目经理检查时间汤 勇检查情况整改情况复查结果安全员签名:年月日施工现场消防安全管理检查记录表工程名称专(兼)职安全员朱来银常 各 庄 村 平 改 楼 工 程(A-01-11地块)1103楼项目经理检查时间汤 勇检查木工机工区机械旁木花堆积未及时清理,消防设施漏缺情况整改情况木工班组长在下班前派人清理干净,补齐消防设施经复查,已按整改要求整改完毕复查结果安全员签名:年月日施工现场消防安全管理检查记录表工程名称专(兼)职安全员常 各 庄 村 平 改 楼 工 程(A-01-11地块)1103楼项目经理检查时间汤 勇朱来银2015.4.1检查情况对现场的消防器材及消防制度进行检查;整施工现场内已配备灭火器等消防器材,建立了消防管理制度,分工明确,改责任到人,工地内有专(兼)职安全员和义务安全员,定期进行消防安全教育情和培况训,能做到及时、有效地处理随时可能发生的任何安全事故。能按公司下达的各项消防管理制度开展工作,布置好消防器材和安装好消防水源,对消防器材进行定期检查。复查结果安全员签名:年月日施工现场消防安全管理检查记录表工程名称专(兼)职安全员朱来银常 各 庄 村 平 改 楼 工 程(A-01-11地块)1103楼项目经理检查时间汤 勇检查情况对现场的文明施工设施和措施进行执行前的检查:经检查发现现场缺少安全警示牌及灭火器整改情况已按有关规定适当位置设置安全警示牌,灭火器已设置由消防班长负责安排有关人员进行整改,落实情况良好复查结果日安全员签名:年月施工现场消防安全管理检查记录表工程名称专(兼)职安全员朱来银常 各 庄 村 平 改 楼 工 程(A-01-11地块)1103...

1、当您付费下载文档后,您只拥有了使用权限,并不意味着购买了版权,文档只能用于自身使用,不得用于其他商业用途(如 [转卖]进行直接盈利或[编辑后售卖]进行间接盈利)。
2、本站所有内容均由合作方或网友上传,本站不对文档的完整性、权威性及其观点立场正确性做任何保证或承诺!文档内容仅供研究参考,付费前请自行鉴别。
3、如文档内容存在违规,或者侵犯商业秘密、侵犯著作权等,请点击“违规举报”。

碎片内容

施工现场消防安全管理检查记录表日巡

您可能关注的文档

确认删除?
VIP
微信客服
  • 扫码咨询
会员Q群
  • 会员专属群点击这里加入QQ群
客服邮箱
回到顶部