电脑桌面
添加小米粒文库到电脑桌面
安装后可以在桌面快捷访问

三一集团研发系统设计基础类考试试卷附答案

三一集团研发系统设计基础类考试试卷附答案_第1页
1/10
三一集团研发系统设计基础类考试试卷附答案_第2页
2/10
三一集团研发系统设计基础类考试试卷附答案_第3页
3/10
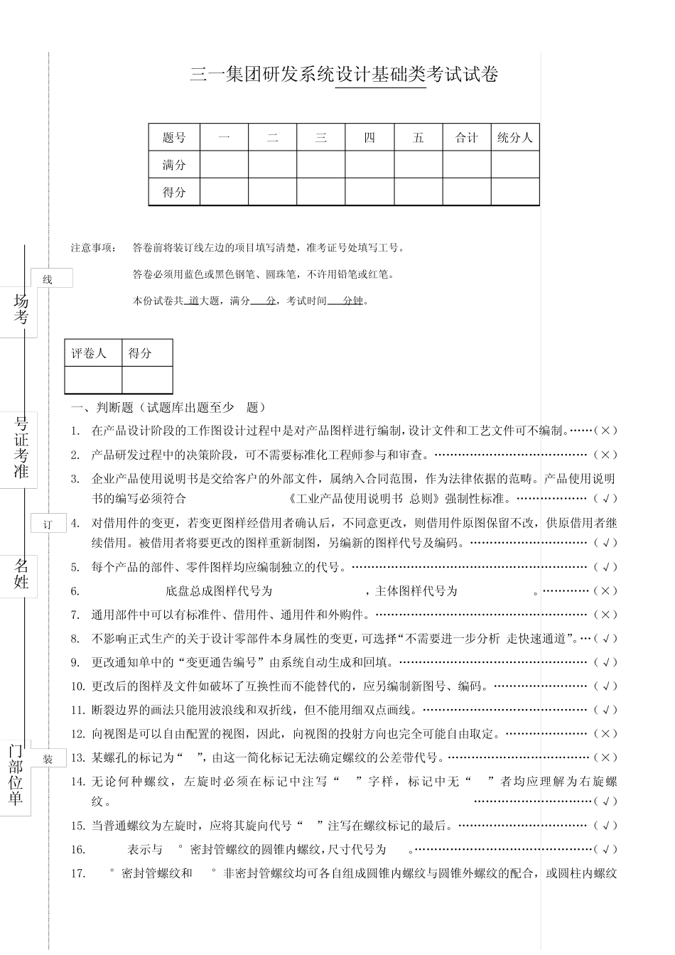
三一集团研发系统设计基础类考试试卷 题号 一 二 三 四 五 合计 统分人 满分 得分 注意事项:1.答卷前将装订线左边的项目填写清楚,准考证号处填写工号。 2.答卷必须用蓝色或黑色钢笔、圆珠笔,不许用铅笔或红笔。 3.本份试卷共5道大题,满分100分,考试时间120分钟。 评卷人 得分 一、判断题(试题库出题至少30题) 1. 在产品设计阶段的工作图设计过程中是对产品图样进行编制,设计文件和工艺文件可不编制。„„(×) 2. 产品研发过程中的决策阶段,可不需要标准化工程师参与和审查。„„„„„„„„„„„„„(×) 3. 企业产品使用说明书是交给客户的外部文件,属纳入合同范围,作为法律依据的范畴。产品使用说明书的编写必须符合 GB 9969.1-1998 《工业产品使用说明书 总则》强制性标准。„„„„„„(√) 4. 对借用件的变更,若变更图样经借用者确认后,不同意更改,则借用件原图保留不改,供原借用者继续借用。被借用者将要更改的图样重新制图,另编新的图样代号及编码。„„„„„„„„„„(√) 5. 每个产品的部件、零件图样均应编制独立的代号。„„„„„„„„„„„„„„„„„„„„(√) 6. SYM1250T3-03底盘总成图样代号为SYM1250T3-03.0 ,主体图样代号为SYM1250T3-03。„„„„(×) 7. 通用部件中可以有标准件、借用件、通用件和外购件。„„„„„„„„„„„„„„„„„„(×) 8. 不影响正式生产的关于设计零部件本身属性的变更,可选择“不需要进一步分析 走快速通道”。„(√) 9. 更改通知单中的“变更通告编号”由系统自动生成和回填。„„„„„„„„„„„„„„„„(√) 10. 更改后的图样及文件如破坏了互换性而不能替代的,应另编制新图号、编码。„„„„„„„„(√) 11. 断裂边界的画法只能用波浪线和双折线,但不能用细双点画线。„„„„„„„„„„„„„„(√) 12. 向视图是可以自由配置的视图,因此,向视图的投射方向也完全可能自由取定。„„„„„„„(×) 13. 某螺孔的标记为“M5”,由这一简化标记无法确定螺纹的公差带代号。„„„„„„„„„„„„(×) 14. 无论何种螺纹,左旋时必须在标记中注写“LH”字样,标记中无“LH”者均应理解为右旋螺纹。 „„„„„„„„„„(√) 15. 当普通螺纹为左旋时,应将其旋向代号“LH”注写在螺纹标记的最后。„„„„„„„„„„„(√) 16. RC1/2表示与 55°密封管螺...

1、当您付费下载文档后,您只拥有了使用权限,并不意味着购买了版权,文档只能用于自身使用,不得用于其他商业用途(如 [转卖]进行直接盈利或[编辑后售卖]进行间接盈利)。
2、本站所有内容均由合作方或网友上传,本站不对文档的完整性、权威性及其观点立场正确性做任何保证或承诺!文档内容仅供研究参考,付费前请自行鉴别。
3、如文档内容存在违规,或者侵犯商业秘密、侵犯著作权等,请点击“违规举报”。

碎片内容

三一集团研发系统设计基础类考试试卷附答案

确认删除?
VIP
微信客服
  • 扫码咨询
会员Q群
  • 会员专属群点击这里加入QQ群
客服邮箱
回到顶部