电脑桌面
添加小米粒文库到电脑桌面
安装后可以在桌面快捷访问

上海交大物理实验报告

上海交大物理实验报告_第1页
1/6
上海交大物理实验报告_第2页
2/6
上海交大物理实验报告_第3页
3/6
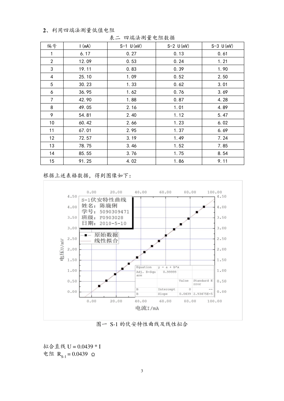
1 实 验 报 告 姓 名:陈旒俐 班 级:F0903028 学 号:5090309471 实验成绩: 同组姓名:无 实验日期:2010-5-10 指导老师:助教60 批阅日期: 直流电桥与电阻测量 【实验目的】 1.掌握惠斯登电桥测电阻的原理和方法。 2.掌握四端法测电阻的原理和方法。 【实验原理】 1、惠斯登电桥的工作原理 如图所示,R1,R2,R 和Rx称为“桥臂”。适当调节,和的值,使电压表的显示电压为零。称为“电桥平衡”。电桥平衡时,可通过 AB和AD,BC 和DC 两端电压相等,AB和BC,AD 和DC 两端电流相等,得到: 2、四端法的工作原理 如图所示,电流I 已知,测待测电阻两端的电压,就得到待测电阻的阻值大小: 四端法中,电流引线在电压引线之外,数字电压表的输入阻抗很高,因此电流和电压引线的接触电阻和引线电阻都可以忽略不计。 3、电阻率的测量 电阻率 其中 l 为电阻长度,d 为电阻的直径。 2 【实验数据记录、实验结果计算】 1 、利用惠斯登电桥测量待测电阻 表一 惠斯登电桥测量电阻数据 样品 R1(Ω) R2(Ω) R1/R2 R(Ω) Rx(Ω) RA 10,000 1,000 10 13,284.0 132,840 RB 100 10,000 1/100 89,690.0 896.900 RC 100 10,000 1/100 4,359.6 43.596 RA: 电阻箱的误差为 10,000 × 0.1% + 3,000 × 0.1% + 200 × 0.1% + 80 × 0.1% + 4 × 1% + 0.02 = 13.34 Ω 精密电阻的相对误差 0 .0 0 1 urA = √UrR12+ UrR22+ UrR2 = √0.0012 + 0.0012 + ( 13.3413284.0 )2= 0.17% uA = 0.17% × 132840 = 226 Ω ∴ {RA = 132840 ± 226 ΩurA = 0.17% RB: 电阻箱的误差为 80,000 × 0.1% + 9,000 × 0.1% + 600 × 0.1% + 90 × 0.1% + 0.02 = 89.71 Ω 精密电阻的相对误差 0 .0 0 1 urB = √UrR12+ UrR22+ UrR2 = √0.0012 + 0.0012 + ( 89.7189690.0 )2= 0.17% uB = 0.17% × 896.900 = 1.52 Ω ∴ {RB = 896.90 ± 1.52 ΩurA = 0.17% RC: 电阻箱的误差为 4,000 × 0.1% + 300 × 0.1% + 50 × 0.1% + 9 × 1% + 0.6 × 5% + 0.02 = 4.49 Ω 精密电阻的相对误差 0 .0 0 1 urC = √UrR12+ UrR22+ UrR2 = √0.0012 + 0.0012 + ( 4.494359.6 )2= 0.17% uB = 0.17% × 43.596 = 0.07 Ω ∴ {RB = 43.60 ± ...

1、当您付费下载文档后,您只拥有了使用权限,并不意味着购买了版权,文档只能用于自身使用,不得用于其他商业用途(如 [转卖]进行直接盈利或[编辑后售卖]进行间接盈利)。
2、本站所有内容均由合作方或网友上传,本站不对文档的完整性、权威性及其观点立场正确性做任何保证或承诺!文档内容仅供研究参考,付费前请自行鉴别。
3、如文档内容存在违规,或者侵犯商业秘密、侵犯著作权等,请点击“违规举报”。

碎片内容

上海交大物理实验报告

小辰5+ 关注
实名认证
内容提供者

出售各种资料和文档

确认删除?
VIP
微信客服
  • 扫码咨询
会员Q群
  • 会员专属群点击这里加入QQ群
客服邮箱
回到顶部