电脑桌面
添加小米粒文库到电脑桌面
安装后可以在桌面快捷访问

不锈钢管道及板件焊接工艺卡

不锈钢管道及板件焊接工艺卡_第1页
1/29
不锈钢管道及板件焊接工艺卡_第2页
2/29
不锈钢管道及板件焊接工艺卡_第3页
3/29
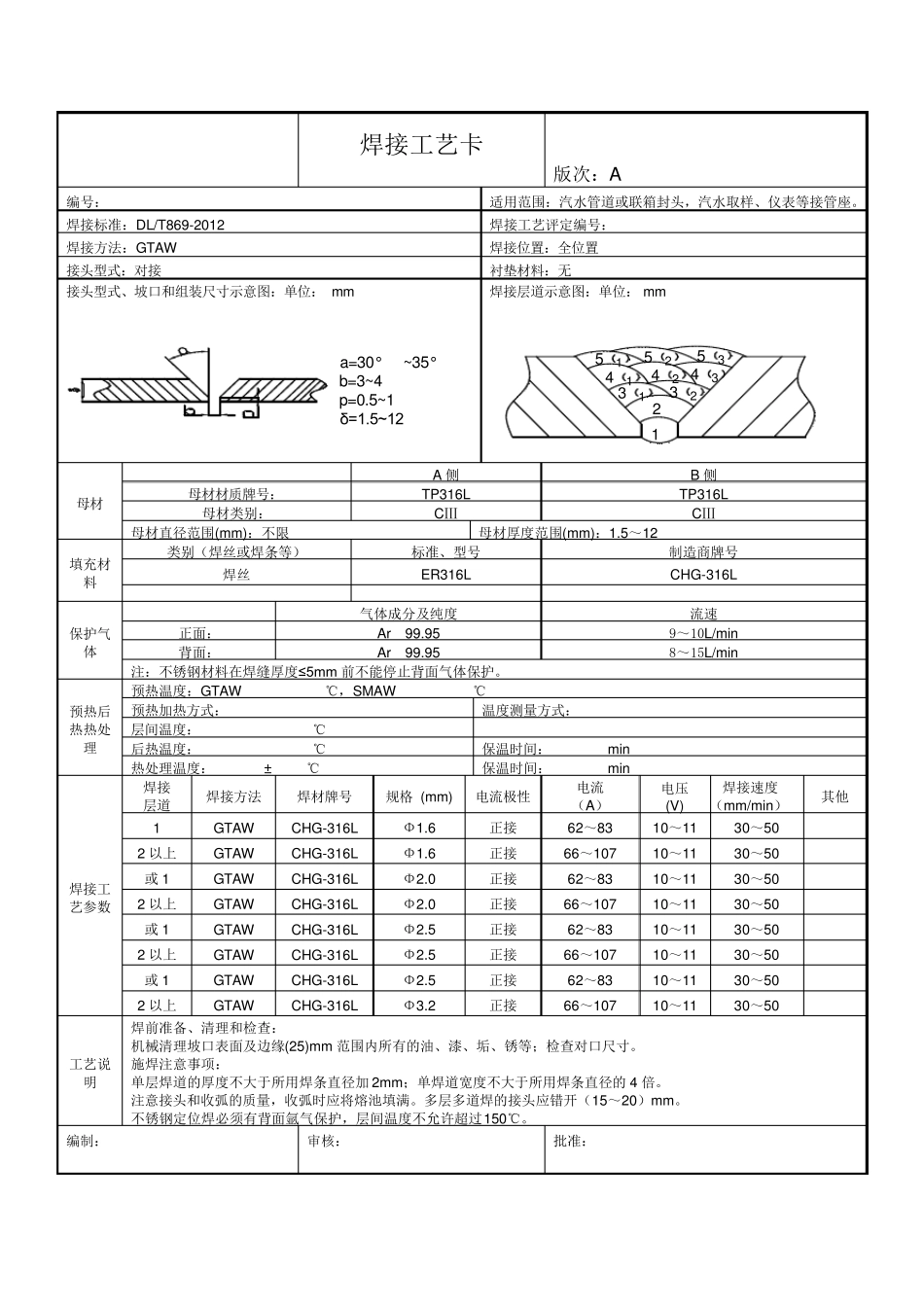
焊 接 工 艺 卡 版 次 : A 编 号 : 适 用 范 围 : 汽 水 管 道 或 联 箱 封 头 , 汽 水 取 样 、 仪 表 等 接 管 座 。 焊 接 标 准 : DL/T869-2012 焊 接 工 艺 评 定 编 号 : 焊 接 方 法 : GTAW 焊 接 位 置 : 全 位 置 接 头 型 式 : 对 接 衬 垫 材 料 : 无 接 头 型 式 、 坡 口 和 组 装 尺 寸 示 意 图 : 单 位 :mm a=30°~35°b=3~4p=0.5~1δ=1.5~12 焊 接 层 道 示 意 图 : 单 位 : mm 1231324142 43515253 母 材 A 侧 B 侧 母 材 材 质 牌 号 : TP316L TP316L 母 材 类 别 : CⅢ CⅢ 母 材 直 径 范 围 (mm): 不 限 母 材 厚 度 范 围 (mm): 1.5~ 12 填 充 材料 类 别 ( 焊 丝 或 焊 条 等 ) 标 准 、 型 号 制 造 商 牌 号 焊 丝 ER316L CHG-316L 保 护 气体 气 体 成 分 及 纯 度 流 速 正 面 : Ar 99.95 9~ 10L/min 背 面 : Ar 99.95 8~ 15L/min 注 : 不 锈 钢 材 料 在 焊 缝 厚 度 ≤5mm 前 不 能 停 止 背 面 气 体 保 护 。 预 热 后热 热 处理 预 热 温 度 : GTAW ℃ , SMAW ℃ 预 热 加 热 方 式 : 温 度 测 量 方 式 : 层 间 温 度 : ℃ 后 热 温 度 : ℃ 保 温 时 间 : min 热 处 理 温 度 : ± ℃ 保 温 时 间 : min 焊 接 工艺 参 数 焊 接 层 道 焊 接 方 法 焊 材 牌 号 规 格 (mm) 电 流 极 性 电 流 ( A) 电 压 (V) 焊 接 速 度( mm/min) 其 他 1 GTAW CHG-316L Φ1.6 正 接 62~ 83 10~ 11 30~ 50 2 以上 GTAW CHG-316L Φ1.6 正 接 66~ 107 10~ 11 30~ 50 或 1 GTAW CHG-316L Φ2.0 正 接 62~ 83 10~ 11 30~ 50 2 以上 GTAW CHG-316L Φ2.0 正 接 66~ 107 10~ 11 30~ 50 或 1 GTAW CHG-316L Φ2.5 正 接 62~ 83 10~ 11 30~ 50 2 以上 GTAW CHG-316L Φ2.5 正 接 66~ 107 10~ 11 30~ 50 或 1 GTAW CHG-316L Φ2.5 正 接 62~ 83 10~ 11 30~ 50 2 以上 GTAW CHG-316L Φ3.2 正 接 66~ 107 10...

1、当您付费下载文档后,您只拥有了使用权限,并不意味着购买了版权,文档只能用于自身使用,不得用于其他商业用途(如 [转卖]进行直接盈利或[编辑后售卖]进行间接盈利)。
2、本站所有内容均由合作方或网友上传,本站不对文档的完整性、权威性及其观点立场正确性做任何保证或承诺!文档内容仅供研究参考,付费前请自行鉴别。
3、如文档内容存在违规,或者侵犯商业秘密、侵犯著作权等,请点击“违规举报”。

碎片内容

不锈钢管道及板件焊接工艺卡

确认删除?
VIP
微信客服
  • 扫码咨询
会员Q群
  • 会员专属群点击这里加入QQ群
客服邮箱
回到顶部