电脑桌面
添加小米粒文库到电脑桌面
安装后可以在桌面快捷访问

企业安全隐患排查表

企业安全隐患排查表_第1页
1/11
企业安全隐患排查表_第2页
2/11
企业安全隐患排查表_第3页
3/11
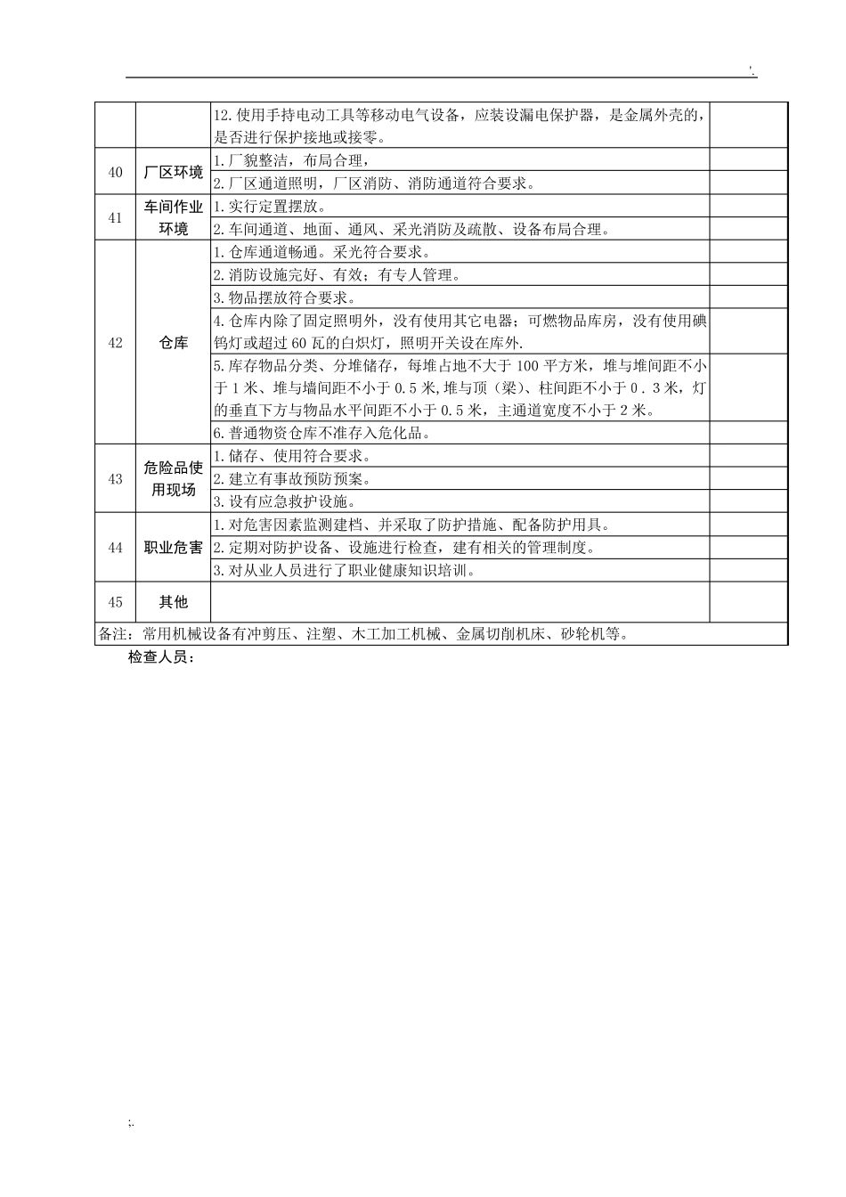
'. ;. 锦 东公司隐患排查表 企业名称: 检查日期: 年 月 日 序 号 检查 项目 检查内容 检查结果 (√/×) 1 责任制 1.企 业 按 规 定 层 层 签 订 安 全 生 产 责 任 书 , 有 安 全 奖 惩 。 2.建 立 了 安 全 组 织 机 构 , 配 备 了 安 全 管 理 人 员 。 2 安全机构设置 1.生 产 组 织 机 构 健 全 , 并 正 常 开 展 工 作 。 2.按 规 定 配 有 专 ( 兼 职 ) 安 全 主 任 。 3 安全 教育 1.对 新 职 工 进 行 了 三 级 安 全 教 育 。 2.特 种 作 业 人 员 持 证 上 岗 。 3.对 中 层 及 中 层 以 上 干 部 进 行 了 安 全 教 育 。 4.对 变 换 工 种 , 复 工 等 进 行 了 安 全 教 育 。 4 安全 管理 1.建 立 了 生 产 安 全 检 查 制 度 。 2.建 立 了 伤 亡 事 故 管 理 制 度 。 3.有 职 业 安 全 健 康 教 育 制 度 。 4.有 特 种 设 备 及 人 员 安 全 管 理 制 度 。 5.有 防 火 危 险 作 业 安 全 管 理 制 度 。 6.有 临 时 电 气 线 ,动 火 审 批 制 度 , 危 险 源 管 理 , 应 急 预 案 等 。 7.有 厂 内 交 通 , 易 燃 易 爆 场 所 管 理 制 度 。 8.有 安 全 防 护 等 项 管 理 制 度 。 9.实 行 了 安 全 生 产 费 用 的 合 理 使 用 与 风 险 抵 押 金 缴 纳 。 10.为 从 业 人 员 缴 纳 保 险 费 等 。 11.新 建 、 改 建 、 扩 建 项 目 依法履行 “三 同时 ”制 度 。 5 事故处理 制 订 有 事 故 管 理 制 度 。 对 已发生 的 事 故 按 照“四不放过”的 原则处理 , 对 防范措施进 行 落实 整改 。 6 设备 设施 1.气 瓶检 验期外观颜色、 安 全 附件、 储存符 合 要 求 并 安 全 使 用 。 2.危 险 化 学 品 库 要 分 类 分 区 , 电 气 设 备 防 爆 、 消 防 通 道 符 合 要 求 。 3.有 应 急 预 案 , 油 库 、 天 然 气 设 施完 好 齐 全 , 标 志 是 否 醒 目 。 5.锅 炉 、 空 压 机 完 好 , 完 备 。 6.工 业 管 道 颜色、 流...

1、当您付费下载文档后,您只拥有了使用权限,并不意味着购买了版权,文档只能用于自身使用,不得用于其他商业用途(如 [转卖]进行直接盈利或[编辑后售卖]进行间接盈利)。
2、本站所有内容均由合作方或网友上传,本站不对文档的完整性、权威性及其观点立场正确性做任何保证或承诺!文档内容仅供研究参考,付费前请自行鉴别。
3、如文档内容存在违规,或者侵犯商业秘密、侵犯著作权等,请点击“违规举报”。

碎片内容

企业安全隐患排查表

小辰5+ 关注
实名认证
内容提供者

出售各种资料和文档

确认删除?
VIP
微信客服
  • 扫码咨询
会员Q群
  • 会员专属群点击这里加入QQ群
客服邮箱
回到顶部