电脑桌面
添加小米粒文库到电脑桌面
安装后可以在桌面快捷访问

余氯CL7685

余氯CL7685_第1页
1/14
余氯CL7685_第2页
2/14
余氯CL7685_第3页
3/14
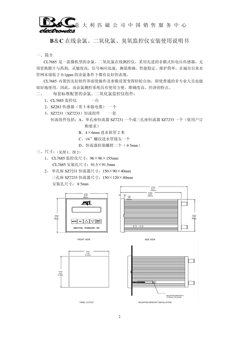
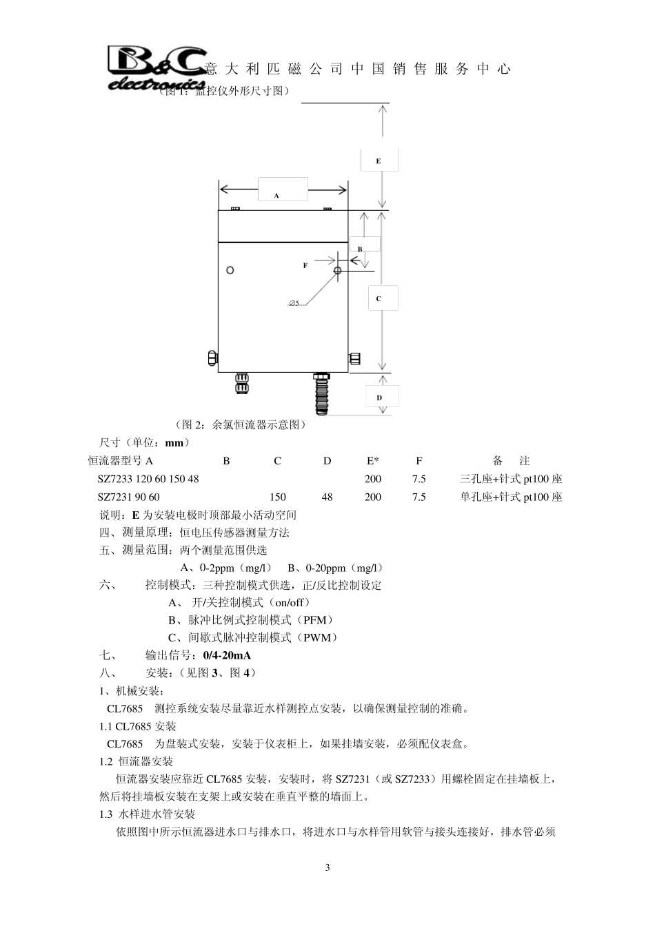
意大利匹磁公司中国销售服务中心 1 目 录 一、简介 ………………………………………………………………………………………… 1 一、 每套标准配置的余氯、二氧化氯监控仪组件 ……………………………………………… 1 二、 尺寸 …………………………………………………………………………………………… 1 三、 测量原理 ……………………………………………………………………………………… 2 四、 测量范围 ……………………………………………………………………………………… 2 五、 控制模式 ……………………………………………………………………………………… 2 六、 输出信号 ……………………………………………………………………………………… 2 七、 安装 …………………………………………………………………………………………… 2 八、 运行及程序指令设定 ………………………………………………………………………… 5 九、 监控仪测量校正操作 ………………………………………………………………………… 9 十一、维护 …………………………………………………………………………………………1 0 十二、接线端子图 …………………………………………………………………………………1 1 意大利匹磁公司中国销售服务中心 B& C 在 线 余 氯 、 二 氧 化 氯 、 臭 氧 监 控 仪 安 装 使 用 说 明 书 一 、 简 介 CL7685 是 一 款 微 机 型 的 余 氯 、 二 氧 化 氯 在 线 测 控 仪 , 采 用 先 进 的 非 膜 式 恒 电 压 传 感 器 , 无须 更 换 膜 片 与 药 剂 , 灵 敏 度 高 , 信 号 响 应 迅 速 , 测 量 准 确 、 性 能 稳 定 、 维 护 简 单 , 在 城 市 自 来 水管 网 末 端 低 于 0.1ppm 的 余 氯 条 件 下 都 有 良 好 的 表 现 。 CL7685 内 置 的 友 好 软 件 界 面 使 操 作 及 参 数 设 置 变 得 轻 松 自 如 , 即 使 普 通 的 非 专 业 人员也能很好 地使 用 。 因此, 该余 氯 测 控 系统具有 使 用 方便、 准 确 度 高 、 经济的 特点。 二 、 每套标准 配置 的 余 氯 、 二 氧 化 氯 监 控 仪 组件 : 1、 CL7685 监 控 仪 一 台 2、 ...

1、当您付费下载文档后,您只拥有了使用权限,并不意味着购买了版权,文档只能用于自身使用,不得用于其他商业用途(如 [转卖]进行直接盈利或[编辑后售卖]进行间接盈利)。
2、本站所有内容均由合作方或网友上传,本站不对文档的完整性、权威性及其观点立场正确性做任何保证或承诺!文档内容仅供研究参考,付费前请自行鉴别。
3、如文档内容存在违规,或者侵犯商业秘密、侵犯著作权等,请点击“违规举报”。

碎片内容

确认删除?
VIP
微信客服
  • 扫码咨询
会员Q群
  • 会员专属群点击这里加入QQ群
客服邮箱
回到顶部