电脑桌面
添加小米粒文库到电脑桌面
安装后可以在桌面快捷访问

供热管网资料格式

供热管网资料格式_第1页
1/47
供热管网资料格式_第2页
2/47
供热管网资料格式_第3页
3/47
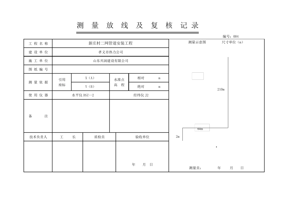
工 程报验申请表 工程名称:新庄村二网管道安装工程 编 号:001 致: 山西安宇建设监理有限公司 我单位已完成了新庄村二网管道沟槽开挖测量放线 工作,现报上该工程报验申请表,请予以审查和验收。 附件: 1、标高测量成果表 2、测量放线及复核记录 承包单位(章) 项目经理 日 期 审核意见: 项目监理机构 总/专业监理工程师 日 期 标 高 测 量 成 果 表 工程名称: 新庄村二网管道安装工程 施测内容自然地坪标高 依据资料图纸第 3 页 设计 标高 点 号 设计高 实测高 差比 略图和说明 M0 M0 M0M0 4 3 2 1 467.9 1 467.9 468.0 +0.1 467.9 2 467.9 467.8 -0.1 467.9 3 467.9 467.9 0 467.9 4 467.9 467.8 -0.1 单位 检 查 单 位 意 见 测量 填写 校审 年 月 日时写 月 日 时检查 测 量 放 线 及 复 核 记 录 编号:004 工 程 名 称 新庄村二网管道安装工程 测量示意图 尺寸单位(m) 210m 2m · 测量员: 年 月 日 建 设 单 位 孝义市热力公司 施 工 单 位 山东兴润建设有限公司 图 纸 编 号 测 量 依 据 引用 座标 X(A) 水准点 高 程 相对 m Y(B) 绝对 m 使 用 仪 器 水平仪 DSZ--2 经纬仪 J2 备 注 技术负责人 工 长 质检员 验收单位 年 月 日 64m 施工测量放线报验单 工程名称:新庄村二网管道安装工程 施工单位:山东兴润建设有限公司 编号:003 致 山西安宇建设监理有限公司: 根据合同要求,我们已完成 新庄村二网管道安装测量的施工放样工作清单如下,请予查验。 附件:测量及放样资料 日 期: 年 月 日 工程或部位名称 放 样 内 容 备 注 新庄村二网 土方开挖自然地坪 查验结果: 年 月 日 测 量 员 日 期 监理工程师的结论: 年 月 日 监理工程师 日 期 工 程 报验申请表 工程名称:新庄村二网管道安装工程 编 号:001 致: 山西安宇建设监理有限公司 我单位已完成了 新庄村土方开挖 工作,现报上该工程报验申请表,请予以审查和验收。 附件: 1、验槽记录。 2、土方开挖工程检验批质量验收记录。 承包单位(章) 项目经理 日 期 审核意见: 项目监理机构 总/专业监理工程师 日 期 土方开挖工程检验批质量验收记录表 GB50202-2002 010101 单位(子单位)工程名称 新庄村二网管道安装工程 分部(...

1、当您付费下载文档后,您只拥有了使用权限,并不意味着购买了版权,文档只能用于自身使用,不得用于其他商业用途(如 [转卖]进行直接盈利或[编辑后售卖]进行间接盈利)。
2、本站所有内容均由合作方或网友上传,本站不对文档的完整性、权威性及其观点立场正确性做任何保证或承诺!文档内容仅供研究参考,付费前请自行鉴别。
3、如文档内容存在违规,或者侵犯商业秘密、侵犯著作权等,请点击“违规举报”。

碎片内容

供热管网资料格式

确认删除?
VIP
微信客服
  • 扫码咨询
会员Q群
  • 会员专属群点击这里加入QQ群
客服邮箱
回到顶部