电脑桌面
添加小米粒文库到电脑桌面
安装后可以在桌面快捷访问

修井工具与技术

修井工具与技术_第1页
1/41
修井工具与技术_第2页
2/41
修井工具与技术_第3页
3/41
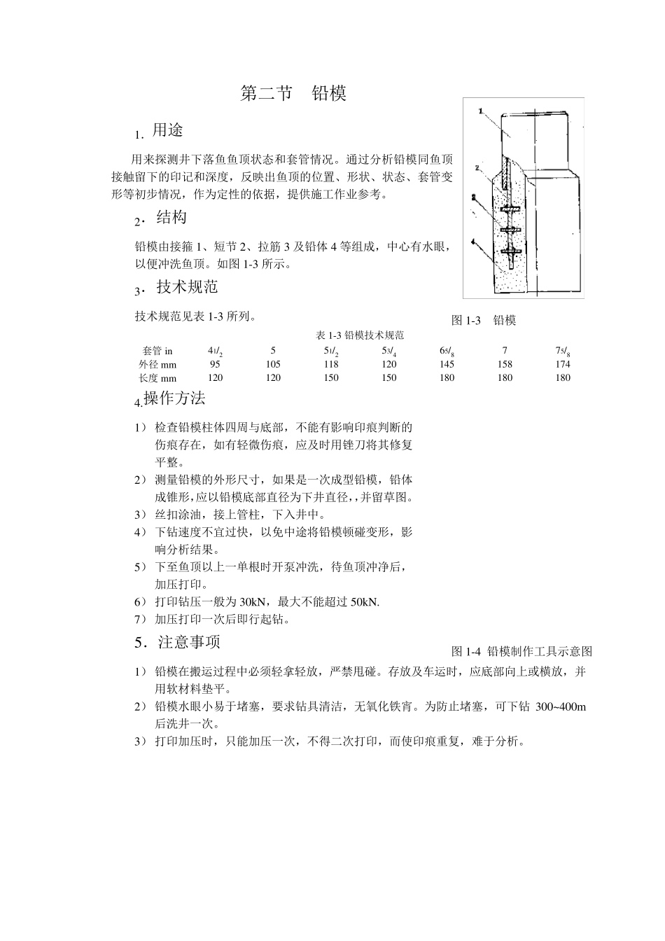
修井工具与技术 第一章 检测工具 判断、证实井下状况是处理井下事故和油水井大修作业的首要前提,是选择应用修井工具的主要依据。因此,检测工具的作用是很重要的。 第一节 通径规 1.用途 检测套管、油管、钻杆以及其他井下管子的内通径是否符合标准,检查他们变形后能通过的最大几何尺寸。 2.结构 套管通径规如图 1-1 所示,使一个两端加工有连接螺纹的筒体;上端与钻具相连接,下端备用。 油管或钻杆通径的测量一般都在地面进行。通径规的形状为一长圆柱体。其中一种形式是两端无螺纹,如 7-2 图(a)。可利用刺油管时的蒸汽作动力,将其从被测管子的一端推入,另一端顶出。另一种形式为两端有抽油杆螺纹,与抽油杆连接用人力进行痛径,如图 1-2(b) 3.参数系列标准和技术规范 表1-1 套管系列用通径规 套管规格in 41/2 5 51/2 53/4 65/8 7 通径规外径 mm 92~95 102~107 114~118 119~128 136~148 146~158 通径规长度mm 500 500 500 500 500 500 上接头螺纹 NC26-12E 2//TBG NC26-12E 2//TBG NC31-22E 2//TBG NC31-22E 2//TBG NC31-22E 2//TBG NC38-32E 3//TBG 下接头螺纹 NC26-12E 2//TBG NC26-12E 2//TBG NC31-22E 2//TBG NC31-22E 2//TBG NC31-22E 2//TBG NC38-32E 3//TBG 表1-2 油管系列用通径规 油管规格in 11/2 2 21/2 3 31/2 4 径规外径 mm 38 48 59 73 84 95 径规长度mm 500 500 500 500 600 600 4.操作方法及注意事项 1)将套管通径规连接下井管柱下入井内通径规应能顺利通过,若遇 阻 则 说 明 井下套管有问 题 。 2)当 下井的工具较 长时,可以在通径规下端再 连接另一个通径规,两通径规间 距 大于 工具长度进行通井。 3)地面通径实验 时,管内应没 有任 何外来 物 质 ,并 应适 当 支 撑 ,防 止 管子下垂 ,以便 通径规自 由 通过. 图 1-1 套管通径规 图 1-2 油管、钻杆通径规 第二节 铅模 1.用途 用来探测井下落鱼鱼顶状态和套管情况。通过分析铅模同鱼顶接触留下的印记和深度,反映出鱼顶的位置、形状、状态、套管变形等初步情况,作为定性的依据,提供施工作业参考。 2.结构 铅模由接箍 1、短节2、拉筋 3 及铅体 4 等组成,中心有水眼,以便冲洗鱼顶。如图 1-3 所示。 3.技术规范 技术规范见表 1-3 所列。 表 1-3 铅模技术规范 套管in 41/2 5 51/2 53/4 65/...

1、当您付费下载文档后,您只拥有了使用权限,并不意味着购买了版权,文档只能用于自身使用,不得用于其他商业用途(如 [转卖]进行直接盈利或[编辑后售卖]进行间接盈利)。
2、本站所有内容均由合作方或网友上传,本站不对文档的完整性、权威性及其观点立场正确性做任何保证或承诺!文档内容仅供研究参考,付费前请自行鉴别。
3、如文档内容存在违规,或者侵犯商业秘密、侵犯著作权等,请点击“违规举报”。

碎片内容

修井工具与技术

确认删除?
VIP
微信客服
  • 扫码咨询
会员Q群
  • 会员专属群点击这里加入QQ群
客服邮箱
回到顶部