电脑桌面
添加小米粒文库到电脑桌面
安装后可以在桌面快捷访问

停车场系统施工工艺标准

停车场系统施工工艺标准_第1页
1/11
停车场系统施工工艺标准_第2页
2/11
停车场系统施工工艺标准_第3页
3/11
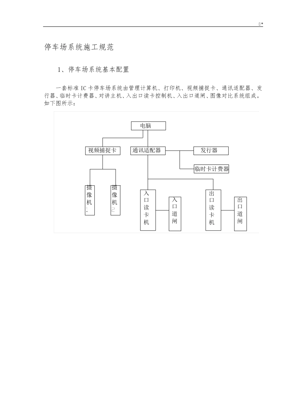
-* 停车场系统施工规范 1、停车场系统基本配置 一套标准 IC 卡停车场系统由管理计算机、打印机、视频捕捉卡、通讯适配器、发行器、临时卡计费器、对讲主机、入出口读卡控制机、入出口道闸、图像对比系统组成。如下图所示: 临时卡计费器发行器视频捕捉卡摄像机通讯适配器入口读卡机摄像机入口道闸出口读卡机出口道闸电脑 -* 系统布置图: 2 、施工准备 2.1、 工具 2.1.1、 冲击钻:主要用于设备固定、穿墙打孔以及线槽、管线固定,钻头¢22/14/12/8 2.1.2、 打磨机:主要用于金属材料的切割、修磨 2.1.3、 主要用于金属材料的打孔,钻头¢ 12/8/4.2 2.1.4、 拉钉枪:主要用于金属材料之间的铆合 2.1.5、 手提切割机:主要用于水泥、地感的切割(切片¢ 180) 2.1.6、 模版:固定安全岛、水泥台 2.1.7、其他常用工具:万用表、内六方扳手套件、活动扳手、烙铁、剥线钳、尖嘴钳、大小螺丝刀套件、网线钳等。 2.2、 辅材 -* 2.2.1、 水 泥 、 沙 子 、 石 子 以 及 打 混 泥 土 的 工 具 2.2.2、 PVC(KBG 铁 管 )及 连 接 接 头 、 弯 头 、 及 固 定 夹 , 膨 胀 管 、 自 攻 钉 、 备 用膨 胀 螺 栓 ; 2.2.3、 扎 带 、 防 水 胶 带 、 热 缩 管 、 缠 绕 带 ( 软 管 ) 根 据 客 户 的 具 体 配 置 和 设 计 图 纸 确 定 布 线 方 案 ,以 上 图 为 例 , 列 举 安 全 岛 的 布 线 方式 。 2.2.3.1、 485 通 讯 线 : 从 电 脑 到 出 入 口 读 卡 机 , 采 用 两 芯 屏 蔽 双 绞 线 , 通 讯 线最 远 距 离 不 应 超 过700 米 , 否 则 需 加485 中 继 器 。 2.2.3.2、 开 闸 线 : 出 入 口 读 卡 机 到 出 入 口 道 闸 布 两 芯 屏 蔽 双 绞 线 。 2.2.3.3、 按 钮 线 : 道 闸 到 岗 亭 内 的 三 联 按 钮 布 六 芯 屏 蔽 线 。 2.2.3.4、 对 讲 线 : 岗 亭 内 的 对 讲 主 机 到 出 入 口 读 卡 控 制 机 布 两 芯 屏 蔽 线 。 2.2.3.5、 网 线 : 如 果 是 远 程管 理的 网 络版配 置 方 案 , 须布 网 线 ; 从 各管 理电 脑 到服务器 。 2.2.3.6、 视频线 : 从 电 脑 到 出 入 口 摄像机 , 注意摄像机 的 电 ...

1、当您付费下载文档后,您只拥有了使用权限,并不意味着购买了版权,文档只能用于自身使用,不得用于其他商业用途(如 [转卖]进行直接盈利或[编辑后售卖]进行间接盈利)。
2、本站所有内容均由合作方或网友上传,本站不对文档的完整性、权威性及其观点立场正确性做任何保证或承诺!文档内容仅供研究参考,付费前请自行鉴别。
3、如文档内容存在违规,或者侵犯商业秘密、侵犯著作权等,请点击“违规举报”。

碎片内容

停车场系统施工工艺标准

您可能关注的文档

确认删除?
VIP
微信客服
  • 扫码咨询
会员Q群
  • 会员专属群点击这里加入QQ群
客服邮箱
回到顶部