电脑桌面
添加小米粒文库到电脑桌面
安装后可以在桌面快捷访问

光伏发电验收资料汇总

光伏发电验收资料汇总_第1页
1/61
光伏发电验收资料汇总_第2页
2/61
光伏发电验收资料汇总_第3页
3/61
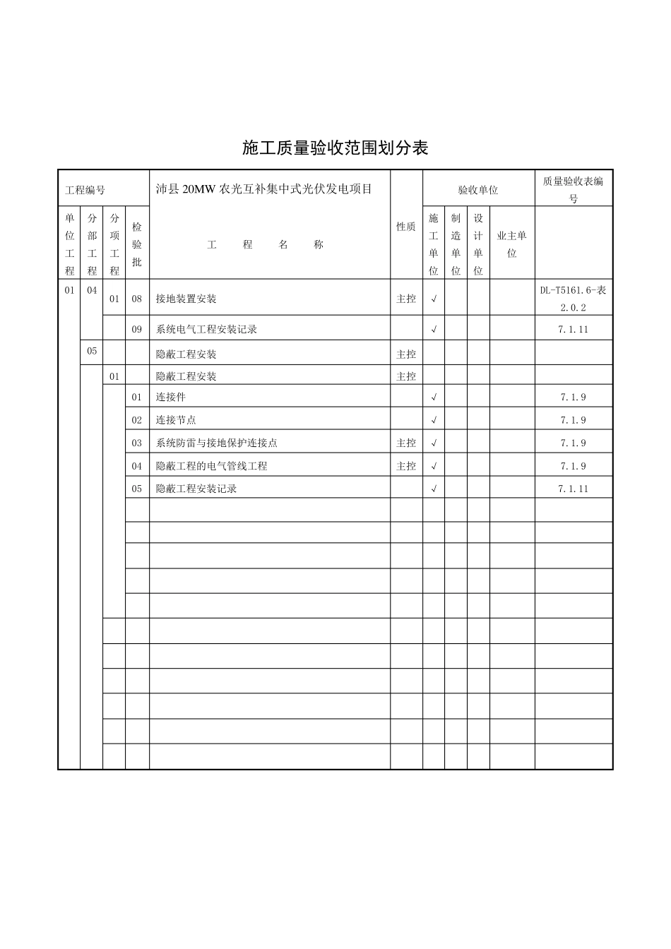
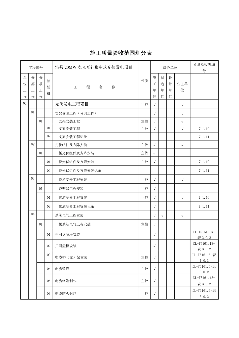
质量验收及评定项目划分报审表 工程名称:沛县20MW 农光互补集中式光伏发电项目 编号: 致: 沛县红日光伏有限公司 项目业主部 现报上 沛县20MW 农光互补集中式光伏发电项目 工程质量验收评定及项目划分表,请审查。 附件:沛县20MW 农光互补集中式光伏发电项目质量验收及评定项目划分表 承包单位(章): 项目经理: 日 期: 业主单位审批意见: 业主单位(章): 项目代表: 日 期: 填报说明: 本表一式 2 份,由承包单位填报,建设单位、承包单位各一份。 施工质量验收范围划分表 工程编号 沛县20MW 农光互补集中式光伏发电项目 性质 验收单位 质量验收表编号 单位工程 分部工程 分项工程 检验批 工 程 名 称 施工单位 制造单位 设计单位 业主单位 01 光伏发电工程项目 主控 √ √ 01 支架安装工程(分部工程) √ √ 01 支架安装工程 主控 √ √ 01 支架安装工程 主控 √ √ 7.1.10 02 支架安装工程记录 7.1.11 02 光伏组件及方阵安装 主控 √ √ 01 楼光伏组件及方阵安装 主控 √ 01 楼光伏组件及方阵安装 主控 √ 7.1.10 02 楼光伏组件及方阵安装记录 7.1.11 03 楼逆变器工程安装 主控 √ √ 01 逆变器工程安装 主控 √ 01 楼逆变器工程安装 主控 √ √ 7.1.10 02 楼逆变器工程安装记录 √ 7.1.11 04 系统电气工程安装 √ √ √ 01 楼系统电气工程安装 主控 √ 01 并网盘底座安装 √ DL-T5161.13-表2.0.2 02 并网盘柜安装 √ DL-T5161.13-表3.0.2 03 电缆桥(支)架安装 主控 √ DL-T5161.5-表1.0.3 04 电缆敷设 主控 √ DL-T5161.5-表3.0.2 05 电缆终端制作 主控 √ DL-T5161.13-表3.0.2 06 电缆防火封堵 主控 √ DL-T5161.5-表5.0.2 施工质量验收范围划分表 工程编号 沛县20MW 农光互补集中式光伏发电项目 性质 验收单位 质量验收表编号 单位工程 分部工程 分项工程 检验批 工 程 名 称 施工单位 制造单位 设计单位 业主单位 01 04 01 08 接地装置安装 主控 √ DL-T5161.6-表2.0.2 09 系统电气工程安装记录 √ 7.1.11 05 隐蔽工程安装 主控 01 隐蔽工程安装 主控 01 连接件 √ 7.1.9 02 连接节点 √ 7.1.9 03 系统防雷与接地保护连接点 主控 √ 7.1.9 04 隐蔽工程的电气管线工程 主控 √ 7.1.9 05 隐蔽工程安装记录 √ 7.1.11...

1、当您付费下载文档后,您只拥有了使用权限,并不意味着购买了版权,文档只能用于自身使用,不得用于其他商业用途(如 [转卖]进行直接盈利或[编辑后售卖]进行间接盈利)。
2、本站所有内容均由合作方或网友上传,本站不对文档的完整性、权威性及其观点立场正确性做任何保证或承诺!文档内容仅供研究参考,付费前请自行鉴别。
3、如文档内容存在违规,或者侵犯商业秘密、侵犯著作权等,请点击“违规举报”。

碎片内容

光伏发电验收资料汇总

您可能关注的文档

确认删除?
VIP
微信客服
  • 扫码咨询
会员Q群
  • 会员专属群点击这里加入QQ群
客服邮箱
回到顶部