电脑桌面
添加小米粒文库到电脑桌面
安装后可以在桌面快捷访问

光伏项目竣工资料表格

光伏项目竣工资料表格_第1页
1/155
光伏项目竣工资料表格_第2页
2/155
光伏项目竣工资料表格_第3页
3/155
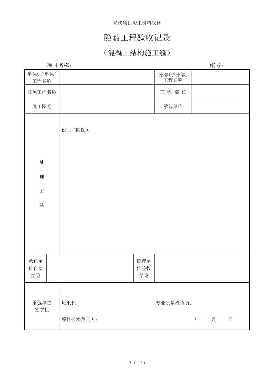
光伏项目竣工资料表格 1 / 1 5 5 隐蔽工程验收记录 (钢筋工程) 项目名称: 编号: 单位(子单位)工程名称 分部(子分部)工程名称 分项工程名称 工程部位 施工图号 承包单位 主 要 质 量 情 况 钢筋钢筋 级别 出厂合格证编号 复试报告编号 接头型式 接头试验报告编号 试验报告结论 质量问题及其处理情况 复查意见 承包单位自检结论 监理单位验收结论 承包单位 签字栏 班组长: 专业质量检查员: 项目技术负责人: 年 月 日 监理单位 签字栏 专业监理工程师: 年 月 日 光伏项目竣工资料表格 2 / 1 5 5 本表一式 份,建设管理单位存 份、项目监理机构存 1 份、承包单位存 份。 光伏项目竣工资料表格 3 / 1 5 5 隐蔽工程验收记录 (混凝土结构施工缝) 项目名称: 编号: 单位(子单位)工程名称 分部(子分部) 工程名称 分项工程名称 工 程 部 位 施工图号 承包单位 处 理 方 法 说明(附图): 承包单位自检结论 监理单位验收结论 承包单位 签字栏 班组长: 专业质量检查员: 项目技术负责人: 年 月 日 光伏项目竣工资料表格 4 / 1 5 5 监理单位 签字栏 专业监理工程师: 年 月 日 本表一式 份,建设管理单位存 份、项目监理机构存 1 份、承包单位存 份。 光伏项目竣工资料表格 5 / 1 5 5 隐蔽工程验收记录 (屋面工程) 项目名称: 编号: 单位(子单位)工程名称 分项工程名称 验收部位 施工图号 验 收 内 容 说明(附 图): 承包单位自检结论 监理单位验收结论 承包单位 签字栏 班组长: 专业质量检查员: 项目技术负责人: 年 月 日 监理单位 签字栏 专业监理工程师: 年 月 日 光伏项目竣工资料表格 6 / 1 5 5 本表一式 份,建设管理单位存 份、项目监理机构存 1 份、承包单位存 份。光伏项目竣工资料表格 7 / 155 隐蔽工程检查验收记录 (电缆直埋敷设工程) 项目名称: 编号: 单位(子单位)工程名称 分部(子分部)工程名称 隐蔽部位 情况 自 部位~ 部位, 段 kV 芯电缆, 铜/铝线芯截面 m m 2, 电缆外径 m m ,每段 条,全长 m ,敷设电缆时气温 ℃。 序号 检查内容 质量标准 类别 承包单位自检情况 1 电缆沟 尺寸 宽度 (填写设计要求值) 一般 深度 (填写设计要求值) 主要 2 电缆本体 外护套 外观完好无破...

1、当您付费下载文档后,您只拥有了使用权限,并不意味着购买了版权,文档只能用于自身使用,不得用于其他商业用途(如 [转卖]进行直接盈利或[编辑后售卖]进行间接盈利)。
2、本站所有内容均由合作方或网友上传,本站不对文档的完整性、权威性及其观点立场正确性做任何保证或承诺!文档内容仅供研究参考,付费前请自行鉴别。
3、如文档内容存在违规,或者侵犯商业秘密、侵犯著作权等,请点击“违规举报”。

碎片内容

光伏项目竣工资料表格

您可能关注的文档

确认删除?
VIP
微信客服
  • 扫码咨询
会员Q群
  • 会员专属群点击这里加入QQ群
客服邮箱
回到顶部