电脑桌面
添加小米粒文库到电脑桌面
安装后可以在桌面快捷访问

光纤测温系统

光纤测温系统_第1页
1/13
光纤测温系统_第2页
2/13
光纤测温系统_第3页
3/13
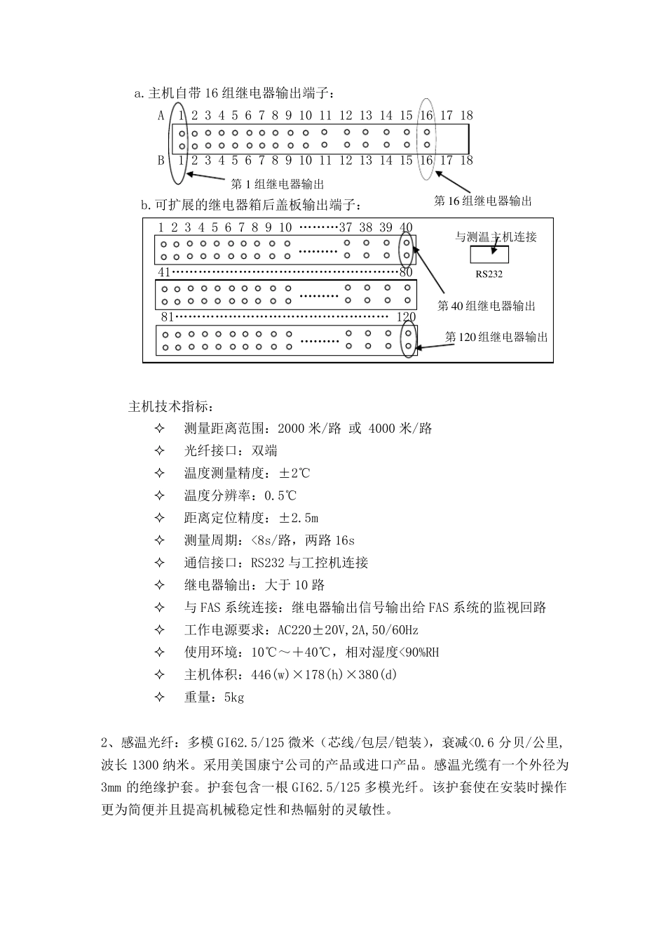
光纤测温系统技术原理 线型差定温火灾探测系统的原理是利用激光在光纤中传输能够产生背向散射,在光纤中注入一定能量和宽度的激光脉冲,它在光纤中传输的同时不断产生背向散射光波,这些背向散射光波的状态受到所在光纤散射点的温度影响而有所改变,将散射回来的光波经波分复用、 检 测解 调 后 ,送 入信 号 处 理系统便 可 将温度信 号 实 时显 示 出 来,并 且 由 光纤中光波的传输速 度和背向光回波的时间 对 这些信 息 定位 。其 原理和结 构 框 图 如 下 所示 。 线 型 差 定 温 火 灾 探 测 系 统 的 原 理 示 意 图 0 三.系统组成 ❖ 测温主机(终端机) ❖ 感温光纤 ❖ 监视机(工控电脑) 1、FDTS 系统主机插槽视图 测温主机:型号:JTWN-LDC-70A-FR01,广州市科思通技术有限公司自主开发。经过国家消防机构检测合格的产品。 RS232 通信口引脚图: 引脚 输出信号 1 空 2 RxD(串口 1) 3 TxD(串口 1) 4 空 5 地(串口 1) 6 TxD(串口 2) 7 RxD(串口 2) 8 地(串口 2) 9 空 继电器输出 RS232 通信口 光纤端口 继电器输出 ~220V 电源输入 电源开关 a.主机自带16 组继电器输出端子: A 1 2 3 4 5 6 7 8 9 10 11 12 13 14 15 16 17 18 B 1 2 3 4 5 6 7 8 9 10 11 12 13 14 15 16 17 18 b.可扩展的继电器箱后盖板输出端子: 1 2 3 4 5 6 7 8 9 10 ………37 38 39 40 41……………………………………………80 81………………………………………… 120 主机技术指标:  测量距离范围:2000 米/路 或 4000 米/路  光纤接口:双端  温度测量精度:±2℃  温度分辨率:0.5℃  距离定位精度:±2.5m  测量周期:<8s/路,两路16s  通信接口:RS232 与工控机连接  继电器输出:大于 10 路  与 FAS 系统连接:继电器输出信号输出给 FAS 系统的监视回路  工作电源要求:AC220±20V,2A,50/60Hz  使用环境:10℃~+40℃,相对湿度<90%RH  主机体积:446(w)×178(h)×380(d)  重量:5kg 2、感温光纤:多模 GI62.5/125 微米(芯线/包层/铠装),衰减<0.6 分贝/公里,波长 1300 纳米。采用美国康宁公司的产品或进口产品。感温光缆有一个外径为3mm 的绝缘护套。护套包含一根 GI62.5/125 多模光纤。该护套...

1、当您付费下载文档后,您只拥有了使用权限,并不意味着购买了版权,文档只能用于自身使用,不得用于其他商业用途(如 [转卖]进行直接盈利或[编辑后售卖]进行间接盈利)。
2、本站所有内容均由合作方或网友上传,本站不对文档的完整性、权威性及其观点立场正确性做任何保证或承诺!文档内容仅供研究参考,付费前请自行鉴别。
3、如文档内容存在违规,或者侵犯商业秘密、侵犯著作权等,请点击“违规举报”。

碎片内容

光纤测温系统

小辰7+ 关注
实名认证
内容提供者

出售各种资料和文档

确认删除?
VIP
微信客服
  • 扫码咨询
会员Q群
  • 会员专属群点击这里加入QQ群
客服邮箱
回到顶部