电脑桌面
添加小米粒文库到电脑桌面
安装后可以在桌面快捷访问

光纤红外测温仪使用说明书

光纤红外测温仪使用说明书_第1页
1/9
光纤红外测温仪使用说明书_第2页
2/9
光纤红外测温仪使用说明书_第3页
3/9
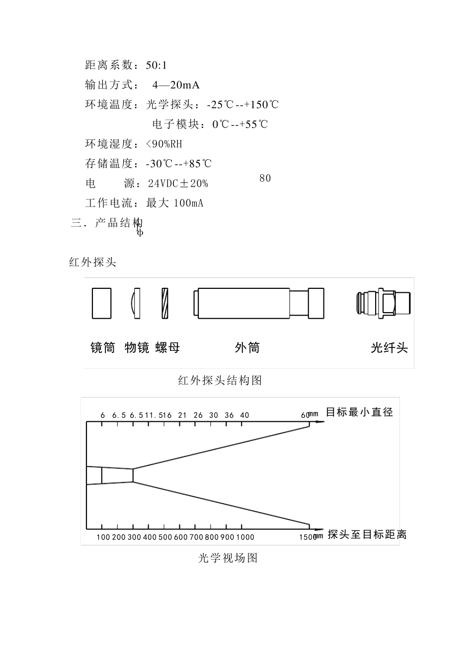
光 纤 红 外 测 温 仪 使 用 说 明 书 陕西瑞光自动化仪表有限公司 RG 光 纤 红 外 测 温 仪 使 用 说 明 书 一 、 概 述 一 切 温 度 高 于 绝 对 零 度 的 物 体 时 时 刻 刻 都 在 不 停 的 辐 射 红 外 能量 , 物 体 辐 射 的 红 外 能 量 的 多 少 与 物 体 的 表 面 温 度 存 在 一 定 的 函 数 关系 。 通 过 探 测 器 接 收 物 体 辐 射 能 量 再 经 过 计 算 获 得 物 体 表 面 温 度 的 方法 称 为 红 外 测 温 。 红 外 测 温 具 有 响 应 速 度 快 、 灵 敏 度 高 、 准 确 度 高 和测 温 范 围 广 的 优 点 , 尤 其 是 其 非 接 触 测 量 的 特 点 , 使 红 外 测 温 在 测 量运 动 物 体 和 难 以 接 近 的 物 体 的 温 度 方 面 得 到 了 很 好 的 应 用 。 光 纤 红 外 测 温 仪 是 一 种 结 合 红 外 测 温 技 术 和 光 纤 传 感 技 术 、 实 现高 精 度 、 高 重 复 性 、 快 速 响 应 、 非 接 触 测 量 的 新 型 测 温 仪 器 。 它 一 般由 红 外 探 头 、 传 光 光 纤 、 电 子 模 块 、 信 号 传 输 电 缆 等 组 成 。 被 测 物 体的 红 外 辐 射 经 红 外 探 头 透 镜汇聚到 光 纤 前端, 通 过 光 纤 传 输 及红 外 滤光 片过 滤后的 红 外 能 量 , 被 红 外 探 测 器 接 收 并转换成 相应 的 电 信 号 ,此电 信 号 经 电 子 线路的 放大、 线性 化处理后以 标准 的 信 号 输 出方 式输出。 该产品可广 泛应 用 于 冶炼、 铸造、 轧钢、 煅造、 粉末冶金、 化工、玻璃加工、 陶瓷、 中频感 应 加热、 焊接 等 行业。 传光光纤红外探头传输电缆电子模块 产品组 成 图 二、 技 术 参数 测 温 范 围 :300℃--3000℃(分段) 测 量 精 度 :±1% 重 复 精 度 :±0.5% 响 应 时 间:≤100ms 光 谱响 应 :0.8-1.1um 距离系数:50:1 输出方式: 4—20mA 环境温度:光学探头:-25℃--+150℃ 电子模块:0℃--+55℃ 环境湿度:<90%RH 存储温度:-30℃--+85℃ 电 源:24VDC±20% 工作电流:最大...

1、当您付费下载文档后,您只拥有了使用权限,并不意味着购买了版权,文档只能用于自身使用,不得用于其他商业用途(如 [转卖]进行直接盈利或[编辑后售卖]进行间接盈利)。
2、本站所有内容均由合作方或网友上传,本站不对文档的完整性、权威性及其观点立场正确性做任何保证或承诺!文档内容仅供研究参考,付费前请自行鉴别。
3、如文档内容存在违规,或者侵犯商业秘密、侵犯著作权等,请点击“违规举报”。

碎片内容

光纤红外测温仪使用说明书

确认删除?
VIP
微信客服
  • 扫码咨询
会员Q群
  • 会员专属群点击这里加入QQ群
客服邮箱
回到顶部