电脑桌面
添加小米粒文库到电脑桌面
安装后可以在桌面快捷访问

光藕型号、电路大全

光藕型号、电路大全_第1页
1/26
光藕型号、电路大全_第2页
2/26
光藕型号、电路大全_第3页
3/26
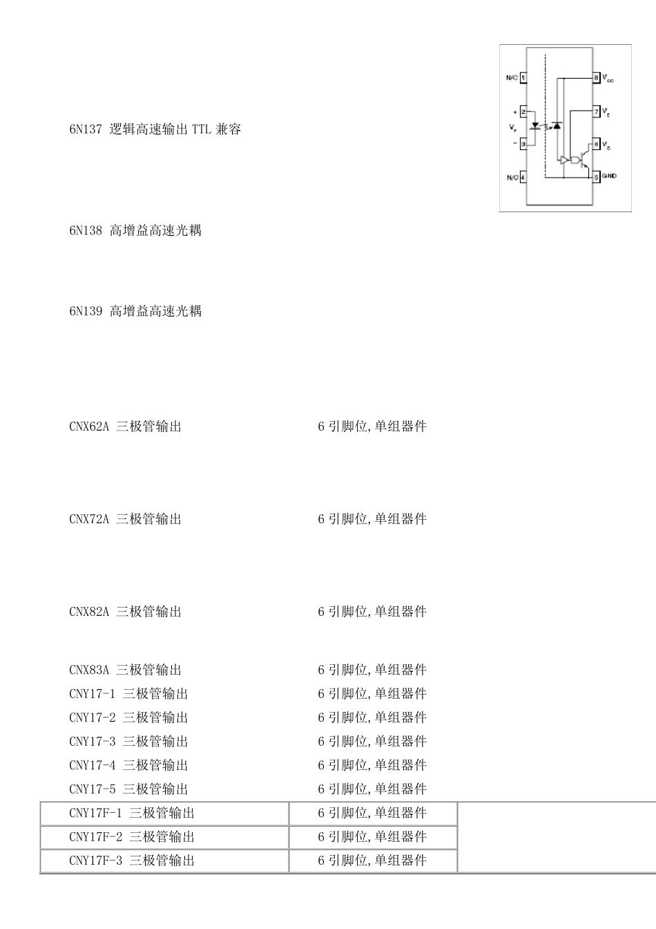
型号-引脚功能说明 脚位 内部结构电路图 AQY210 4 引脚位,单组 AQY214 4 引脚位,单组 AQY210S 4 引脚位,单组 AQY214Sx 4 引脚位,单组 AQV210 6 引脚位,单组器件 AQV212 6 引脚位,单组器件 AQV215 6 引脚位,单组器件 AQV217 6 引脚位,单组器件 AQV214 6 引脚位,单组器件 AQV216 6 引脚位,单组器件 AQV414 6 引脚位,单组器件 HCPL2530 高速光耦 8 引脚位 HCPL2531 高速光耦 8 引脚位 HCPL4502 高速光耦 8 引脚位 HCPL2503 高速光耦 HCPL2533 高速光耦 8 引脚位 HCPL2601 高速光耦 8 引脚位 HCPL2611 高速光耦 8 引脚位8 引脚位 HCPL2630 高速光耦 8 引脚位 HCPL2631 高速光耦 8 引脚位 HCPL2730 高速光耦 8 引脚位 HCPL2731 高速光耦 8 引脚位 K1010 三极管输出 4N25 三极管输出 6 引脚位,单组器件 4N26 三极管输出 6 引脚位,单组器件 4N27 三极管输出 6 引脚位,单组器件 4N28 三极管输出 6 引脚位,单组器件 4N29 达林顿管输出 6 引脚位,单组器件 4N30 达林顿管输出 6 引脚位,单组器件 4N31 达林顿管输出 6 引脚位,单组器件 4N32 达林顿管输出 6 引脚位,单组器件 4N33 达林顿管输出 6 引脚位,单组器件 4N35 三极管输出 6 引脚位,单组器件 4N36 三极管输出 6 引脚位,单组器件 4N37 三极管输出 6 引脚位,单组器件 4N38 三极管输出 6 引脚位,单组器件 4N38A 三极管输出 6 引脚位,单组器件 4N39 单向晶闸管输出 6 引脚位,单组器件 4N40 单向晶闸管输出 6 引脚位,单组器件 6N135 高速光耦,高速光耦 6N136 高速光耦 6N137 逻辑高速输出TTL 兼容 6N138 高增益高速光耦 6N139 高增益高速光耦 CNX62A 三极管输出 6 引脚位,单组器件 CNX72A 三极管输出 6 引脚位,单组器件 CNX82A 三极管输出 6 引脚位,单组器件 CNX83A 三极管输出 6 引脚位,单组器件 CNY17-1 三极管输出 6 引脚位,单组器件 CNY17-2 三极管输出 6 引脚位,单组器件 CNY17-3 三极管输出 6 引脚位,单组器件 CNY17-4 三极管输出 6 引脚位,单组器件 CNY17-5 三极管输出 6 引脚位,单组器件 CNY17F-1 三极管输出 6 引脚位,单组器件 CNY17F-2 三极管输出 6 引脚位,单组器件 CNY17F-3 三极管输出 6 引脚位,单组器件 CNY17F-4 三极管输出 6 引脚位,单组器件 6 CNY30 单向晶闸管输...

1、当您付费下载文档后,您只拥有了使用权限,并不意味着购买了版权,文档只能用于自身使用,不得用于其他商业用途(如 [转卖]进行直接盈利或[编辑后售卖]进行间接盈利)。
2、本站所有内容均由合作方或网友上传,本站不对文档的完整性、权威性及其观点立场正确性做任何保证或承诺!文档内容仅供研究参考,付费前请自行鉴别。
3、如文档内容存在违规,或者侵犯商业秘密、侵犯著作权等,请点击“违规举报”。

碎片内容

光藕型号、电路大全

小辰3+ 关注
实名认证
内容提供者

出售各种资料和文档

确认删除?
VIP
微信客服
  • 扫码咨询
会员Q群
  • 会员专属群点击这里加入QQ群
客服邮箱
回到顶部