电脑桌面
添加小米粒文库到电脑桌面
安装后可以在桌面快捷访问

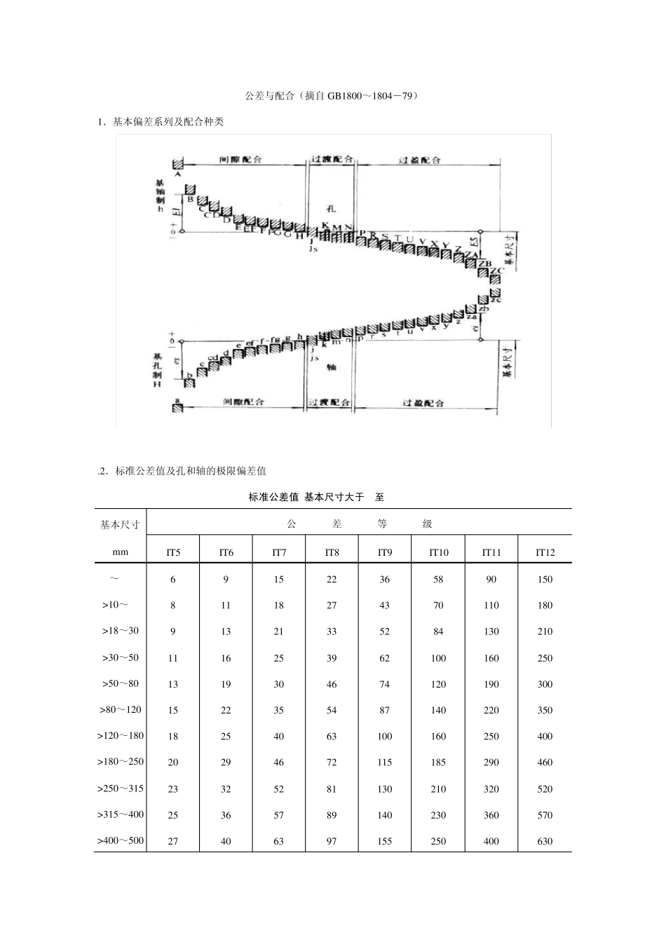
公差等级及配合表

公差等级及配合表_第1页
1/18
公差等级及配合表_第2页
2/18
公差等级及配合表_第3页
3/18
自由尺寸公差 公差等于上下偏差的绝对值 旧国标(HG)159-59 中,在基准件公差上,把精度等级分成 12 级。取自其中8、9 两级精度基准件公差,称为自由尺寸公差。将偏差分为;单向(+)或(-)、双向(±)二种。 在自由尺寸公差的注解中提示; ① 自由尺寸公差仅适用于机械加工表面。 ② 自由尺寸公差在工作图上不标注。 ③ 单向偏差对于轴用(-)号,对于孔、孔深、槽宽、螬深及槽长用(+)号,其余均用双向正负偏差(±)。 ④ 不能纳入上述明确原则的自由尺寸,且有单向偏差要求时,设计者应在工图中注出,否则按双向偏差制造。修定后国标(GB)1800-79 中,标准公差分20 级。 即;IT01、IT0、IT1 至 IT18。IT 表示标准公差,公差等级的代号用阿拉伯数字表示,从 IT01至 IT18 等级依次降低。并制定(GB)1804-79 未注公差尺寸的极限偏差,规定有三条; ① 规定的极限偏差适用于金属切削加工的尺寸,也可用于非切削加工的尺寸, ② 图样上未注公差尺寸的偏差,按本标准规定的系列,由相应的技术文件作出具体规定。 ③ 未注公差尺寸的公差等级规定为IT12 至 IT18。一般孔用 H(+);轴用 h(-);长度用(±)? IT(即 Js 或js)。必要时,可不分孔、轴或长度,均采用 ? IT(即 Js 或js)。 50~80mm IT1 0.002mm,IT2 0.003mm,IT3 0.005mm,IT4 0.008mm,IT5 0.013mm,IT6 0.019mm,IT7 0.030mm,IT8 0.046mm,IT9 0.074mm,IT10 0.12mm,IT11 0.19mm,IT12 0.3mm,IT13 0.46mm,IT14 0.74mm,IT15 1.2mm,IT16 1.9mm,IT17 3mm,IT18 4.6mm 80~120mm IT1 0.0025mm,IT2 0.004mm,IT3 0.006mm,IT4 0.01mm,IT5 0.015mm,IT6 0.022mm,IT7 0.035mm,IT8 0.054mm,IT9 0.087mm,IT10 0.14mm,IT11 0.22mm,IT12 0.35mm,IT13 0.54mm,IT14 0.87mm,IT15 1.4mm,IT16 2.2mm,IT17 3.5mm,IT18 5.4mm 一、GB/T1804-2000 线形尺寸的极限偏差数值 公差等级 基本尺寸分段 0.5~3 >3~6 >6~30 >30~120 >120~400 >400~1000 >1000~2000 >2000~4000 精密 f ±0.05 ±0.05 ±0.1 ±0.15 ±0.2 ±0.3 ±0.5 中等m ±0.1 ±0.1 ±0.2 ±0.3 ±0.5 ±0.8 ±1.2 ±2 粗糙 c ±0.2 ±0.3 ±0.5 ±0.8 ±1.2 ±2 ±3 ±4 最粗 v ±0.5 ±1 ±1.5 ±2.5 ±4 ±6 ±8 二、(GB/T1804-2000)倒圆半径和倒角高度...

1、当您付费下载文档后,您只拥有了使用权限,并不意味着购买了版权,文档只能用于自身使用,不得用于其他商业用途(如 [转卖]进行直接盈利或[编辑后售卖]进行间接盈利)。
2、本站所有内容均由合作方或网友上传,本站不对文档的完整性、权威性及其观点立场正确性做任何保证或承诺!文档内容仅供研究参考,付费前请自行鉴别。
3、如文档内容存在违规,或者侵犯商业秘密、侵犯著作权等,请点击“违规举报”。

碎片内容

公差等级及配合表

确认删除?
VIP
微信客服
  • 扫码咨询
会员Q群
  • 会员专属群点击这里加入QQ群
客服邮箱
回到顶部