电脑桌面
添加小米粒文库到电脑桌面
安装后可以在桌面快捷访问

公路工程合同专用条款

公路工程合同专用条款_第1页
1/20
公路工程合同专用条款_第2页
2/20
公路工程合同专用条款_第3页
3/20
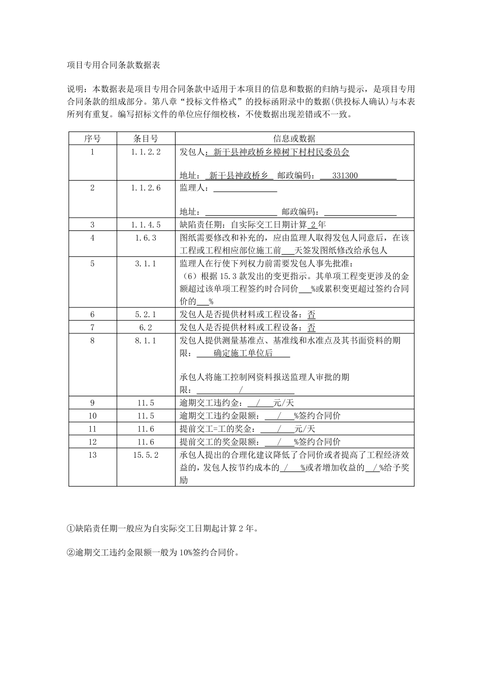
项目专用合同条款 说明: 1.招标人在根据《公路工程标准施工招标文件》编制项目招标文件中的“项目专用合同条款”时,可根据招标项目的具体特点和实际需要,对“通用合同务款”及“公路工程专用合同条款”进行补充和细化,除“通用合同条款”明确“专用合同条款”可作出不同约定以及“公路工程专用合同条款”明确“项目专用合同条款”可作出不同约定外,补充和细化的内容不得与“通用合同条款”及“公路工程专用合同条款”强制性规定相抵触。同时,补充、细化或约定的不同内容,不得违反法律、行政法规的强制性规定和平等、自愿、公平和诚实信用原则.。 2.项目专用合同条款的编号应与通用合同条款和公路工程专用合同条款一致。 3.项目专用合同条款可对下列内容进行补充和细化: (1)“通用合同务款”中明确指出„„专用合同条款”可对“通用合同条款”进行修 改 的内容(在“通用合同条款”中用“应按 合同约定”、“应按 专用合同条款约定”“除合同另 有 约定外”、“除专用合同条款另 有 约定外”、“在专用合同条款中约定”等多 种 文字 形 式 表 达 ); (2)“公路工程专用合同条款”中明确指出“项目专用合同条款”可对“公路工程专用合同条款”进行修 改 的内容(在“公路工程专用合同条款”中用“除项目专用合同条款另 有 约定外”,“项目专用合同条款可能 约定的”,“项目专用合同条款约定的其 他 情 形 ”等多 种 文字 形 式 表 达 ); (3)其 他 需要补充、细化的内容。 项目专用合同条款数据表 说明:本数据表是项目专用合同条款中适用于本项目的信息和数据的归纳与提示,是项目专用合同条款的组成部分。第八章“投标文件格式”的投标函附录中的数据(供投标人确认)与本表所列有重复。编写招标文件的单位应仔细校核,不使数据出现差错或不一致。 序号 条目号 信息或数据 1 1.1.2.2 发包人:新干县神政桥乡樟树下村村民委员会 地址: 新干县神政桥乡 邮政编码: 331300 2 1.1.2.6 监理人: 地址: 邮政编码: 3 1.1.4.5 缺陷责任期:自实际交工日期计算 2 年 4 1.6.3 图纸需要修改和补充的,应由监理人取得发包人同意后,在该工程或工程相应部位施工前 天签发图纸修改给承包人 5 3.1.1 监理人在行使下列权力前需要发包人事先批准: (6)根据15.3 款发出的变更指示。其单项工程变更涉及的金额超过该单项工程签约时合同价 %或累 积 变更超过签约合同价 的 ...

1、当您付费下载文档后,您只拥有了使用权限,并不意味着购买了版权,文档只能用于自身使用,不得用于其他商业用途(如 [转卖]进行直接盈利或[编辑后售卖]进行间接盈利)。
2、本站所有内容均由合作方或网友上传,本站不对文档的完整性、权威性及其观点立场正确性做任何保证或承诺!文档内容仅供研究参考,付费前请自行鉴别。
3、如文档内容存在违规,或者侵犯商业秘密、侵犯著作权等,请点击“违规举报”。

碎片内容

公路工程合同专用条款

您可能关注的文档

小辰5+ 关注
实名认证
内容提供者

出售各种资料和文档

确认删除?
VIP
微信客服
  • 扫码咨询
会员Q群
  • 会员专属群点击这里加入QQ群
客服邮箱
回到顶部