电脑桌面
添加小米粒文库到电脑桌面
安装后可以在桌面快捷访问

公路工程施工安全检查表

公路工程施工安全检查表_第1页
1/13
公路工程施工安全检查表_第2页
2/13
公路工程施工安全检查表_第3页
3/13
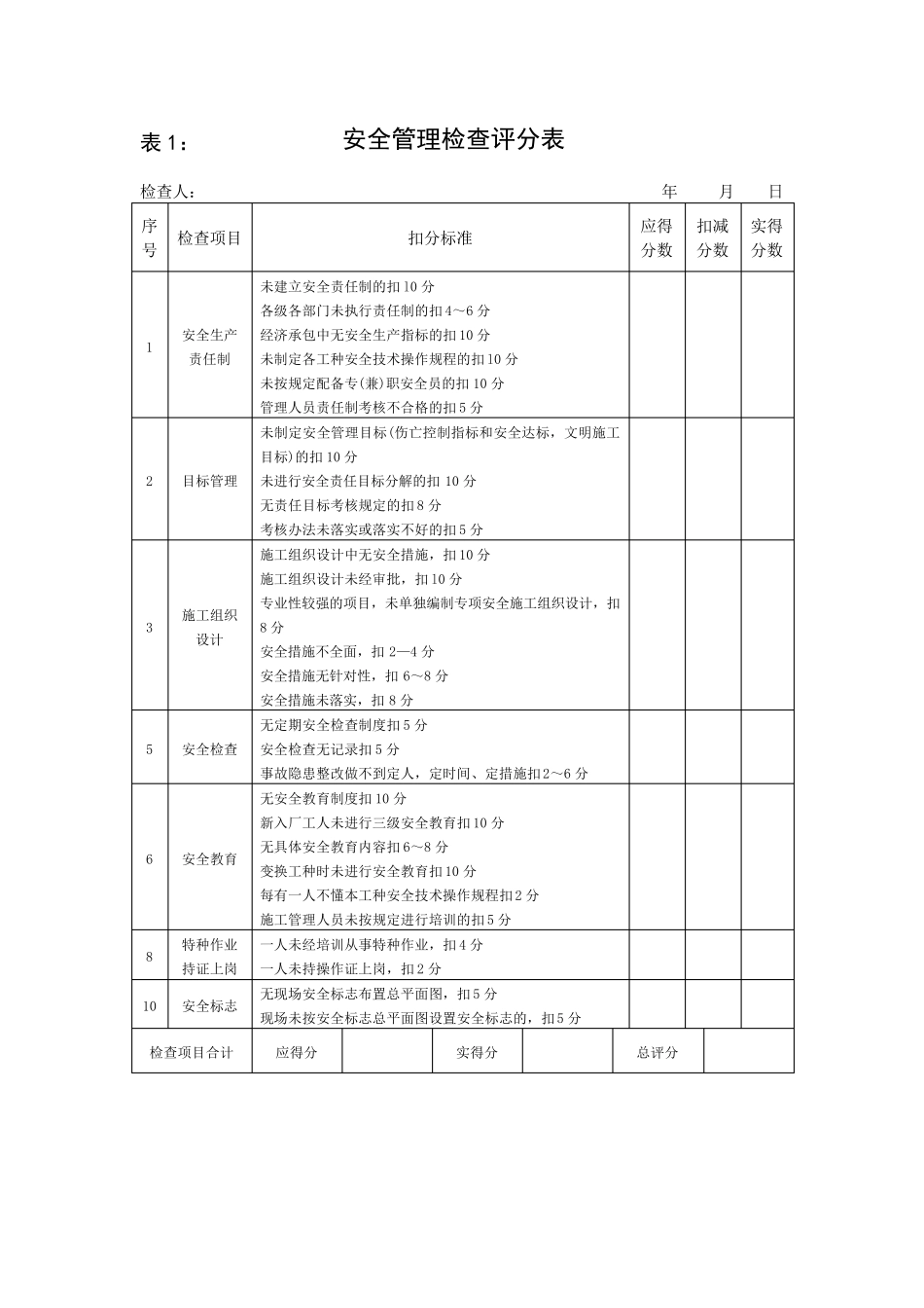
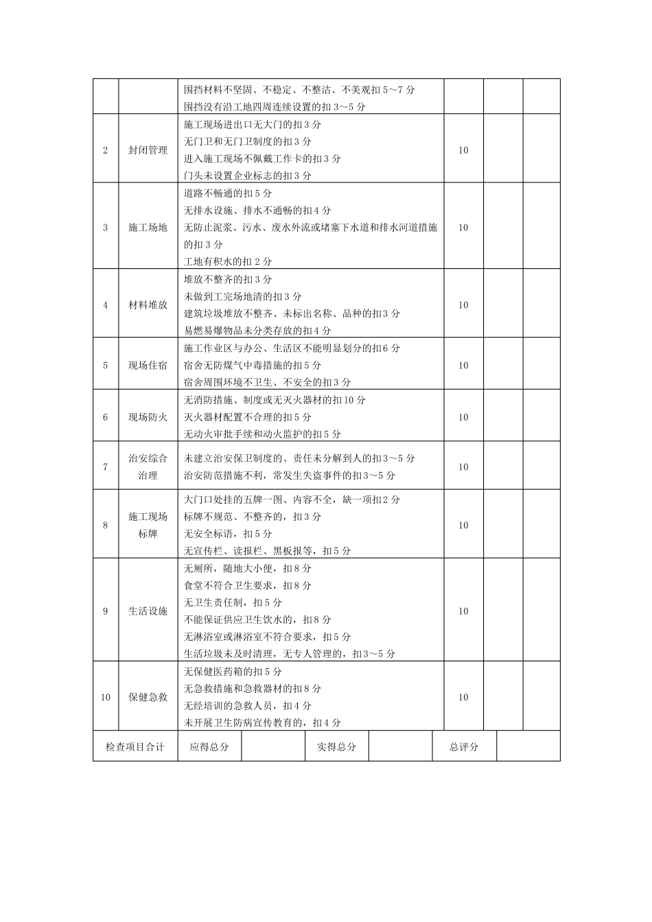
表1: 安全管理检查评分表 检查人: 年 月 日 序号 检查项目 扣分标准 应得分数 扣减分数 实得分数 1 安全生产责任制 未建立安全责任制的扣l0 分 各级各部门未执行责任制的扣4~6 分 经济承包中无安全生产指标的扣10 分 未制定各工种安全技术操作规程的扣l0 分 未按规定配备专(兼)职安全员的扣10 分 管理人员责任制考核不合格的扣5 分 2 目标管理 未制定安全管理目标(伤亡控制指标和安全达标,文明施工目标)的扣10 分 未进行安全责任目标分解的扣10 分 无责任目标考核规定的扣8 分 考核办法未落实或落实不好的扣5 分 3 施工组织设计 施工组织设计中无安全措施,扣10 分 施工组织设计未经审批,扣l0 分 专业性较强的项目,未单独编制专项安全施工组织设计,扣8 分 安全措施不全面,扣2—4 分 安全措施无针对性,扣6~8 分 安全措施未落实,扣8 分 5 安全检查 无定期安全检查制度扣5 分 安全检查无记录扣5 分 事故隐患整改做不到定人,定时间、定措施扣2~6 分 6 安全教育 无安全教育制度扣10 分 新入厂工人未进行三级安全教育扣10 分 无具体安全教育内容扣6~8 分 变换工种时未进行安全教育扣10 分 每有一人不懂本工种安全技术操作规程扣2 分 施工管理人员未按规定进行培训的扣5 分 8 特种作业持证上岗 一人未经培训从事特种作业,扣4 分 一人未持操作证上岗,扣2 分 10 安全标志 无现场安全标志布置总平面图,扣5 分 现场未按安全标志总平面图设置安全标志的,扣5 分 检查项目合计 应得分 实得分 总评分 表2: 文明施工检查评分表 检查人: 年 月 日 序号 检查项目 扣分标准 应得分数 扣减分数 实得分数 1 现场围挡 在市区主要路段的工地周围未设置高于2.5m 的围挡扣10 分 一般路段的工地周围未设置高于1.8m 的围挡扣10 分 10 围挡材料不坚固、不稳定、不整沽、不美观扣 5~7 分 围挡没有沿工地四周连续设置的扣 3~5 分 2 封闭管理 施工现场进出口无大门的扣 3 分 无门卫和无门卫制度的扣 3 分 进入施工现场不佩戴工作卡的扣 3 分 门头未设置企业标志的扣 3 分 10 3 施工场地 道路不畅通的扣 5 分 无排水设施、排水不通畅的扣 4 分 无防止泥浆、污水、废水外流或堵塞下水道和排水河道措施的扣 3 分 工地有积水的扣 2 分 10 4 材料堆放 堆放不整齐的扣 3 分 未做到工完场地清的扣 3 分...

1、当您付费下载文档后,您只拥有了使用权限,并不意味着购买了版权,文档只能用于自身使用,不得用于其他商业用途(如 [转卖]进行直接盈利或[编辑后售卖]进行间接盈利)。
2、本站所有内容均由合作方或网友上传,本站不对文档的完整性、权威性及其观点立场正确性做任何保证或承诺!文档内容仅供研究参考,付费前请自行鉴别。
3、如文档内容存在违规,或者侵犯商业秘密、侵犯著作权等,请点击“违规举报”。

碎片内容

公路工程施工安全检查表

您可能关注的文档

确认删除?
VIP
微信客服
  • 扫码咨询
会员Q群
  • 会员专属群点击这里加入QQ群
客服邮箱
回到顶部