电脑桌面
添加小米粒文库到电脑桌面
安装后可以在桌面快捷访问

公路工程竣(交)工验收资料统一用表目录

公路工程竣(交)工验收资料统一用表目录_第1页
1/18
公路工程竣(交)工验收资料统一用表目录_第2页
2/18
公路工程竣(交)工验收资料统一用表目录_第3页
3/18
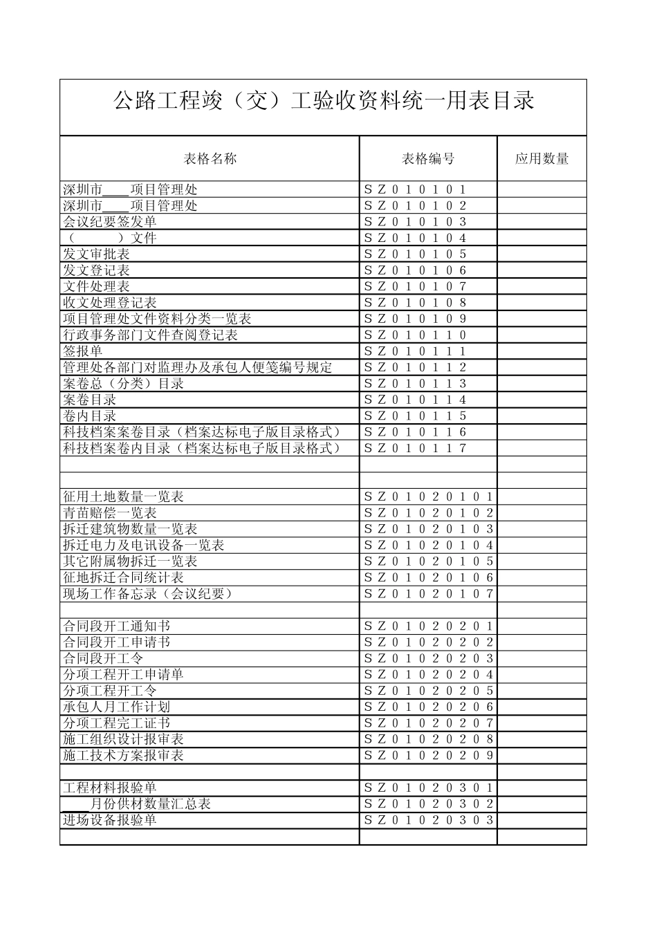
表格名称表格编号应用数量深圳市 项目管理处SZ010101深圳市 项目管理处SZ010102会议纪要签发单SZ010103( )文件SZ010104发文审批表SZ010105发文登记表SZ010106文件处理表SZ010107收文处理登记表SZ010108项目管理处文件资料分类一览表SZ010109行政事务部门文件查阅登记表SZ010110签报单SZ010111管理处各部门对监理办及承包人便笺编号规定SZ010112案卷总(分类)目录SZ010113案卷目录SZ010114卷内目录SZ010115科技档案案卷目录(档案达标电子版目录格式)SZ010116科技档案卷内目录(档案达标电子版目录格式)SZ010117征用土地数量一览表SZ01020101青苗赔偿一览表SZ01020102拆迁建筑物数量一览表SZ01020103拆迁电力及电讯设备一览表SZ01020104其它附属物拆迁一览表SZ01020105征地拆迁合同统计表SZ01020106现场工作备忘录(会议纪要)SZ01020107合同段开工通知书SZ01020201合同段开工申请书SZ01020202合同段开工令SZ01020203分项工程开工申请单SZ01020204分项工程开工令SZ01020205承包人月工作计划SZ01020206分项工程完工证书SZ01020207施工组织设计报审表SZ01020208施工技术方案报审表SZ01020209工程材料报验单SZ01020301 月份供材数量汇总表SZ01020302进场设备报验单SZ01020303公路工程竣(交)工验收资料统一用表目录工序质量检验单SZ01020401工作批示单SZ01020402质量督察报告SZ01020403现场监理日志表SZ01020404监理工程师日报表SZ01020405工程停工令SZ01020406质量事故报告单SZ01020407质量事故处理报告单SZ01020408工程复工申请单SZ01020409工程复工令SZ01020410施工放样报验单SZ01020411设计变更报审表SZ01020412安全违章限期整改通知单SZ01020501安全违章处罚通知单SZ01020502施工安全检查评分汇总表SZ01020503安全管理检查评分表SZ01020504文明施工检查评分表SZ01020505施工用电检查评分表SZ0102...

1、当您付费下载文档后,您只拥有了使用权限,并不意味着购买了版权,文档只能用于自身使用,不得用于其他商业用途(如 [转卖]进行直接盈利或[编辑后售卖]进行间接盈利)。
2、本站所有内容均由合作方或网友上传,本站不对文档的完整性、权威性及其观点立场正确性做任何保证或承诺!文档内容仅供研究参考,付费前请自行鉴别。
3、如文档内容存在违规,或者侵犯商业秘密、侵犯著作权等,请点击“违规举报”。

碎片内容

公路工程竣(交)工验收资料统一用表目录

您可能关注的文档

小辰9+ 关注
实名认证
内容提供者

出售各种资料和文档

确认删除?
VIP
微信客服
  • 扫码咨询
会员Q群
  • 会员专属群点击这里加入QQ群
客服邮箱
回到顶部