电脑桌面
添加小米粒文库到电脑桌面
安装后可以在桌面快捷访问

单位、分部及分项工程划分(桥梁、路基、涵洞)

单位、分部及分项工程划分(桥梁、路基、涵洞)_第1页
1/24
单位、分部及分项工程划分(桥梁、路基、涵洞)_第2页
2/24
单位、分部及分项工程划分(桥梁、路基、涵洞)_第3页
3/24
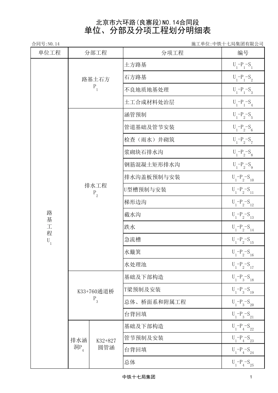
分项工程编号土方路基U1-P1-S1石方路基U1-P1-S2不良地质地基处理U1-P1-S3土工合成材料处治层U1-P1-S4涵管预制U1-P2-S5管道基础及管节安装U1-P2-S6检查(雨水)井砌筑U1-P2-S7浆砌块石排水沟U1-P2-S8钢筋混凝土矩形排水沟U1-P2-S9排水沟盖板预制与安装U1-P2-S10U型槽预制与安装U1-P2-S11梯形边沟U1-P2-S12截水沟U1-P2-S13跌水U1-P2-S14急流槽U1-P2-S15水簸箕U1-P2-S16水处理池U1-P2-S17基础及下部构造U1-P3-S18T梁预制及安装U1-P3-S19总体、桥面系和附属工程U1-P3-S20台背回填U1-P3-S21基础及下部构造U1-P4-S22管节预制及安装U1-P4-S23台背回填U1-P4-S24总体U1-P4-S25路基土石方P1路基工程U1排水涵洞P4K32+827圆管涵K33+760通道桥P3北京市六环路(良寨段)N0.14合同段单位、分部及分项工程划分明细表合同号:N0.14 施工单位:中铁十七局集团有限公司单位工程分部工程排水工程P2中铁十七局集团1分项工程编号北京市六环路(良寨段)N0.14合同段单位、分部及分项工程划分明细表合同号:N0.14 施工单位:中铁十七局集团有限公司单位工程分部工程基础及下部构造U1-P4-S26上部构造现场浇筑U1-P4-S27台背回填U1-P4-S28总体U1-P4-S29基础及下部构造U1-P4-S30上部构造现场浇筑U1-P4-S31台背回填U1-P4-S32总体U1-P4-S33基础及下部构造U1-P4-S34上部构造现场浇筑U1-P4-S35台背回填U1-P4-S36总体U1-P4-S37基础及下部构造U1-P4-S38管节预制及安装U1-P4-S39台背回填U1-P4-S40总体U1-P4-S41基础及下部构造U1-P4-S42管节预制及安装U1-P4-S43台背回填U1-P4-S44总体U1-P4-S45基础及下部构造U1-P4-S46上部构造现场浇筑U1-P4-S47台背回填U1-P4-S48总体U1-P4-S49基础及下部构造U1-P4-S50上部构造现场浇筑U1-P4-S51台背回填U1-P4-S52总体U1-P4-S53K34+206方涵路基工程U1排水涵洞P4J0+058方涵K33+780圆管涵K33+182方涵YK0+134圆管涵K32+910方涵T0+238方涵中铁十七局集团2分项工程编号北京市六环路(良寨段)N0.14合同段单位、分部及分项工程划分明细表合同号:N0.14 施工单位:中铁十七局集团有限公司单位工程分部工程基础及下部构造U1-P4-S54上部构造现场浇筑U1-P4-S55台背回填U1-P4-S56总体U1-P4-S57基础及下部构造U1-P4-S58上部构造现场浇筑U1-P4-S59台背回填U1-P4-S60总体U1-P4-S61锥(护)坡U1-P5-S62基础U1-P6-S63墙身U1-P6-S64墙背回填U1-P6-S65总体U1-P6-S66底基层U2-P7-S67基层U2-P7-S68面层U2-P7-S69透层U2-P7-S70粘层U2-P7-S71路缘石U2-P7-S72路肩U2-P7-S73路肩排水U2-P7-S7...

1、当您付费下载文档后,您只拥有了使用权限,并不意味着购买了版权,文档只能用于自身使用,不得用于其他商业用途(如 [转卖]进行直接盈利或[编辑后售卖]进行间接盈利)。
2、本站所有内容均由合作方或网友上传,本站不对文档的完整性、权威性及其观点立场正确性做任何保证或承诺!文档内容仅供研究参考,付费前请自行鉴别。
3、如文档内容存在违规,或者侵犯商业秘密、侵犯著作权等,请点击“违规举报”。

碎片内容

单位、分部及分项工程划分(桥梁、路基、涵洞)

您可能关注的文档

确认删除?
VIP
微信客服
  • 扫码咨询
会员Q群
  • 会员专属群点击这里加入QQ群
客服邮箱
回到顶部