电脑桌面
添加小米粒文库到电脑桌面
安装后可以在桌面快捷访问

单面彩钢酚醛复合风管施工工艺212012.10整理

单面彩钢酚醛复合风管施工工艺212012.10整理_第1页
1/6
单面彩钢酚醛复合风管施工工艺212012.10整理_第2页
2/6
单面彩钢酚醛复合风管施工工艺212012.10整理_第3页
3/6
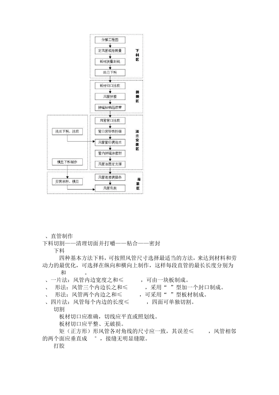
通风系统施工方法: 工艺流程: 施工准备——风管制作——风管安装——严密性试验 1、 施工准备 1.1 风管施工负责人必须熟悉风管、风口布置图和设计技术要求,有关规范、规程:了解风管、风口制作和安装工艺,并对施工班组长进行技术交流。 1.2 根据施工进度,风管施工负责人作出板材和其它辅材及人员需求计划,并检查具体到位情况。 1.3 施工前准备好如下施工机具: 1.4 专用刀具(专用机械切割刀具、油压压口机、工具箱及所配备的相应配件)、工作台(4000*1200*750,台面铺地毯)、切割机、电锤、手枪钻、4 米压尺、1.2 米压尺、一米钢直尺、0.5 米钢角尺、1 米丁字尺、橡皮锤、胶刷、卷尺、刀具、胶枪等。 1.5 施工前,质安员按规定对施工机具、材料进行全面检查和报验,只有合格才可用于施工,并做好相应记录。 2、 风管板材及辅材的存放 2.1 板材吊装时,绳索与板材或纸质包装盒接触处应垫以垫木。 2.2 板材堆放场地必须干净、平整。 2.3 板材不得甩、碰、砸、踏。 2.4 板材堆放不宜过高,不超过六件为宜。 2.5 板材不能露天存放,严防雨水淋湿。 2.6 板材不宜平抬,应竖立搬运为佳。 2.7 辅材应集中存放在指定位置,避免乱堆乱放;注意防潮、防火、防盗。 2.8 辅材应按照不同类别进行合理存放,小配件应单独装箱保存。 2.9 专用胶水单独存放并注意防火。 3、专用工具的使用 3.1 按照《专用机具使用说明书》安装调试好刀具。 3.2 刀片应干净、锋利;刀具(尤其是底端)应干净,无胶和其他污物。 3.3 刀片应深度到位,90°刀片长度应以切透板材而不切伤单面彩板酚醛复合风管为准,左、右 45°刀和直刀应以切透为准。 3.4 45°刀和 90°的刀,角度应准确无偏差。 3.5 运刀应用力均匀,速读平稳,且刀具底端不伤及与之相接触的上层单面彩板酚醛复合风管。 3.6 使用完的刀具应侧立放置,严禁底面朝下放置,以防损伤刀片。 4、施工流程 5、直管制作 下料切割——清理切面并打嚼——粘合——密封 5.1 下料 5.1.1 四种基本方法下料,可按照风管尺寸选择最适当的方法,来达到材料和劳动力的最优化,可选择在纵向和横向上制作,这样每段直管的最长长度分别为4000mm和1200mm。 A、一片法:风管内边宽度之和≤1040mm,可由一块板制成。 B、U形法:风管三个内边长之和≤1080mm,采用“U”型加一个封口制成。 C、L形法:风管两个内边之和≤1120mm,可采用“L”型板材制成。 D、四片法:...

1、当您付费下载文档后,您只拥有了使用权限,并不意味着购买了版权,文档只能用于自身使用,不得用于其他商业用途(如 [转卖]进行直接盈利或[编辑后售卖]进行间接盈利)。
2、本站所有内容均由合作方或网友上传,本站不对文档的完整性、权威性及其观点立场正确性做任何保证或承诺!文档内容仅供研究参考,付费前请自行鉴别。
3、如文档内容存在违规,或者侵犯商业秘密、侵犯著作权等,请点击“违规举报”。

碎片内容

单面彩钢酚醛复合风管施工工艺212012.10整理

确认删除?
VIP
微信客服
  • 扫码咨询
会员Q群
  • 会员专属群点击这里加入QQ群
客服邮箱
回到顶部