净化工程中风管制作及安装要求一、净化风管制作1、净化风管制作顺序如下:板材清洗油污,晾干,搬运到洁净加工场地,制咬口,折方,组合铆接...
目 录一 、 编 制 依 据 2二 、 工 程 概 况 22.1 工 程 简 介 22 。 2 设 计 概 况 2三 、 施 工 方 案 2...
重庆俊豪 ICFC 项目不锈钢风管专项施工方案编制:审核:批准:中建二局安装工程有限公司China Construction Second Engineering Bure...
不锈钢风管施工工艺1 前言近年来,不锈钢风管的使用已越来越普遍,对于不锈钢风管的焊接工艺,以前并没有相应的法律规范或工艺方法来指导...
__________________________________ 不锈钢排烟风管施工方案 XXXX 集团股份有限公司 2025。3.14 ...
按以下标准进行设计及验收1。《通风与空调工程施工质量验收法律规范》(GB50243-2025)2.《给水排水工程质量检验评定标准》(GB50185—2025...
Solidworks 绘制 90°风管弯头的方法以风管外径 φ320 曲率半径 R=480 为例说明其 90°风管弯头的建模绘制方法.1、新建“零件”确定...
2.6 施工工艺2.6.1 工艺流程(1)风口工艺流程: 2.6.2 操作工艺2.6.2.1 风口制作(1)下料、成型:1)风口的部件下料及成型应使...
风管部件制作1 范围 本工艺标准适用于各类金属风口、风阀、罩类、风帽及柔性管等部件制作工程。2 施工准备 2.1 材料要求及主要机具:...
交底内容:4—34—3 风管部件制作工艺标准(403—1998) 1 范围本工艺标准适用于各类金属风口、风阀、罩类、风帽及柔性管等部件制作工程...
风管部件与消声器制作检验批质量验收记录(GB50243-2025)表 C.2.2 编号:080103/080406/080506□□□工程名称※分项工程名称※验收部位...
风管系统安装检验批质量验收记录(Ⅱ)(空调系统) 06050301____单位(子单位)工程名称智多星分部(子分部)工程名称通风与空调/舒适性空调...
湘质监统编施 2025-155风管漏光检测记录工程名称:11检测日期:年 月 日编号:001分项工程名称: 子分部工程名称: 系统名称: 风管...
风管及部件安装施工技术交底施工单位名称单位工程名称施工部位风管及部件安装施工内容通风与空调工程施工1、安装前准备工作(1)安装现场的...
风管系统安装检验批质量验收记录(Ⅰ)(送、排风,防排烟,除尘系统) 06010301_____ 单位(子单位)工程名称智多星分部(子分部)工程名称...
风 管 吊 装 方 案1 、 工 程 特 点 本 工 程 百 货 店 、 商 场/ 影 院 部 分 通 风 系 统 具有 如 下 特...
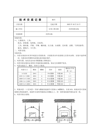
技 术 交 底 记 录编号工程名称交底日期2025 年 10 月 31 日施工单位分项工程名称风管系统安装交底提要风管安装交底内容:一、主...
风管及部件安装工艺流程风管准备 管 准 备确定标高 确定标高风管排列风管排列制作吊架 制作吊架设置吊架 设置吊点安装吊架 安装吊架...
风管保温技术交底一、工程概况 某工程共安装风管 3 万㎡,其中需要保温风管 25000㎡。风管的保温结构有三种形式。 ⑴ 裙楼内明露空调...
技 术 交 底 记 录 施表 7.2 共 8 页第 1 页工程名称XXXX施工单位XXXX交底提要:风管与配件制作分项工程技术交底交底内容:1、...

