电脑桌面
添加小米粒文库到电脑桌面
安装后可以在桌面快捷访问

风管安装及支吊架要求技术交底

风管安装及支吊架要求技术交底_第1页
1/4
风管安装及支吊架要求技术交底_第2页
2/4
风管安装及支吊架要求技术交底_第3页
3/4
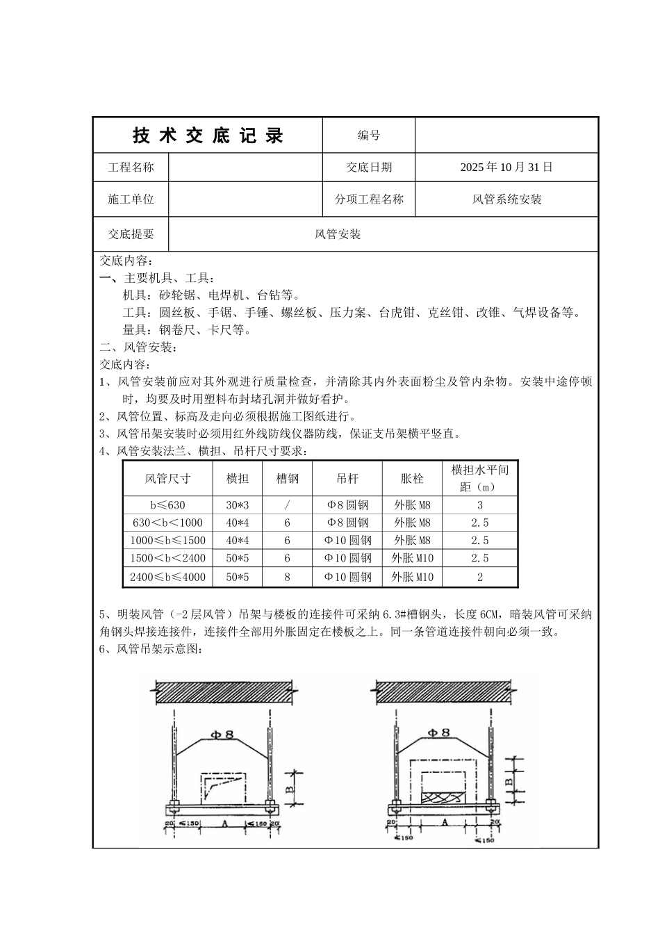
技 术 交 底 记 录编号工程名称交底日期2025 年 10 月 31 日施工单位分项工程名称风管系统安装交底提要风管安装交底内容:一、主要机具、工具:机具:砂轮锯、电焊机、台钻等。工具:圆丝板、手锯、手锤、螺丝板、压力案、台虎钳、克丝钳、改锥、气焊设备等。量具:钢卷尺、卡尺等。二、风管安装:交底内容:1、风管安装前应对其外观进行质量检查,并清除其内外表面粉尘及管内杂物。安装中途停顿时,均要及时用塑料布封堵孔洞并做好看护。2、风管位置、标高及走向必须根据施工图纸进行。3、风管吊架安装时必须用红外线防线仪器防线,保证支吊架横平竖直。4、风管安装法兰、横担、吊杆尺寸要求: 风管尺寸横担槽钢吊杆胀栓横担水平间距(m)b≤63030*3/Φ8 圆钢外胀 M83630<b<100040*46Φ8 圆钢外胀 M82.51000≤b≤150040*46Φ10 圆钢外胀 M82.51500<b<240050*56Φ10 圆钢外胀 M102.52400≤b≤400050*58Φ10 圆钢外胀 M1025、明装风管(-2 层风管)吊架与楼板的连接件可采纳 6.3#槽钢头,长度 6CM,暗装风管可采纳角钢头焊接连接件,连接件全部用外胀固定在楼板之上。同一条管道连接件朝向必须一致。6、风管吊架示意图:技 术 交 底 记 录编号工程名称交底日期2025 年 10 月 31 日施工单位分项工程名称风管系统安装交底提要风管安装⑴ 不保温风管吊架 ⑵保温风管吊架7、螺栓安装使用要求:风管管段四角连接处螺栓必须使用镀锌螺栓,螺栓顺气流方向插入,连接法兰的螺栓螺母两侧加镀锌垫圈,螺母在法兰的同一侧;薄钢板法兰连接部分如下图所示:(其中弹簧夹长度 150mm,间距 150mm,保持同一管段弹簧夹位置在一条线上排列)8、风管连接垫料规定:通风以及空调风系统采纳 8501 密封胶条,消防排烟系统采纳石棉垫。9、垫料不得凸入风管内,垫料使用在拐角处采纳图示方法搭接: 10、风管内不得敷设各种管道、电线或电缆,室外立管的固定拉索严禁拉在避雷针或避雷网上。11、风管安装偏差应符合以下规定:技 术 交 底 记 录编号工程名称交底日期2025 年 10 月 31 日施工单位分项工程名称风管系统安装交底提要风管安装(1) 明装水平风管水平度偏差不得大于 3mm/m,总偏差不得大于 20mm;(2) 明装垂直风管垂直度偏差不得大于 2mm/m,总偏差不大得于 20mm;(3) 暗装风管位置应正确,无明显偏差。12、风管与风机、风机箱、空气处理机等设备相连处应设置柔性短管,其长度为 150~300mm或...

1、当您付费下载文档后,您只拥有了使用权限,并不意味着购买了版权,文档只能用于自身使用,不得用于其他商业用途(如 [转卖]进行直接盈利或[编辑后售卖]进行间接盈利)。
2、本站所有内容均由合作方或网友上传,本站不对文档的完整性、权威性及其观点立场正确性做任何保证或承诺!文档内容仅供研究参考,付费前请自行鉴别。
3、如文档内容存在违规,或者侵犯商业秘密、侵犯著作权等,请点击“违规举报”。

碎片内容

风管安装及支吊架要求技术交底

您可能关注的文档

雏圣文化+ 关注
实名认证
内容提供者

欢迎光临,大量办公文档供您挑选。

确认删除?
VIP
微信客服
  • 扫码咨询
会员Q群
  • 会员专属群点击这里加入QQ群
客服邮箱
回到顶部