电脑桌面
添加小米粒文库到电脑桌面
安装后可以在桌面快捷访问

博物馆通风与空调篇08

博物馆通风与空调篇08_第1页
1/9
博物馆通风与空调篇08_第2页
2/9
博物馆通风与空调篇08_第3页
3/9
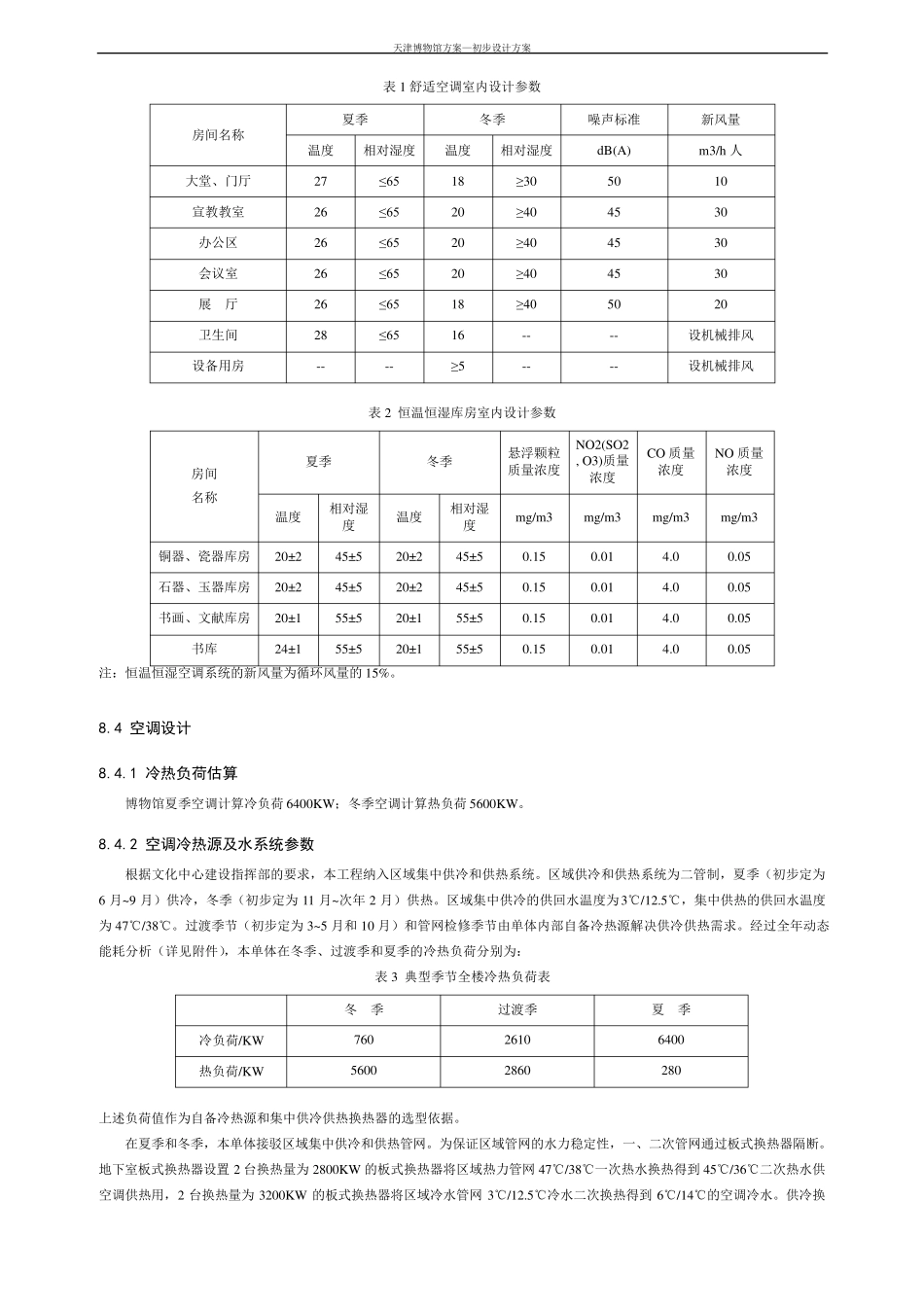
天津博物馆方案—初步设计方案 第八章 通风与空调篇 8.1 设计依据 8.2 设计内容 8.3 室内外设计参数 8.4 空调设计 8.5 空调通风系统的防火措施 8.6 通风设计 8.7 防排烟系统简要说明 8.8 管材及保温设计 8.9 环境保护 8.10 节能措施 天津博物馆方案—初步设计方案 第八章 通风与空调篇 8.1 设计依据 1. 采暖通风与空气调节设计规范 GB50019-2003 2. 高层民用建筑设计防火规范 GB50045-95(2005 年版) 3. 公共建筑节能设计标准 GB50189-2005 4. 天津市公共建筑节能设计标准 DB29-153-2005 5. 博物馆建筑设计规范 JGJ66-91 6. 大气污染物综合排放标准 GB16297-1996 7. 室内空气质量标准 GB/T18883-2002 8. 锅炉房设计规范 GB50041—92 9. 城镇燃气设计规范 GB50028-2006 10. 环境空气质量标准 GB3095-96 11. 建筑工程设计文件编制深度规定( 2008 年版) 12. 甲方提供的设计任务书 13. 建筑初步设计图纸 8.2 设计内容 1. 展览区、附属区及办公区全年舒适性冷暖空调; 2. 文物库区和书库的全年恒温恒湿空调; 3. 信息中心网络机房机房专用空调系统; 4. 机电设备房、文物保护用房和公共卫生间的机械通风; 5. 消防防排烟系统; 6. 书画文献库区、锅炉房的事故通风。 8.3 室内外设计参数 8.3.1 室外采用天津地区计算气象参数 夏季 冬季 空调计算干球温度:33.4℃ 空调计算干球温度:-11.0℃ 空调计算湿球温度:26.9℃ 空调计算相对湿度:53% 通风计算温度:29.0℃ 通风计算温度:-4.0℃ 空调计算日平均温度:29.2℃ 采暖计算温度:-9.0℃ 平均风速与风向:2.6m/s(SE) 平均风速与风向:3.1 m/s(NNW) 大气压:1004.8hPa 大气压:1026.6hPa 8.3.2 室内设计参数 天津博物馆方案—初步设计方案 表 1 舒适空调室内设计参数 房间名称 夏季 冬季 噪声标准 新风量 温度 相对湿度 温度 相对湿度 dB(A) m3/h 人 大堂、门厅 27 ≤65 18 ≥30 50 10 宣教教室 26 ≤65 20 ≥40 45 30 办公区 26 ≤65 20 ≥40 45 30 会议室 26 ≤65 20 ≥40 45 30 展 厅 26 ≤65 18 ≥40 50 20 卫生间 28 ≤65 16 -- -- 设机械排风 设备用房 -- -- ≥5 -- -- 设机械排风 表 2 恒温恒湿库房室内设计参数 房间 名称 夏季 冬季 悬浮颗粒质量浓度 NO2(SO2, O3)质量浓度 CO 质量浓度 NO 质...

1、当您付费下载文档后,您只拥有了使用权限,并不意味着购买了版权,文档只能用于自身使用,不得用于其他商业用途(如 [转卖]进行直接盈利或[编辑后售卖]进行间接盈利)。
2、本站所有内容均由合作方或网友上传,本站不对文档的完整性、权威性及其观点立场正确性做任何保证或承诺!文档内容仅供研究参考,付费前请自行鉴别。
3、如文档内容存在违规,或者侵犯商业秘密、侵犯著作权等,请点击“违规举报”。

碎片内容

博物馆通风与空调篇08

您可能关注的文档

确认删除?
VIP
微信客服
  • 扫码咨询
会员Q群
  • 会员专属群点击这里加入QQ群
客服邮箱
回到顶部