电脑桌面
添加小米粒文库到电脑桌面
安装后可以在桌面快捷访问

危化品企业应急救援队伍装备、应急物资配备要求

危化品企业应急救援队伍装备、应急物资配备要求_第1页
1/7
危化品企业应急救援队伍装备、应急物资配备要求_第2页
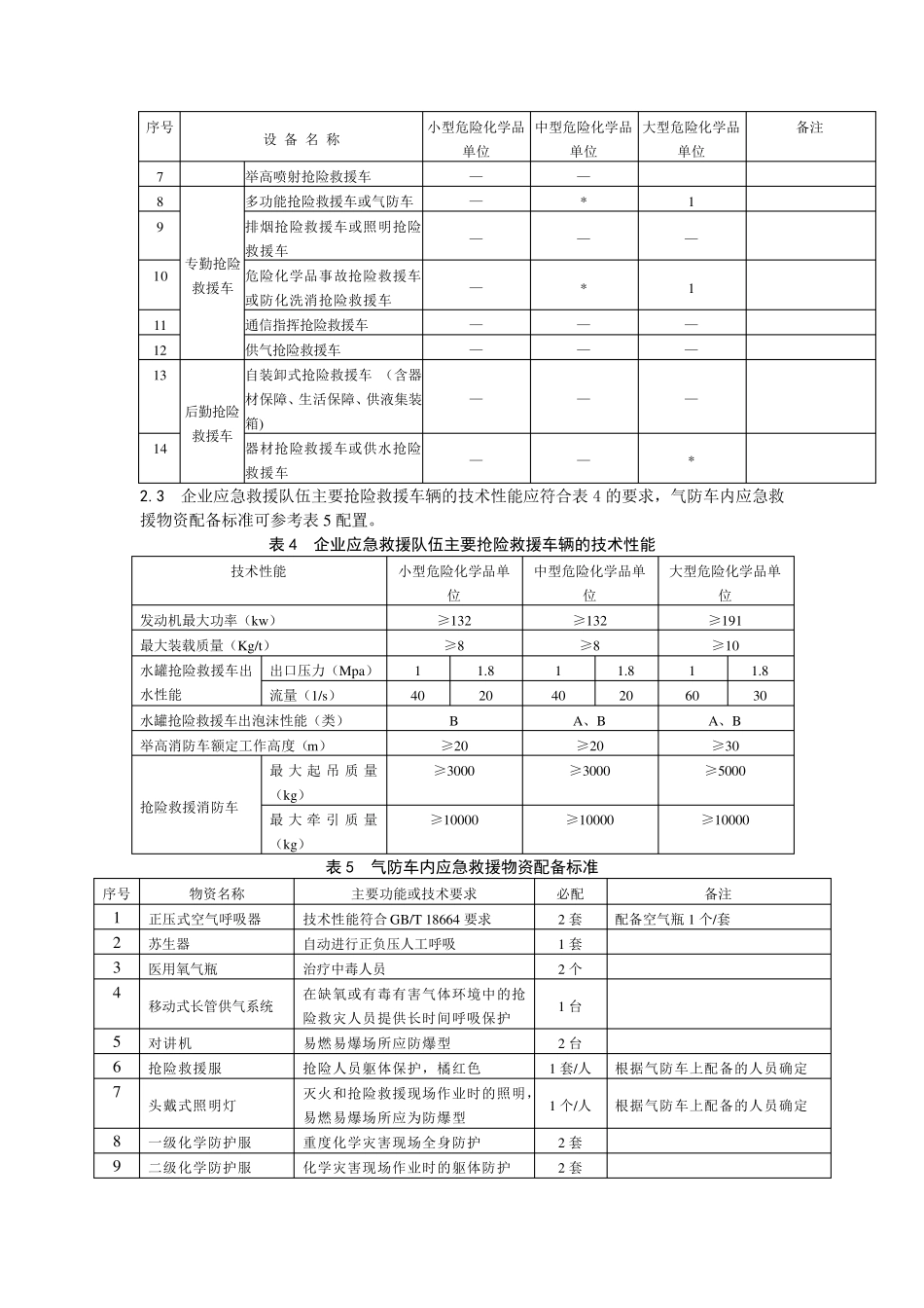
2/7
危化品企业应急救援队伍装备、应急物资配备要求_第3页
3/7
危化品企业应急救援队伍装备、应急物质配备要求 收 集 、 编 辑 : Lhjly by 1 企 业 应 急 救 援 队 伍 应 急 救 援 人 员 的 个 人 防 护 装 备 配 备 标 准 应 符 合 表 1 的 要 求 。 表 1 应急救援人员个体防护装备配备标准 序 号 名 称 主 要 用 途 配 备 备 份比 备 注 1 消 防 头 盔 头 部 、 面 部 及 颈 部 的 安 全 防 护 1 顶 /人 4:1 2 二 级 化 学 防 护 服 装 化 学 灾 害 现 场 作 业 时 的 躯 体 防护 1 套 /10 人 4:1 1) 以 值 勤 人 员 数 量 确 定 2) 至 少 配 备 2 套 3 一 级 化 学 防 护 服 装 重 度 化 学 灾 害 现 场 全 身 防 护 * 4 灭 火 防 护 服 灭 火 救 援 作 业 时 的 身 体 防 护 1套 /人 3:1 指 挥 员 可 选 配 消 防 指 挥 服 5 防 静 电 内 衣 可 燃 气 体 、 粉 尘 、 蒸 汽 等 易 燃 易爆 场 所 作 业 时 的 躯 体 内 层 防 护 1 套 /人 4:1 6 防 化 手 套 手 部 及 腕 部 防 护 2 副 /人 7 防 化 靴 事 故 现 场 作 业 时 的 脚 部 和 小 腿部 防 护 1 双 /人 4:1 易 燃 易 爆 场 所 应 配 备 防 静 电靴 8 安 全 腰 带 登 梯 作 业 和 逃 生 自 救 1 根 /人 4:1 9 正 压 式 空 气 呼 吸 器 缺 氧 或有毒现 场 作 业 时 的 呼 吸防 护 1 具/人 5:1 1) 以 值 勤 人 员 数 量 确 定 2) 备 用 气 瓶按照正 压 式 空 气呼 吸 器 总量 1:1 备 份 10 佩戴式 防 爆 照明灯 单人 作 业 照明 1 个 /人 5:1 11 轻型安 全 绳 救 援 人 员 的 救 生 、 自 救 和 逃 生 1 根 /人 4:1 12 消 防 腰 斧 破拆和 自 救 1 把/人 5:1 注 1: 表 中“备 份 比 ”是指 应 急 救 援 人 员 防 护 装 备 配 备 投入使用 数 量 与备 用 数 量 之比 。 注 2: 根 据备 份 比 计算的 备 份 数 量 为非整数 时 应 向上取整。 注 3: 小 型危险化 学 品单位应 急 救 援 人 员 可 佩戴作 业 场 所 的 个 体 防 护 装 备 ,不配 备 该表 的 装 备 。 ...

1、当您付费下载文档后,您只拥有了使用权限,并不意味着购买了版权,文档只能用于自身使用,不得用于其他商业用途(如 [转卖]进行直接盈利或[编辑后售卖]进行间接盈利)。
2、本站所有内容均由合作方或网友上传,本站不对文档的完整性、权威性及其观点立场正确性做任何保证或承诺!文档内容仅供研究参考,付费前请自行鉴别。
3、如文档内容存在违规,或者侵犯商业秘密、侵犯著作权等,请点击“违规举报”。

碎片内容

危化品企业应急救援队伍装备、应急物资配备要求

确认删除?
VIP
微信客服
  • 扫码咨询
会员Q群
  • 会员专属群点击这里加入QQ群
客服邮箱
回到顶部